入力電圧範囲の広い車載用途への対処法――3つの降圧レギュレータと1つの昇圧コントローラを備えるICを活用する
自動車は、電子システムにとっては過酷な稼働環境です。例えば、広い動作温度範囲が求められたり、実装スペースに制約があったりするなど、非常に厳しい条件をクリアしなければなりません。そして、複雑さが増す電子システムに対しては、信頼性が高く小型の電源回路が求められます。アナログ・デバイセズの「LT8603」は、高電圧の入力に対応してそれぞれ2.5Aと1.5Aを供給できる2個の降圧レギュレータ、低電圧の入力に対応して1.8Aを供給できる1個の降圧レギュレータ、更に1個の昇圧コントローラを内蔵するレギュレータICです。パッケージは6mm × 6mmという小型のQFNであり、堅牢性も兼ね備えています。昇圧コントローラも内蔵する同ICを活用することにより、入力電圧範囲が広く、複数の出力を供給する以下のような車載電源の設計を簡素化することができます。
- コールド・クランクに耐えられる3つの出力を供給
- 計4種の出力を供給、4つ目の電源レールはSEPICで実現
- 1つの降圧レギュレータにより昇圧レギュレータを駆動
以下では、各アプリケーションの実現方法について説明します。
コールド・クランクに耐えられる3つの出力を供給
車載アプリケーションでは、プロセッサのI/O、コア、それ以外の構成要素に対して異なる電源レールが必要になる可能性があります。つまり、様々なアナログICやデジタルICに給電するために、5V、3.3V、更には2V未満の電源レールが求められるということです。これらの電源の入力となるのは、公称12Vの車載バッテリ電圧VBATです。但し、このVBATは、8~16Vといった具合に広い範囲で変動します。この条件に対し、多くのケースでは、効率の高い降圧レギュレータを使うことで対応できます。しかし、コールド・クランクが発生すると、VBATは数十ミリ秒にもわたって2V程度まで低下することがあります。その場合、通常の降圧レギュレータでVBATを直接受け取ったのでは、出力の制御を維持することができません。
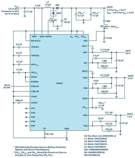
LT8603が内蔵する昇圧コントローラは、2Vまでの低い入力電圧でも動作します。したがって、降圧レギュレータに給電するためのプリレギュレータとして理想的です。VBATが8.5Vを下回ると、昇圧コントローラは8Vの出力(OUT4)を生成します(図1)。また、高電圧に対応する2個の降圧レギュレータは、コールド・クランクの状態に耐えながら、5Vと3.3Vの出力を一定に維持します。コールド・クランクの状態を脱し、VBATが8V以上に回復すると、昇圧コントローラは、単に電流を通すダイオードとして機能します。高電圧に対応する降圧レギュレータは、最高で42VのVBATに対応できます。図1において、低電圧に対応する降圧レギュレータはOUT2を入力とし、コールド・クランクの状態では1.2Vを出力します。


図1. コールド・クランクに耐えられる3つの出力を備えた車載電源。昇圧プリレギュレータ(VOUT4)により、3つの降圧レギュレータに対して給電を行います。VBATにコールド・クランクが発生しても、3つの降圧出力は正確に維持されます。
計4種の出力を供給、4つ目の電源レールはSEPICで実現
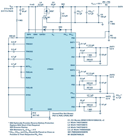
VBATは、デュアルバッテリ・システムでジャンプスタートを行う場合や、24V系のシステムが採用されている場合などには、長時間にわたって値が高い状態が続くことがあります。図1に示した昇圧レギュレータであれば、その影響を受けません。VBATが8V以上の場合、その電圧は出力に向けて通過することができます。ただ、車載アプリケーションで一般的に使用される2MHzのスイッチング周波数では、特にスイッチング損失が増加します。そのため、高電圧に対応する2個の降圧レギュレータの電流出力能力は、VBATが高くなると温度による制約を受けます。
温度の上昇は、スイッチング周波数を下げるか、降圧レギュレータの動作電圧を下げることによって制御できます。図2の回路では、4つ目のチャンネルが、高電圧に対応する降圧レギュレータに給電するためのSEPIC(Single Ended Primary Inductor Converter)として構成されています。その出力は、高電圧に対応する降圧レギュレータの効率が最適な状態になるよう、12Vに制御されます。降圧レギュレータを最適な効率で動作させることにより、温度の上昇を適切に制御することが可能になります。図2の回路を使えば、4種の正確な出力を容易に得ることができます。負荷が軽い場合、この回路では、入力電圧が2Vまで低下しても、出力を適切に制御可能です。

図2. 4つ目の出力をSEPICで実現する回路。高電圧に対応する降圧レギュレータの効率が最適化されます。
1つの降圧レギュレータにより昇圧レギュレータを駆動
車載アプリケーションの中には、54Vといった高い電圧を必要とするものがあります。このような高電圧を生成するための1つの方法は、高電圧に対応する降圧レギュレータの1つの出力によって、昇圧レギュレータを駆動することです(図3)。VBATの値が、高電圧に対応する降圧レギュレータの最小入力電圧よりも高ければ、4つの制御された出力が得られます。降圧レギュレータによって昇圧レギュレータの最大電流が制限され、昇圧レギュレータが短絡から保護されると共に、サイクル単位の電流が制限されます。

図3. 昇圧レギュレータを含めて4種の出力を得る回路。昇圧レギュレータは、チャンネル3の降圧レギュレータによって駆動されます。
チャージ・ポンプで出力電圧を追加
図4に示すように、チャージ・ポンプ回路をSEPIC回路に追加することで、もう1つの出力を得ることができます。また、この図には、異なる入力電圧に対し、チャージ・ポンプ回路によって生成される出力をグラフで示しています。同様に、負出力のチャージ・ポンプを実装すれば、負の出力電圧を得ることも可能です。


図4. チャージ・ポンプにより、高電圧の出力を1つ追加した回路
EMI性能
LT8603は、位相の異なる2つのクロックによって動作します。チャンネル1とチャンネル2は位相が180°ずれているので、降圧レギュレータのピーク入力電流が抑えられます。それにより、EMI(電磁妨害)が低減されます。電子部品を高い密度で実装する場合には、熱性能とEMI性能のバランスについて慎重に検討しなければなりません。LT8603の評価用ボード「DC2114A」は、EMIの低減に向けて最適化されたレイアウトの実例を示すものです。同ボードに実装された回路は、CISPR25のクラス5で定められたピーク値の条件を十分に満たします。図5に、30MHz~1000MHzの垂直偏波に対する放射性EMIの評価結果を示しました。評価は、入力電圧が14V、各出力における負荷電流が1Aという条件で実施しました。

図5. DC2114Aによる放射性EMIの評価結果(30MHz~1000MHz)。CISPR 25のクラス5を満たしています。
まとめ
LT8603は、3つの降圧レギュレータと1つの昇圧コントローラを組み合わせた製品です。パッケージは6mm × 6mmのQFNで、多くの用途に対応可能な小型の電源ソリューションを実現できます。各降圧レギュレータ用のパワー・スイッチを内蔵していることに加え、サイクル単位の電流制限機能、トラッキング機能、ソフト・スタート制御機能も備えています。同期整流方式を採用したことで、効率は最大94%に達します。Burst Mode®動作では、全チャンネルが起動している状態でも、静止電流が30μA未満に維持されます。そのため、常時、レギュレータを起動させておく必要のあるシステムに最適です。2V~42Vという広い入力電圧範囲と、多く用途に適した機能を備えるLT8603は、車載用途をはじめとする要件の厳しいアプリケーションで、大いに威力を発揮します。