製品概要
製品概要
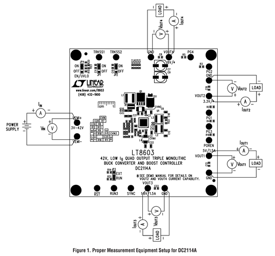
デモ回路2114Aは、トリプル・モノリシック降圧レギュレータと昇圧コントローラを備えたLT8603を使用しています。デモ回路は、公称12Vの入力からの、8.0V、5.0V、3.3V、1.8V出力用に設計されています。第4チャンネルは昇圧コンバータとして設定されており、3V < VIN < 8.5Vの場合に8Vでレギュレーションされる出力VOUT4により、広い入力範囲から電力が供給されています。入力が8.5Vを超える場合は、ダイオード・パス・スルーとして機能します。2個の高電圧降圧レギュレータは昇圧コンバータから電力が供給されます。VOUT1は最大出力負荷電流1.5Aで、5Vでレギュレーションされます。VOUT2は最大出力負荷電流2.5Aで、3.3Vでレギュレーションされます。プリブースト・コンバータにより、4つすべての出力がオートモーティブ・アプリケーションでのコールド・クランクをライドスルーしながら、5Vおよび3.3Vの安定した出力電圧を提供できます。低電圧降圧はVOUT2(3.3V)から電力が供給され、出力VOUT3は最大負荷電流1.8Aで、1.8Vでレギュレーションされます。
関連資料
-
DC2114A - Schematic2018/01/10PDF80K
-
DC2114A - Demo Manual2018/01/10PDF1M
-
LT8603: 42V、低IQ、クワッド出力のモノリシック・トリプル降圧コンバータおよび昇圧コントローラ データシート (Rev. )2018/02/01PDF2M
-
DC2114A - Design Files2018/01/10ZIP3M



