DN-561: 高電圧、高効率の正負反転コンバータ
はじめに
正電圧から負電圧への変換(反転出力)は、LCD デバイス、OLED ディスプレイ、オーディオ・アンプ、産業用機械、半導体製造プロセス制御装置、計測ツール、テスト・システム、LEDドライバ、バッテリ・チャージャに広く使用されています。これらのアプリケーションの多くは高い電力レベルと広い入力電圧範囲を必要としていますが、これら 2 つは正負反転コントローラLTC3896 に固有の特長です。このコントローラは自動車用アプリケーションに特に適していますが、その理由は、対応できる入力電圧および出力電圧が非常に高く(到達可能な電圧ストレスは合計で 150V)、標準レベルの MOSFET を駆動する能力を備えており、動作時の静止電流が 40µA(シャットダウン時は 10µA)と少ないからです。
広範囲の 7V ~ 72V 入力を -12V/5A 出力に変換
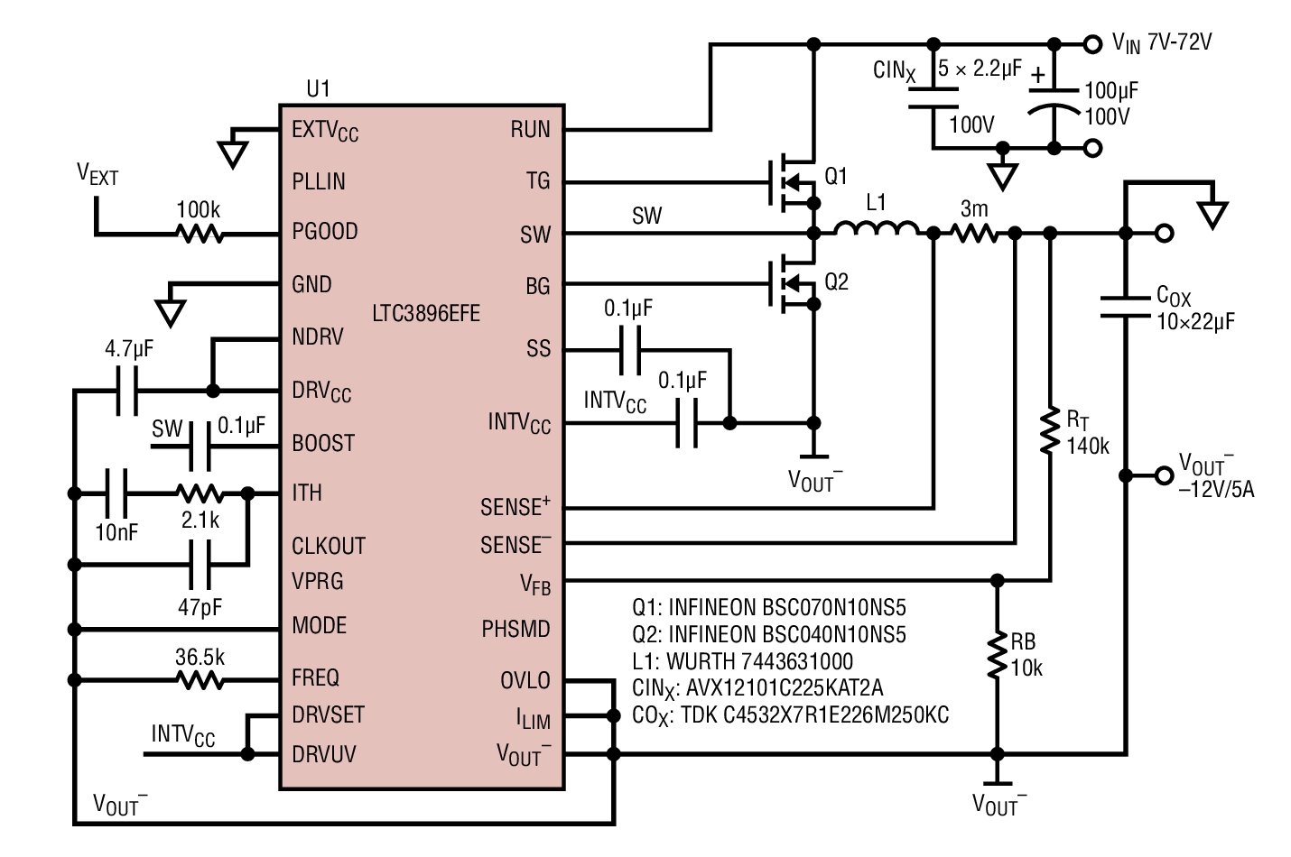
LTC3896 をベースにした正負反転コンバータを図 1 に示します。このソリューションでは、7V ~ 72V の入力電圧範囲で−12V/5A の出力が得られます。自動車市場では、LTC3896 が高い入力電圧に対応できるので、サイズが大きく高価な電圧サプレッサが不要になる一方で、最小入力電圧が低いので、コールド・クランク状態時でも高感度システムを動作状態に維持することができます。

図 1.7V ~ 72V の入力電圧範囲で負荷に 5A を供給する –12V 出力コンバータ(U1)。RUN、PGOOD、PLLIN の制御信号は GND を基準にしていることに注意
コンバータの駆動系は、MOSFET Q1、Q2 とインダクタ L1 で構成されます。出力フィルタはセラミック・コンデンサ COX がベースになります。U1 の EXTVCC ピンは GND に接続されるので、このピンには VOUT– を基準にして 12V の電位が発生します。パワーグッド信号が必要な場合は、GND を基準にした外部電源を使用します。LTC3896 の制御信号およびインタフェース信号(RUN、PGOOD、PLLIN など)はシステムの GNDを基準にしており、プロセッサ制御システムにレベルシフタを置く必要がありません。
LTC3896 の周辺部品に加わる電圧と電流のストレスを計算するためのガイドラインは、データシート[1] で詳細に説明しています。基本的な評価を行う場合は、デューティ・サイクル(D)、平均インダクタ電流(IL)、およびMOSFET の電圧ストレス(VDS)を次式によって計算することができます。

デモ回路 DC2447A [2] は、LTC3896 の汎用性を示します。設計者はこのコントローラの多くの機能をテストすることができます。対象となるのは、外部クロックへの同期機能、外部リニア・レギュレータを使用して高出力電圧時に IC に加わる熱ストレスを低減する機能、-5Vまたは -3.3V 出力を生成するための簡単な解決策などです。
数種類の入力電圧での効率を図 2 に示します。コンバータの動作時の熱画像を図 3 に示します。

図 2.図 1 の回路での効率曲線。出力電圧は –12V で、最大負荷電流は 5A

図 3.DC2447A の熱画像は入力電圧 36V、–12V/5A 出力時に撮影。右側はデモボードの組立図。
まとめ
LTC3896 は、特に正電圧を負電圧に変換する目的で設計された高集積コントローラです。このコントローラをベースにしたソリューションは効率が高く、静止電流がきわめて少量です。これは、バッテリ駆動システムにとって重要です。また、このデバイスは汎用性が高く、プログラム可能な周波数、入力電圧範囲が 150V で出力電圧が -60Vまでと広いことも特長としています。このデバイスにより、ホストのグランドを基準とした制御信号を備えた自動車用電源および産業用電源の設計が簡単になります。
参考資料
1. LTC3896:低静止電流の 150V、同期整流式反転型 DC/DC コントローラ。
https://www.analog.com/jp/ltc3896
2. DC2447A:LTC3896EFE デモボード ¦ 同 期 整 流式反転コントローラ、7V ≦ VIN ≦ 72V、VOUT = –12V/5A。