質問:
絶縁型電源の効率を高めるにはどうすればよいですか。
回答:
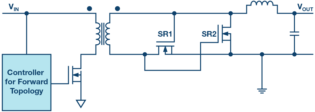
降圧レギュレータ(ステップダウン・レギュレータ)において、ショットキー・ダイオードの代わりにアクティブ・スイッチを使用するというのが、一般的なアプリケーションにおける標準的な方法になります。特に、低い出力電圧を生成したい場合には、それによって変換効率が大幅に向上します。また、ガルバニック絶縁が必要なアプリケーションでは、同期整流を適用することでも変換効率を高めることができます。図 1 に示したのは、2 次側に同期整流を適用したフォワード型コンバータの例です。

同期整流用のスイッチの駆動方法には、いくつかの種類があります。1 つは、トランスの 2 次側巻線を介して駆動するというシンプルな方法です。図 1 はこの方法を採用した例です。この例の場合、入力電圧の範囲はあまり広くとれません。SR1 と SR2 は、スイッチとして機能する MOSFET です。これらのスイッチは、入力電圧が最小値の場合でも、確実にオンにならなければなりません。つまり、最小入力電圧の条件下でも、両スイッチのゲートには十分な電圧が加わっている必要があります。また、SR1 と SR2 のゲート電圧は、最大定格電圧を超えてはなりません。言い換えれば、最大入力電圧が高すぎてはならないということです。
電源回路に同期整流を適用すると、回路に負電流が流れる可能性が必ず生じます。例えば、回路が起動する前に出力コンデンサがプリチャージされている場合、出力側から入力側に電流が流れる可能性があります。その負電流によって、SR1 と SR2 の電圧が上昇し、損傷が生じる恐れがあります。したがって、そのような事象から両スイッチを保護するための対策が必要になります。

図 2 は、同期整流用のドライバ IC「LTC3900」を使用した例です。同 IC は、フォワード・トポロジにおいて、同期整流用のスイッチである SR1 と SR2 を駆動するためのコントローラとして機能します。
この方法は有効に機能します。ただし、LTC3900 を使って、負電流がスイッチに流れるのを防がなければなりません。そのためには、まず負電流をすばやく検出する必要があります。負電流を検出したら、SR1 と SR2 をすばやくオフにします。回路が起動する時や、バースト・モードが生じた時の損傷を防ぐためには、このような機能が必要です。

図 3 は、新しい製品である「ADP1074」を使用した非常に洗練された回路です。出力電圧の情報は、同 IC が備えるフィードバック用のピンによって検出します。出力コンデンサがプリチャージされているといった特定の状況下では、SR1 と SR2 に負電流が流れることを防ぐために、同期整流は適用されません。2 つのスイッチのボディ・ダイオードによって整流が行われます。これにより、スイッチの損傷を防ぐことができます。ADP1074 では、iCoupler® 技術が適用されたことにより、負電流が流れることのない安全な動作が可能になります。
