MAXQ8913

製造中止

オールインワンサーボループ制御用、オペアンプ、ADC、およびDAC内蔵、16ビット、ミックスドシグナルマイクロコントローラ

2.89mm x 4.15mmの小型WLPパッケージ、光学画像安定化用、低電力、シングルチップソリューション

利用上の注意

本データシートの英語以外の言語への翻訳はユーザの便宜のために提供されるものであり、リビジョンが古い場合があります。最新の内容については、必ず最新の英語版をご参照ください。

なお、日本語版のデータシートは基本的に「Rev.0」(リビジョン0)で作成されています。そのため、英語版が後に改訂され、複数製品のデータシートがひとつに統一された場合、同じ「Rev.0」の日本語版のデータシートが異なる製品のデータシートとして表示されることがあります。たとえば、「ADM3307E」の場合、日本語データシートをクリックすると「ADM3311E」が表示されます。これは、英語版のデータシートが複数の製品で共有できるように1本化され、「ADM3307E/ADM3310E/ADM3311E/ADM3312E/ADM3315E」(Rev.J)と改訂されたからで、決して誤ってリンクが張られているわけではありません。和文化されたデータシートを少しでも有効に活用していただくためにこのような方法をとっておりますので、ご了解ください。

アナログ・デバイセズ社は、提供する情報が正確で信頼できるものであることを期していますが、その情報の利用に関して、あるいはその利用によって生じる第三者の特許やその他の権利の侵害に関して一切の責任を負いません。また、アナログ・デバイセズ社の特許または特許の権利の使用を明示的または暗示的に許諾するものでもありません。仕様は予告なしに変更する場合があります。本紙記載の商標および登録商標は、各社の所有に属します。

Viewing:

製品情報

  • 高性能、低電力、16ビットMAXQ® RISCコア
  • ワンサイクル、48ビットアキュムレータ内蔵16 x 16ハードウェア乗算/積算
  • 2つの電流シンクによってホール効果素子を駆動
  • 4つのDAC
  • DC~10MHz動作、MHz当り1MIPSに迫る
  • ロジック/アナログ動作電圧:2.7V~3.6V
  • 33の命令、大部分がシングルサイクル
  • 3つの個別データポインタによって自動増分/減分によるデータ移動を高速化
  • 16レベルハードウェアスタック
  • 16ビット命令ワード、16ビットデータバス
  • 16 x 16ビット汎用ワーキングレジスタ
  • Cコンパイラ用に最適化
  • メモリ機能
    • 64KBフラッシュメモリ
    • 4KBデータRAM内蔵
    • 4KBユーティリティROM
    • プログラミングおよびデバッグ用JTAGブートローダ
  • ペリフェラル
    • 4つのオペアンプ
    • リファレンスおよびオートスキャン機能内蔵12ビットSAR ADC
      • サンプルレート:312ksps (max)
      • 7つの入力Mux (4つはオペアンプ出力に内部接続、1つは温度センサーに内部接続、2つは汎用外部端子に接続)
    • ブラウンアウトリセット生成
    • 16ビット設定可能なタイマー/カウンタ
    • USART、I²C、およびSPIマスター/スレーブ
    • パワーオンリセット/ブラウンアウトリセット内蔵
    • 設定可能なウォッチドッグ
  • 低消費電力
    • 10MHzフラッシュ動作(3.3Vの場合):3mA (max)
    • ストップモードの場合:4.5µA (max)
    • 低電力パワーマネージメントモード(PMM)

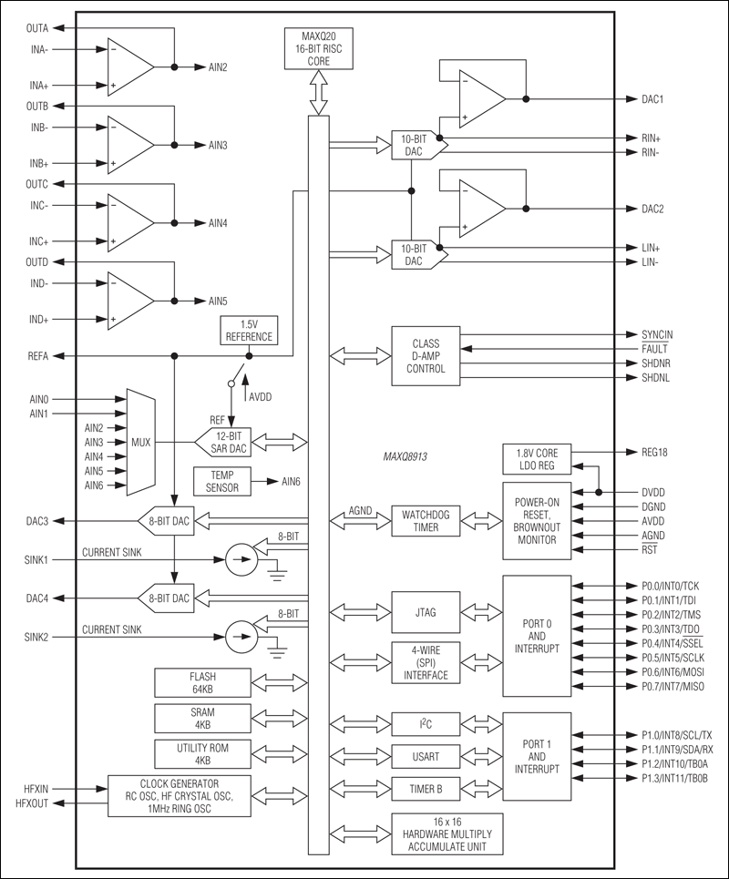
MAXQ8913は、2軸光学画像安定化(OIS)アプリケーション用の完全なソリューションとして設計されたシングルチップサーボコントローラです。このデバイスは、センサー信号、アナログ-ディジタル変換、16ビットRISCマイクロコントローラを使用するディジタルサーボアルゴリズム実装、ディジタル-アナログ変換、およびデュアルサーボアンプを含むすべての必要な要素を内蔵しています。

このデバイスは、OISアプリケーションを対象としていますが、他の多くの種類のサーボ制御でも効果的に使用することができます。MAXQ8913は、ボイスコイルおよびステッピングモーターの両方のアプリケーションをサポートしています。

MAXQ8913は、4つのオペアンプ、7チャネル12ビットADC、デュアル10ビット差動DAC、およびデュアル8ビットシングルエンドDACを内蔵しています。また、この製品は64KBのフラッシュメモリ、4KBのRAM、4KBのROM、16ビットタイマー/カウンタ、ユニバーサル非同期/同期レシーバトランスミッタ(USART)、I²Cポート、およびSPI™マスター/スレーブポートも内蔵しています。

最高の低電力性能を実現するために、このOISデバイスは、低電力スリープモード、ペリフェラルの選択的ディセーブル機能、および複数の省電力動作モードを備えています。

注:設計者はこの製品の全機能を十分に利用するために以下の資料を備える必要があります。データシートには、端子説明、機能の概要、および電気的仕様が記載されています。正誤表には公表された仕様とは異なる内容が記載されています。ユーザガイドは製品の特長および動作についての詳しい情報を提供しています。

アプリケーション

  • デジタルカメラおよび携帯電話の手ぶれ補正
  • サーボループ制御
  • スピーカドライブ付きトーン生成

MAXQ8913
オールインワンサーボループ制御用、オペアンプ、ADC、およびDAC内蔵、16ビット、ミックスドシグナルマイクロコントローラ
MAXQ8913:ブロックダイアグラム
myAnalogに追加

myAnalogの製品セクション(通知受け取り)、既存/新規プロジェクトに製品を追加する。

新規プロジェクトを作成
質問する
サポート

アナログ・デバイセズのサポート・ページはアナログ・デバイセズへのあらゆるご質問にお答えするワンストップ・ポータルです。


ドキュメント

さらに詳しく
myAnalogに追加

myAnalogのリソース・セクション、既存/新規プロジェクトにメディアを追加する。

新規プロジェクトを作成

ソフトウェア・リソース

必要なソフトウェア/ドライバが見つかりませんか?

ドライバ/ソフトウェアをリクエスト

最新のディスカッション

MAXQ8913に関するディスカッションはまだありません。意見を投稿しますか?

EngineerZone®でディスカッションを始める

最近表示した製品