MAXQ3181

低電力、アクティブエネルギ、多相AFE

マルチ機能設計の準備はまだですか?MAXQ3181はアクティブエネルギ測定を提供しますが、MAXQ3180とピンコンパチブルです!

利用上の注意

本データシートの英語以外の言語への翻訳はユーザの便宜のために提供されるものであり、リビジョンが古い場合があります。最新の内容については、必ず最新の英語版をご参照ください。

なお、日本語版のデータシートは基本的に「Rev.0」(リビジョン0)で作成されています。そのため、英語版が後に改訂され、複数製品のデータシートがひとつに統一された場合、同じ「Rev.0」の日本語版のデータシートが異なる製品のデータシートとして表示されることがあります。たとえば、「ADM3307E」の場合、日本語データシートをクリックすると「ADM3311E」が表示されます。これは、英語版のデータシートが複数の製品で共有できるように1本化され、「ADM3307E/ADM3310E/ADM3311E/ADM3312E/ADM3315E」(Rev.J)と改訂されたからで、決して誤ってリンクが張られているわけではありません。和文化されたデータシートを少しでも有効に活用していただくためにこのような方法をとっておりますので、ご了解ください。

アナログ・デバイセズ社は、提供する情報が正確で信頼できるものであることを期していますが、その情報の利用に関して、あるいはその利用によって生じる第三者の特許やその他の権利の侵害に関して一切の責任を負いません。また、アナログ・デバイセズ社の特許または特許の権利の使用を明示的または暗示的に許諾するものでもありません。仕様は予告なしに変更する場合があります。本紙記載の商標および登録商標は、各社の所有に属します。

Viewing:

製品情報

  • 3位相/3線式、3位相/4線式、およびその他の3位相サービスと互換
  • 有効電力/エネルギーのリニアリティ誤差:0.1%
  • 皮相電力/エネルギーのリニアリティ誤差:0.5%
  • RMS電圧およびRMS電流リニアリティ誤差:0.5%
  • 中性線電流測定
  • ライン周波数(Hz)
  • 力率
  • 位相シーケンス表示
  • 位相電圧不在検出
  • 設定可能なパルス幅
  • 設定可能な無負荷電流スレッショルド
  • 設定可能なメータ定数
  • 低電圧および過電圧検出用の設定可能なスレッショルド
  • 過電流検出用の設定可能なスレッショルド
  • 電圧信号の不在時のアンペア時間
  • ディジタル温度センサー内蔵
  • 高精度内部電圧リファレンス:2.048V (30ppm/℃ typ)、外部電圧リファレンスにも対応
  • 各位相および組合せ3位相の有効電力/エネルギー(kWh)、正および負
  • 各位相および組合せ3位相の皮相電力/エネルギー
  • ソフトウェアメータ較正をサポート
  • トランスデューサの非直線性を補償するための最大3ポイントのマルチポイント較正
  • パワーフェイル検出
  • 双方向のリセット入力/出力
  • 割込み要求(アクティブローIRQ)出力を備えた、SPI対応シリアルインタフェース
  • 単一電源:3.3V、低電力:35mW (typ)

MAXQ3181は、多相の電圧、電流、有効電力/エネルギー、およびその他の多くの多相負荷の電力計測パラメータを収集して計算する専用の電気測定フロントエンドです。計算結果は、外部マスターによって、内蔵シリアルペリフェラルインタフェース(SPI™)バスを通じて取り出すことができます。このバスは、外部マスターによって、MAXQ3181の動作を設定し、動作状態を監視するためにも使用されます。

MAXQ3181は、最大7つの外部差動信号ペアを測定可能な内蔵ADCを使用して、電圧と電流測定を実行します。8番目の差動信号ペアは、ダイ温度を測定するために使用されます。内蔵アンプは、電流チャネル利得を自動的に調整し、低電流チャネル信号レベルを補償します。

アプリケーション

  • 3相アクティブエネルギ電力メーター

MAXQ3181
低電力、アクティブエネルギ、多相AFE
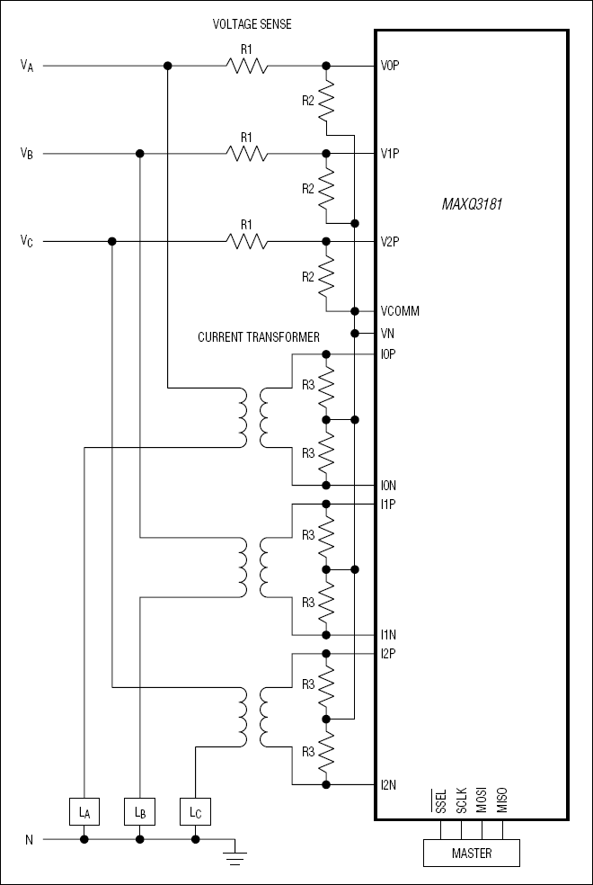
MAXQ3181:標準アプリケーション回路
myAnalogに追加

myAnalogの製品セクション(通知受け取り)、既存/新規プロジェクトに製品を追加する。

新規プロジェクトを作成
質問する
サポート

アナログ・デバイセズのサポート・ページはアナログ・デバイセズへのあらゆるご質問にお答えするワンストップ・ポータルです。


ドキュメント

信頼性データ 1

秘密保持契約(NDA)をリクエスト

技術文書一式は、秘密保持契約(NDA)の締結後にご利用いただけます。

秘密保持契約(NDA)をリクエスト
さらに詳しく
myAnalogに追加

myAnalogのリソース・セクション、既存/新規プロジェクトにメディアを追加する。

新規プロジェクトを作成

ソフトウェア・リソース

必要なソフトウェア/ドライバが見つかりませんか?

ドライバ/ソフトウェアをリクエスト

ハードウェア・エコシステム

製品モデル 製品ライフサイクル 詳細
A/Dコンバータ(ADC) 1
MAXQ3180 低電力、マルチ機能、多相AFE
Modal heading
myAnalogに追加

myAnalogの製品セクション(通知受け取り)、既存/新規プロジェクトに製品を追加する。

新規プロジェクトを作成

最新のディスカッション

MAXQ3181に関するディスカッションはまだありません。意見を投稿しますか?

EngineerZone®でディスカッションを始める

最近表示した製品