MAXQ3108

製造中止

低電力、デュアルコアマイクロコントローラ

3相メータ設計用シャントを可能にするMAXQ3108およびDS8102

利用上の注意

本データシートの英語以外の言語への翻訳はユーザの便宜のために提供されるものであり、リビジョンが古い場合があります。最新の内容については、必ず最新の英語版をご参照ください。

なお、日本語版のデータシートは基本的に「Rev.0」(リビジョン0)で作成されています。そのため、英語版が後に改訂され、複数製品のデータシートがひとつに統一された場合、同じ「Rev.0」の日本語版のデータシートが異なる製品のデータシートとして表示されることがあります。たとえば、「ADM3307E」の場合、日本語データシートをクリックすると「ADM3311E」が表示されます。これは、英語版のデータシートが複数の製品で共有できるように1本化され、「ADM3307E/ADM3310E/ADM3311E/ADM3312E/ADM3315E」(Rev.J)と改訂されたからで、決して誤ってリンクが張られているわけではありません。和文化されたデータシートを少しでも有効に活用していただくためにこのような方法をとっておりますので、ご了解ください。

アナログ・デバイセズ社は、提供する情報が正確で信頼できるものであることを期していますが、その情報の利用に関して、あるいはその利用によって生じる第三者の特許やその他の権利の侵害に関して一切の責任を負いません。また、アナログ・デバイセズ社の特許または特許の権利の使用を明示的または暗示的に許諾するものでもありません。仕様は予告なしに変更する場合があります。本紙記載の商標および登録商標は、各社の所有に属します。

Viewing:

製品情報

  • 高性能、低電力、デュアル16ビットRISCコア
  • 1MIPS/MHz近い処理能力
  • システムクロック
    • 10.027MHz (DSPCore)
    • 5.014MHz (UserCore)
  • 33の命令
  • 実行時間:約100ns (10.027MHzの場合)
  • 3つの独立したデータポインタが、自動インクリメント/デクリメントでデータ移動を高速化
  • 16ビット命令ワード、16ビットデータバス
  • 各コアに16 x 16ビット汎用ワーキングレジスタ
  • 各コアに16レベルハードウェアスタック
  • ソフトウェアスタック用のハードウェアサポート
  • メモリ機能
    • UserCore
      • 64KBフラッシュプログラムメモリ
      • 16Bバッテリバックアップ(VBAT)データSRAM
      • 4KBユーティリティROM
      • 2KBデータSRAM、合計10KBデータSRAM (DSPCoreが非アクティブの場合)
    • DSPCore
      • 8KBユーザローダブルSRAMコードメモリ
      • 1KBデータSRAM
  • ペリフェラル
    • FLL (32kHz入力で10MHz出力)
    • SPIマスタ、I²Cマスタ
    • 2つのUARTチャネル(1つはIRキャリア変調対応)
    • 各コアに数値演算アクセラレータ
    • 3つのマンチェスタデコーダとCubic Sincフィルタチャネルによって、DS8102デルタ-シグマ変調器とインタフェース
    • 2つの16ビット設定可能なタイマー/カウンタ
    • アラームおよびディジタルトリムを備えたRTC、専用バッテリバックアップ端子(VBAT)
    • 2つの設定可能なパルス生成器
    • 各コアに個別のウォッチドッグタイマ
    • 外部割込み
    • JTAGインタフェース
  • 動作モード
    • ストップモード:0.1µA (typ)
    • アクティブ電流(10MHz、VDD = 2.0Vの場合):1.0mA (typ)

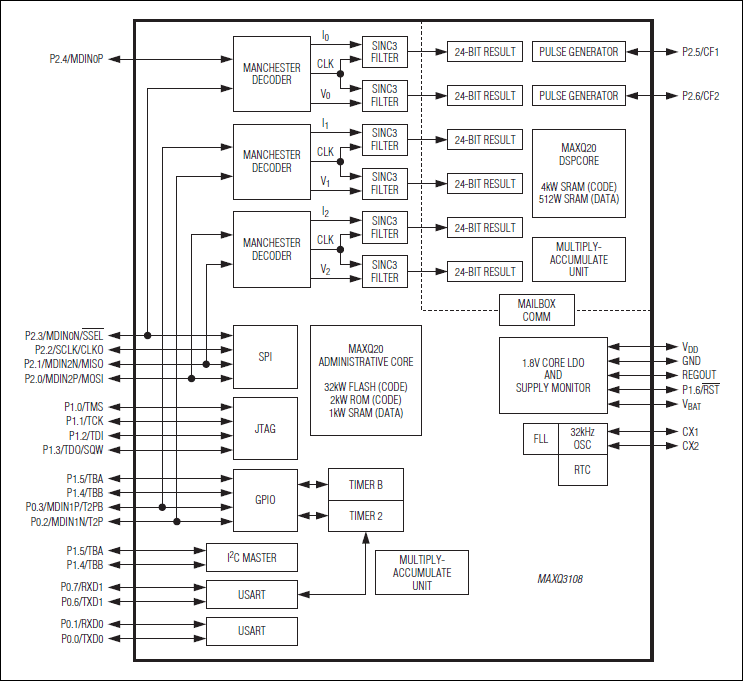
MAXQ3108は、集中データ処理用の専用コア(DSPCore)および監視機能用のユーザコア(UserCore)から成る2つの高性能MAXQ20コアを備えた低電力マイクロコントローラです。これら2つのコアは、異なるクロック速度で動作することができるため、集中アプリケーションを処理する場合でも、システムの消費電力を抑えることができます。DSPCoreが最高速度で動作しながら、UserCoreがペリフェラルの通信アクティビティの監視に可能な最低クロックレートで動作するよう設定することができます。各コアは、独立した数値演算アクセラレータ(乗算/積算ユニット)へのアクセス権を備えています。UserCoreは、SPI™、I²C、2つのUARTチャネル(1チャネルはIRキャリア変調対応)、トリム可能なリアルタイムクロック(RTC)、バッテリバックアップRTCレジスタ、およびデータメモリをサポートしています。DSPCoreは、完全にユーザ設定可能および構成可能です。標準的な32,768Hzの水晶を使用した場合、DSPCoreは10.027MHzで動作し、UserCoreは5.014MHzで動作します。

注:設計者はこの製品の全機能を十分に利用するために以下の資料を備える必要があります。データシートには、端子説明、機能の概要、および電気的仕様が記載されています。正誤表には公表された仕様とは異なる内容が記載されています。ユーザガイドは製品の特長および動作についての詳しい情報を提供しています。

MAXQ3108
低電力、デュアルコアマイクロコントローラ
MAXQ3108:ブロックダイアグラム
myAnalogに追加

myAnalogの製品セクション(通知受け取り)、既存/新規プロジェクトに製品を追加する。

新規プロジェクトを作成
質問する
サポート

アナログ・デバイセズのサポート・ページはアナログ・デバイセズへのあらゆるご質問にお答えするワンストップ・ポータルです。


ドキュメント

ユーザ・ガイド 1

秘密保持契約(NDA)をリクエスト

技術文書一式は、秘密保持契約(NDA)の締結後にご利用いただけます。

秘密保持契約(NDA)をリクエスト
さらに詳しく
myAnalogに追加

myAnalogのリソース・セクション、既存/新規プロジェクトにメディアを追加する。

新規プロジェクトを作成

ソフトウェア・リソース

必要なソフトウェア/ドライバが見つかりませんか?

ドライバ/ソフトウェアをリクエスト

ハードウェア・エコシステム

製品モデル 製品ライフサイクル 詳細
変調器 & 復調器 1
DS8102 製造中止 デュアルデルタ-シグマ変調器およびエンコーダ
Modal heading
myAnalogに追加

myAnalogの製品セクション(通知受け取り)、既存/新規プロジェクトに製品を追加する。

新規プロジェクトを作成

最新のディスカッション

MAXQ3108に関するディスカッションはまだありません。意見を投稿しますか?

EngineerZone®でディスカッションを始める

最近表示した製品