MAX1327

526ksps、シングルチャネル、14ビット、パラレルインタフェースADC

利用上の注意

本データシートの英語以外の言語への翻訳はユーザの便宜のために提供されるものであり、リビジョンが古い場合があります。最新の内容については、必ず最新の英語版をご参照ください。

なお、日本語版のデータシートは基本的に「Rev.0」(リビジョン0)で作成されています。そのため、英語版が後に改訂され、複数製品のデータシートがひとつに統一された場合、同じ「Rev.0」の日本語版のデータシートが異なる製品のデータシートとして表示されることがあります。たとえば、「ADM3307E」の場合、日本語データシートをクリックすると「ADM3311E」が表示されます。これは、英語版のデータシートが複数の製品で共有できるように1本化され、「ADM3307E/ADM3310E/ADM3311E/ADM3312E/ADM3315E」(Rev.J)と改訂されたからで、決して誤ってリンクが張られているわけではありません。和文化されたデータシートを少しでも有効に活用していただくためにこのような方法をとっておりますので、ご了解ください。

アナログ・デバイセズ社は、提供する情報が正確で信頼できるものであることを期していますが、その情報の利用に関して、あるいはその利用によって生じる第三者の特許やその他の権利の侵害に関して一切の責任を負いません。また、アナログ・デバイセズ社の特許または特許の権利の使用を明示的または暗示的に許諾するものでもありません。仕様は予告なしに変更する場合があります。本紙記載の商標および登録商標は、各社の所有に属します。

Viewing:

製品情報

  • 14ビットADC
    526ksps
    ±2 LSB INL、±1 LSB DNL、ミッシングコードなし
    90dBc SFDR、-86dBc THD、76.5dB SINAD、77dB SNR (100kHz入力時)
  • 1.6µsの高速変換時間
  • フレキシブルな入力範囲
    0~+5V (MAX1319)
    ±5V (MAX1323)
    ±10V (MAX1327)
  • キャリブレーション不要
  • 14ビット、高速、パラレルインタフェース
  • 内部または外部クロック
  • 内部(+2.5V)または外部(+2.0V~+3.0V)リファレンス
  • +5Vのアナログ電源、+3V~+5Vのデジタル電源
    アナログ電源消費電流:32mA (typ)
    デジタル電源消費電流:550µA (typ)
    シャットダウンおよび省電力モード
  • 48ピンTQFPパッケージ(7mm x 7mmの実装面積)
  • MAX1319/MAX1323/MAX1327は、ミッシングコードなしで±2 LSB INLおよび±1 LSB DNLを備えるシングルチャネル、14ビット、526kspsアナログ-ディジタルコンバータ(ADC)です。MAX1323は、入力耐圧が±16.5Vの±5Vの入力範囲を備えています。MAX1327は入力耐圧が±16.5Vの±10Vの入力範囲、MAX1319は入力耐圧が±6.0Vの0~+5Vの入力範囲を備えています。その他の特長として、10MHzのトラック/ホールド(T/H)入力帯域幅、内部クロック、内部(+2.5V)または外部(+2.0V~+3.0V)リファレンス、およびシャットダウンモードなどがあります。

    16.6MHz、14ビット、パラレルインタフェースは変換結果を出力し、ディジタル設定入力を受け付けます。これらのデバイスは+4.75V~+5.25Vのアナログ電源と、それとは独立した+2.7V~+5.25Vのディジタル電源で動作し、総消費電流は35mA以下です。マルチチャネルアプリケーションの場合は、MAX1316~MAX1318/MAX1320~MAX1322/MAX1324~MAX1326のデータシートを参照してください。

    これらのデバイスは48ピン、TQFPパッケージで提供され、-40℃~+85℃の拡張温度範囲で動作します。

    アプリケーション

    • データ収集システム
    • 産業用プロセス制御およびオートメーション
    • 振動および波形分析

    MAX1327
    526ksps、シングルチャネル、14ビット、パラレルインタフェースADC
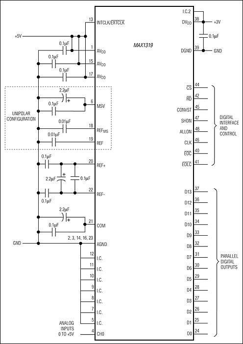
    MAX1319、MAX1323、MAX1327:標準動作回路
    myAnalogに追加

    myAnalogの製品セクション(通知受け取り)、既存/新規プロジェクトに製品を追加する。

    新規プロジェクトを作成
    質問する
    サポート

    アナログ・デバイセズのサポート・ページはアナログ・デバイセズへのあらゆるご質問にお答えするワンストップ・ポータルです。


    ドキュメント

    さらに詳しく
    myAnalogに追加

    myAnalogのリソース・セクション、既存/新規プロジェクトにメディアを追加する。

    新規プロジェクトを作成

    ソフトウェア・リソース

    必要なソフトウェア/ドライバが見つかりませんか?

    ドライバ/ソフトウェアをリクエスト

    評価用キット

    MAX1320EVKIT

    MAX1316、MAX1317、MAX1318、MAX1319、MAX1320、MAX1321、MAX1322、MAX1323、MAX1324、MAX1325、MAX1326、およびMAX1327の評価キット/評価システム

    機能と利点

    • 実証済みのPCBレイアウト
    • Windows® 98/2000/XP対応評価ソフトウェア付属
    • 全入力チャネルにバッファ装備
    • ヘッダによってEVシステムをロジックアナライザに接続
    • 完全実装および試験済み

    製品詳細

    MAX1320の評価システム(EVシステム)は、8チャネル、14ビットの総合データ収集システム(DAS)です。MAX1320のEVシステム(MAX1320EVB16)は、MAX1320評価キット(EVキット)とマキシムのマイクロコントローラ(µC)モジュール68HC16MOD-16WIDEから構成されています。ユーザがパラレルバスコントローラを保有しているか、または68HC16MOD-16WIDE µCモジュールを購入済みの場合は、EVキット(MAX1320EVKIT)を注文してください。

    MAX1320のEVキットを使って、外部システムクロックを備えるMAX1320を評価することができます。このモードでは、68HC16MOD-16WIDE基板を使用することはできず、ユーザはパラレルインタフェースを調達する必要があります。

    このEVキットには、MAX1320ECMが実装されています。ピンコンパチブルのMAX1316ECM~MAX1319ECMおよびMAX1321ECM~MAX1327ECMの評価には、無料サンプルを請求してください。

    アプリケーション

    • マルチフェーズモータ制御
    • 力率監視および補正
    • パワーグリッド同期
    • 振動および波形分析

    MAX1320EVKIT
    MAX1316、MAX1317、MAX1318、MAX1319、MAX1320、MAX1321、MAX1322、MAX1323、MAX1324、MAX1325、MAX1326、およびMAX1327の評価キット/評価システム

    最新のディスカッション

    MAX1327に関するディスカッションはまだありません。意見を投稿しますか?

    EngineerZone®でディスカッションを始める

    最近表示した製品