MAX11358B

製造中止

ADC、DAC、UPIO、RTC、電圧モニタ、および温度センサー内蔵、16ビットデータ収集システム

バッテリ駆動およびポータブルアプリケーション用、業界最高集積、低コストスマートデータ収集システム(DAS)

利用上の注意

本データシートの英語以外の言語への翻訳はユーザの便宜のために提供されるものであり、リビジョンが古い場合があります。最新の内容については、必ず最新の英語版をご参照ください。

なお、日本語版のデータシートは基本的に「Rev.0」(リビジョン0)で作成されています。そのため、英語版が後に改訂され、複数製品のデータシートがひとつに統一された場合、同じ「Rev.0」の日本語版のデータシートが異なる製品のデータシートとして表示されることがあります。たとえば、「ADM3307E」の場合、日本語データシートをクリックすると「ADM3311E」が表示されます。これは、英語版のデータシートが複数の製品で共有できるように1本化され、「ADM3307E/ADM3310E/ADM3311E/ADM3312E/ADM3315E」(Rev.J)と改訂されたからで、決して誤ってリンクが張られているわけではありません。和文化されたデータシートを少しでも有効に活用していただくためにこのような方法をとっておりますので、ご了解ください。

アナログ・デバイセズ社は、提供する情報が正確で信頼できるものであることを期していますが、その情報の利用に関して、あるいはその利用によって生じる第三者の特許やその他の権利の侵害に関して一切の責任を負いません。また、アナログ・デバイセズ社の特許または特許の権利の使用を明示的または暗示的に許諾するものでもありません。仕様は予告なしに変更する場合があります。本紙記載の商標および登録商標は、各社の所有に属します。

Viewing:

製品情報

  • 単一電源動作:+1.8V~+3.6V
  • マルチチャネル16ビットシグマ-デルタADC
    • 設定可能な変換レート:10sps~477sps
    • 自己/システムオフセットおよび利得較正
    • 1、2、4、または8の利得を持つPGA
    • ユニポーラ/バイポーラモード
    • 10入力差動マルチプレクサ
  • 10ビットのフォース/センスDAC
  • 汎用オペアンプ
  • デュアルSPDTおよびSPSTアナログスイッチ
  • 選択可能なリファレンス
    • 1.25V、2.048V、および2.5V
  • チャージポンプ内蔵
  • システムサポート
    • RTCおよびAlarmレジスタ
    • 内部/外部温度センサー
    • クロック出力を備えた発振器内蔵
    • ユーザー設定可能なI/Oおよび割込み発生器
    • VDDモニタ
  • SPI/QSPI/MICROWIRE対応の4線式シリアルインタフェース
  • 省スペース、6mm x 6mm x 0.8mmの40ピンTQFNパッケージ

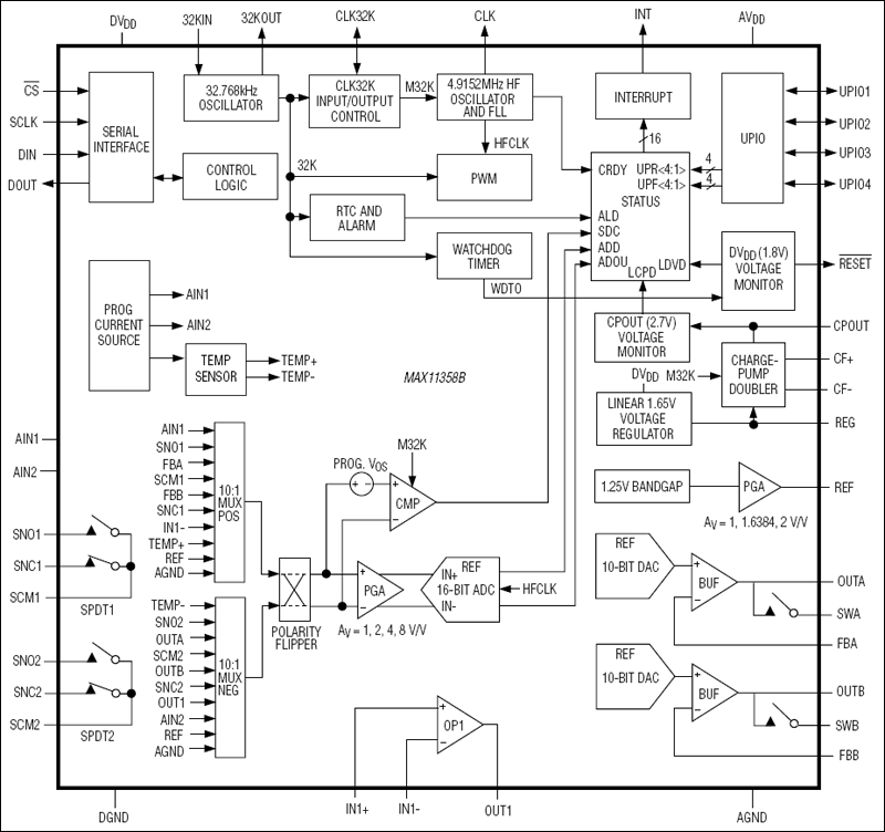
スマートデータ収集システム(DAS)のMAX11358Bは、16ビットのシグマ-デルタアナログ-ディジタルコンバータ(ADC)、およびマイクロプロセッサ(µP)ベースシステム用のシステムサポート機能をベースにしています。このデバイスは、単一チップにADC、DAC、オペアンプ、内部選択可能な電圧リファレンス、温度センサー、アナログスイッチ、32kHz発振器、アラームを備えたリアルタイムクロック(RTC)、高周波数ロックループ(FLL)クロック、4つのユーザー設定可能なI/O、割込み発生器、および1.8V/2.7Vの電圧モニタを集積しています。

MAX11358Bは、0~AVDDの信号レベルを受け入れるデュアル10:1差動入力マルチプレクサ(mux)を備えています。内蔵の1x~8xのプログラマブルゲインアンプ(PGA)は、低レベル信号を測定し、必要な外部回路を減らします。

MAX11358Bは、+1.8V~+3.6Vの単一電源で動作し、消費電流はわずか1.15mA (通常モード)および3µA (スリープモード)となります。MAX11358Bは、1つの汎用オペアンプを備えた2つのDACを内蔵しています。

シリアルインタフェースは、SPI™/QSPI™またはMICROWIRE™のいずれにも対応しており、起動、設定、および全機能ブロックのステータスのチェックに使用されます。

MAX11358Bは、省スペースの40ピンTQFNパッケージで提供され、民生用温度範囲(0℃~+70℃)および拡張温度範囲(-40℃~+85℃)が保証されています。

アプリケーション

  • バッテリ駆動およびポータブル機器
  • データ収集システム
  • 電気化学および光センサー
  • 産業用制御
  • 医療用機器

MAX11358B
ADC、DAC、UPIO、RTC、電圧モニタ、および温度センサー内蔵、16ビットデータ収集システム
MAX11358B:ファンクションダイアグラム
myAnalogに追加

myAnalogの製品セクション(通知受け取り)、既存/新規プロジェクトに製品を追加する。

新規プロジェクトを作成
質問する
サポート

アナログ・デバイセズのサポート・ページはアナログ・デバイセズへのあらゆるご質問にお答えするワンストップ・ポータルです。

さらに詳しく
myAnalogに追加

myAnalogのリソース・セクション、既存/新規プロジェクトにメディアを追加する。

新規プロジェクトを作成

ハードウェア・エコシステム

製品モデル 製品ライフサイクル 詳細
ADC/DACコンボ・コンバータ 4
MAX1414 製造中 リファレンス内蔵、低電力、16ビットマルチチャネルDAS、10ビットDACおよびRTC
MAX1409 製造中止 リファレンス内蔵、低電力、16ビットマルチチャネルDAS、10ビットDACおよびRTC
MAX1408 製造中止 リファレンス内蔵、低電力、16ビットマルチチャネルDAS、10ビットDACおよびRTC
MAX1407 製造中 リファレンス内蔵、低電力、16ビットマルチチャネルDAS、10ビットDACおよびRTC
Modal heading
myAnalogに追加

myAnalogの製品セクション(通知受け取り)、既存/新規プロジェクトに製品を追加する。

新規プロジェクトを作成

最新のディスカッション

MAX11358Bに関するディスカッションはまだありません。意見を投稿しますか?

EngineerZone®でディスカッションを始める

最近表示した製品