LTC4312
製造中ピンで選択可能なバス・バッファ付き2チャネル、2線マルチプレクサ
- 製品モデル
- 8
- 1Ku当たりの価格
- 最低価格:$2.36
製品情報
- 2線バス用の1:2マルチプレクサ/スイッチ
- SDAラインおよびSCLライン用の双方向バッファ
- VIL = 0.3•VCCの大きなノイズ・マージン
- SDAラインとSCL ラインをENABLEピンで接続
- 立ち上がり時間アクセラレータの電流および作動電圧を選択可能
- 1.5V、1.8V、2.5V、3.3Vおよび5Vバスのレベルシフト
- バックプレーンに対する基板の活線挿抜時のSDAとSCLの破損防止
- スタックバスの切断および復旧
- I2C、I2C Fast ModeおよびSMBusに準拠
- ±4kV人体モデル(HBM) ESD耐性
- 14ピン4mm × 3mm DFNおよび16ピンMSOPパッケージ
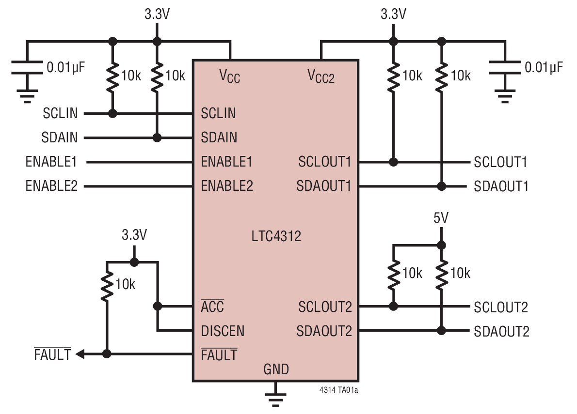
LTC4312は、あらゆる組み合わせの下り方向バスまたはチャネルに1本の上り方向バスを接続可能にする、ホットスワップ可能な2チャネル、2線バス・マルチプレクサです。それぞれの接続を個別のイネーブル・ピンで制御します。LTC4312は双方向バッファリングを行い、上り方向バス容量を下り方向バス容量から絶縁された状態に保ちます。LTC4312はノイズ・マージンが大きいので、高いVOL (>0.4V)をドライブするI2Cデバイスと組み合わせて使うことができます。LTC4312は1.5V、1.8V、2.5V、3.3Vおよび5Vバス間のレベル変換をサポートしています。また、ホットスワップ可能なので、電源の入ったバックプレーンに対するI/Oカードの挿入/引抜き時にデータ・バスやクロック・バスの破損を防ぐことができます。
45msの間、データとクロックの両方が一度も同時に“H”にならず、DISCEN が“H”の場合、FAULT信号が生成され、バスが“L”にスタックした状態であることを知らせます。次いで、イネーブルされたすべての出力チャネルからその入力を切り離し、イネーブルされた下り方向バスに最多16クロックを生成します。スリーステートのACCピンにより、入力側および出力側の立ち上がり時間アクセラレータの強度を制御可能で、VIL,RISING電圧を設定します。
アプリケーション
- ATCAなどの通信システム
- アドレス拡張
- レベル変換器
- 容量バッファ/バス・エクステンダ
- 基板の活線挿入
- PMBus
ドキュメント
データシート 2
信頼性データ 1
技術記事 1
ビデオ 3
製品セレクタ・カード 2
プレス・リリース 1
| 製品モデル | ピン/パッケージ図 | 資料 | CADシンボル、フットプリント、および3Dモデル |
|---|---|---|---|
| LTC4312CDE#PBF | 14-Lead DFN (4mm x 3mm w/ EP) | ||
| LTC4312CDE#TRPBF | 14-Lead DFN (4mm x 3mm w/ EP) | ||
| LTC4312CMS#PBF | 16-Lead MSOP | ||
| LTC4312CMS#TRPBF | 16-Lead MSOP | ||
| LTC4312IDE#PBF | 14-Lead DFN (4mm x 3mm w/ EP) | ||
| LTC4312IDE#TRPBF | 14-Lead DFN (4mm x 3mm w/ EP) | ||
| LTC4312IMS#PBF | 16-Lead MSOP | ||
| LTC4312IMS#TRPBF | 16-Lead MSOP |
| 製品モデル | 製品ライフサイクル | PCN |
|---|---|---|
|
1 20, 2022 - 21_0269 Addition of Alternate Assembly Site ASE Taiwan for Select LFCSP Products |
||
| LTC4312CDE#PBF | 製造中 | |
| LTC4312CDE#TRPBF | 製造中 | |
| LTC4312IDE#PBF | 製造中 | |
| LTC4312IDE#TRPBF | 製造中 | |
|
6 5, 2024 - 24_0003 Epoxy Change from Henkel 8290 to 8290A for MSOP Package (2) |
||
| LTC4312CMS#PBF | 製造中 | |
| LTC4312CMS#TRPBF | 製造中 | |
| LTC4312IMS#PBF | 製造中 | |
| LTC4312IMS#TRPBF | 製造中 | |
|
2 4, 2020 - 20_0132 Laser Top Mark for 16-Lead MSOP Packages Assembled in ADPG and UTAC |
||
| LTC4312CMS#PBF | 製造中 | |
| LTC4312CMS#TRPBF | 製造中 | |
| LTC4312IMS#PBF | 製造中 | |
| LTC4312IMS#TRPBF | 製造中 | |
これは最新改訂バージョンのデータシートです。
ソフトウェア・リソース
必要なソフトウェア/ドライバが見つかりませんか?
ドライバ/ソフトウェアをリクエストハードウェア・エコシステム
| 製品モデル | 製品ライフサイクル | 詳細 |
|---|---|---|
| インターフェース・トランシーバ & アイソレータ 1 | ||
| LTM2883 | 製造中 | ±12.5Vおよび5Vの可変安定化電源を備えたSPI/デジタルまたはI2C対応のμModuleアイソレータ |