LTC1850

製造中

8チャネル、10ビット/12ビット、1.25MspsサンプリングADC

利用上の注意

本データシートの英語以外の言語への翻訳はユーザの便宜のために提供されるものであり、リビジョンが古い場合があります。最新の内容については、必ず最新の英語版をご参照ください。

なお、日本語版のデータシートは基本的に「Rev.0」(リビジョン0)で作成されています。そのため、英語版が後に改訂され、複数製品のデータシートがひとつに統一された場合、同じ「Rev.0」の日本語版のデータシートが異なる製品のデータシートとして表示されることがあります。たとえば、「ADM3307E」の場合、日本語データシートをクリックすると「ADM3311E」が表示されます。これは、英語版のデータシートが複数の製品で共有できるように1本化され、「ADM3307E/ADM3310E/ADM3311E/ADM3312E/ADM3315E」(Rev.J)と改訂されたからで、決して誤ってリンクが張られているわけではありません。和文化されたデータシートを少しでも有効に活用していただくためにこのような方法をとっておりますので、ご了解ください。

アナログ・デバイセズ社は、提供する情報が正確で信頼できるものであることを期していますが、その情報の利用に関して、あるいはその利用によって生じる第三者の特許やその他の権利の侵害に関して一切の責任を負いません。また、アナログ・デバイセズ社の特許または特許の権利の使用を明示的または暗示的に許諾するものでもありません。仕様は予告なしに変更する場合があります。本紙記載の商標および登録商標は、各社の所有に属します。

Viewing:

製品情報

  • 柔軟な8チャネル・マルチプレクサ 
  • シングルエンドまたは差動入力 
  • 2つの利得範囲、ユニポーラおよびバイポーラ動作 
  • 1.25Mspsのサンプリング・レート 
  • 単一5V電源と40mWの消費電力 
  • スキャン・モードおよびプログラマブル・シーケンサ 
  • ピン・コンパチブルな10ビットLTC1850と12ビットLTC1851 
  • 真の差動入力により、同相ノイズを除去 
  • 2.5Vリファレンスを内蔵 
  • MUXアドレスを含むパラレル出力 
  • 3Vロジックに容易にインターフェイス可能 
  • ナップとスリープのシャットダウン・モード 

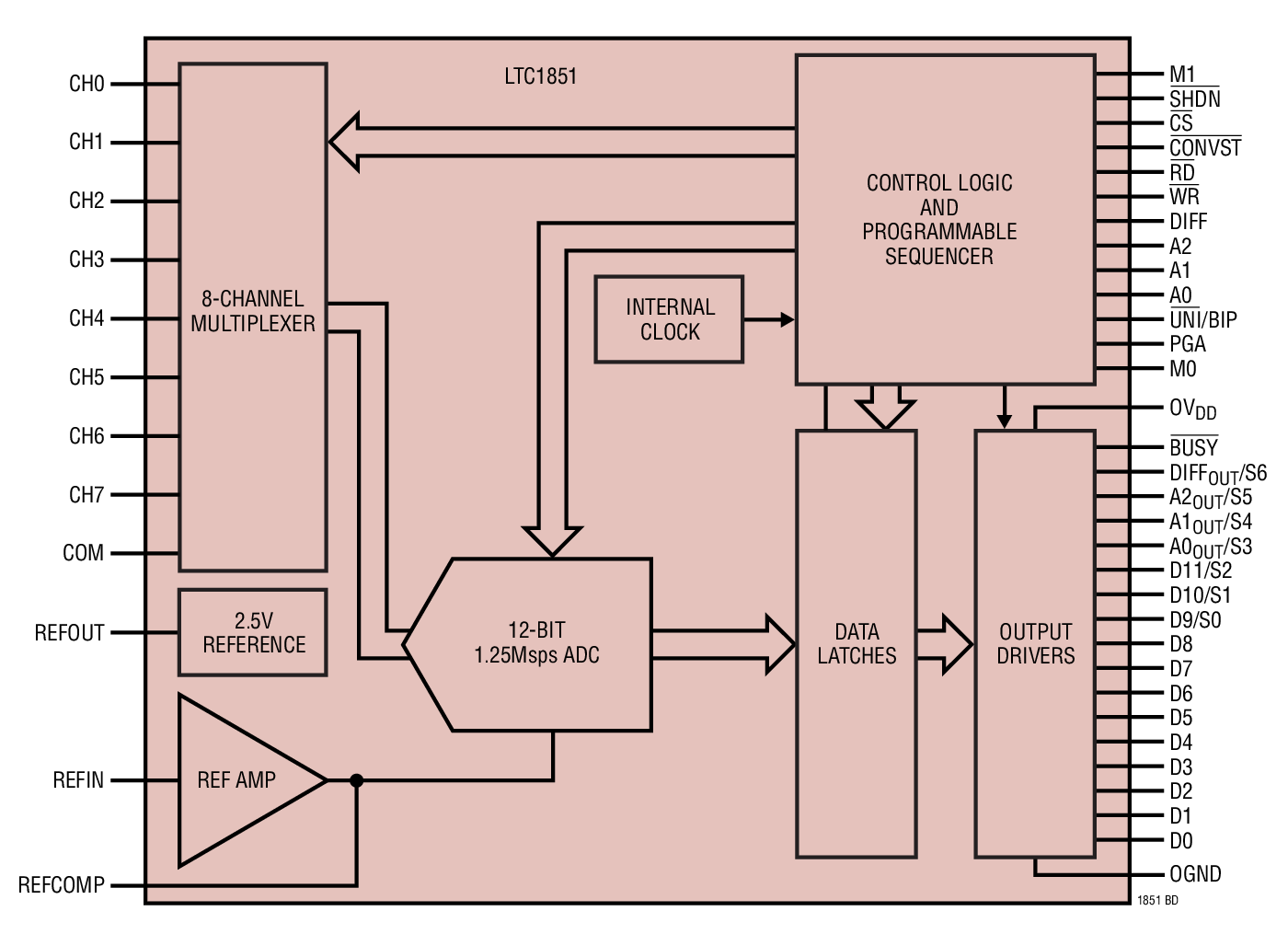
10ビットのLTC1850と12ビットのLTC1851は、 完全な8チャネル・データ収集システムです。柔軟性の高い8 チャネル・マルチプレクサ、 サンプル・ホールド付き 1.25Msps逐次比較型アナログ-デジタル・コンバータ 、 2.5Vリファレンスおよびリファレンス・バッファ・アンプ、パラレル出力インターフェイスを内蔵していま す。 マルチプレクサは、シングルエンドまたは差動入力、2つの利得範囲、およびユニポーラまたはバイポー ラ動作用に構成可能です。

これらのADCは、8つのマルチプレクサ・チャネルすべてにわたって繰り返しサイクリングするスキャン・モー ドを備えており、 連続してスキャン可能な最大16のアドレスおよび構成のシーケンスでプログラム可能です。 シーケンス・メモリはリードバックもできます。 リファレンスおよびバッファ・アンプは、4.096V、2.5V、 2.048Vの範囲でピン・ストラップ可能です。パラレル出力には、10ビットまたは12ビットの変換結果と4ビット のマルチプレクサ・アドレスが含まれています。 デジタル出力は個別の電源から電力を得るので、3Vデジタル ・ロジックに容易にインターフェイス可能です。 標準消費電力は、単一5V電源動作時に1.25Mspsで40mWです。


アプリケーション

  • 高速データ収集
  • 試験および測定
  • 画像処理システム
  • テレコム
  • 産業用プロセス制御
  • スペクトラム分析

LTC1850
8チャネル、10ビット/12ビット、1.25MspsサンプリングADC
Integral Linearity, LTC1851 Product Package 1 Product Package 2
myAnalogに追加

myAnalogの製品セクション(通知受け取り)、既存/新規プロジェクトに製品を追加する。

新規プロジェクトを作成
質問する
サポート

アナログ・デバイセズのサポート・ページはアナログ・デバイセズへのあらゆるご質問にお答えするワンストップ・ポータルです。


ドキュメント

データシート

これは最新改訂バージョンのデータシートです。

さらに詳しく
myAnalogに追加

myAnalogのリソース・セクション、既存/新規プロジェクトにメディアを追加する。

新規プロジェクトを作成

ソフトウェア・リソース

必要なソフトウェア/ドライバが見つかりませんか?

ドライバ/ソフトウェアをリクエスト

最新のディスカッション

最近表示した製品