LTC1283

最終販売

3Vシングルチップ10ビットデータ・アクイジション・システム

利用上の注意

本データシートの英語以外の言語への翻訳はユーザの便宜のために提供されるものであり、リビジョンが古い場合があります。最新の内容については、必ず最新の英語版をご参照ください。

なお、日本語版のデータシートは基本的に「Rev.0」(リビジョン0)で作成されています。そのため、英語版が後に改訂され、複数製品のデータシートがひとつに統一された場合、同じ「Rev.0」の日本語版のデータシートが異なる製品のデータシートとして表示されることがあります。たとえば、「ADM3307E」の場合、日本語データシートをクリックすると「ADM3311E」が表示されます。これは、英語版のデータシートが複数の製品で共有できるように1本化され、「ADM3307E/ADM3310E/ADM3311E/ADM3312E/ADM3315E」(Rev.J)と改訂されたからで、決して誤ってリンクが張られているわけではありません。和文化されたデータシートを少しでも有効に活用していただくためにこのような方法をとっておりますので、ご了解ください。

アナログ・デバイセズ社は、提供する情報が正確で信頼できるものであることを期していますが、その情報の利用に関して、あるいはその利用によって生じる第三者の特許やその他の権利の侵害に関して一切の責任を負いません。また、アナログ・デバイセズ社の特許または特許の権利の使用を明示的または暗示的に許諾するものでもありません。仕様は予告なしに変更する場合があります。本紙記載の商標および登録商標は、各社の所有に属します。

Viewing:

製品情報

  • 単一3.3Vまたは±3.3V動作が可能 
  • ソフトウェア・プログラマブル機能:
    • ユニポーラ/バイポーラ変換選択機能
    • 4組の差動入力/8組のシングルエンド入力およびその組合せが可能
    • MSBファースト、LSBファーストいずれも可能
    • データ・ワード長プログラム可能 
  • サンプル&ホールド内蔵 
  • 4本のみのラインで大部分のMPUシリアルポート、およびすべてのMPUパラレル・ポートに直接インタフェース可能 
  • 最大15kHzのスループット・レート

H(メタルキャン)、J(セラミック)、K(メタルキャン)パッケージではすでに廃品になっています。

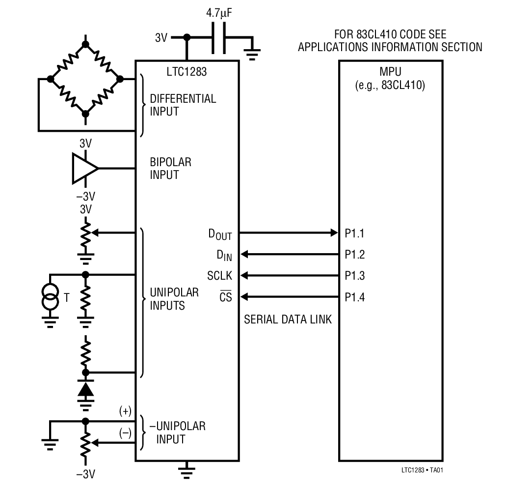
LTC1283はシリアルI/O逐次比較型A/Dコンバータを基本とした3Vデータ・アクイジション・システムです。LTCMOSスイッチト・キャパシタ・テクノロジーを用い、10ビットのユニポーラ、または9ビットおよび符号のバイポーラA/D変換のどちらでも実行できます。8チャネル入力のマルチプレクサはシングルエンド、または差動入力(あるいはそれらの組合せ)のどちらでも構成できます。チップに組み込まれたサンプル&ホールドがすべてのシングルエンド入力チャネルに対応します。

シリアルI/Oは標準的なフルデュプレックス・シリアル・インタフェースに適合するように設計されています。MSB、LSBファーストのどちらも可能で、バイポーラ・モードでは2の補数出力コードを自動的に与えます。出力データ・ワードは8、10、12、または16ビット長にプログラム可能です。これによりシフト・レジスタと多様なプロセッサとの接続を容易にします。

LTC1283AおよびLTC1283の両デバイスとも±0.5LSB以下のオフセットおよび直線性誤差で規定されています。LTC1283Aの利得誤差限界は±1LSBです。LTC1283は利得が可変かあまり重要でないアプリケーション用に、±2LSBの直線性誤差限界で規定されています。


アプリケーション

  • 最小保証電源電圧: 3V 
  • 分解能: 10ビット 
  • オフセット誤差: ±0.5LSB(MAX) 
  • 直線性誤差: ±0.5LSB(MAX) 
  • 利得誤差(LT1283A): ±1LSB(MAX) 
  • 変換時間: 44μs 
  • 消費電流: 350μA(MAX)、150μA(TYP) 

LTC1283
3Vシングルチップ10ビットデータ・アクイジション・システム
Linearity Plot Product Package 1
myAnalogに追加

myAnalogの製品セクション(通知受け取り)、既存/新規プロジェクトに製品を追加する。

新規プロジェクトを作成
質問する
サポート

アナログ・デバイセズのサポート・ページはアナログ・デバイセズへのあらゆるご質問にお答えするワンストップ・ポータルです。


ドキュメント

データシート 1

信頼性データ 1

データシート

これは最新改訂バージョンのデータシートです。

さらに詳しく
myAnalogに追加

myAnalogのリソース・セクション、既存/新規プロジェクトにメディアを追加する。

新規プロジェクトを作成

ソフトウェア・リソース

必要なソフトウェア/ドライバが見つかりませんか?

ドライバ/ソフトウェアをリクエスト

ハードウェア・エコシステム

製品モデル 製品ライフサイクル 詳細
インターフェース・トランシーバ & アイソレータ 1
LTM2883 製造中 ±12.5Vおよび5Vの可変安定化電源を備えたSPI/デジタルまたはI2C対応のμModuleアイソレータ
Modal heading
myAnalogに追加

myAnalogの製品セクション(通知受け取り)、既存/新規プロジェクトに製品を追加する。

新規プロジェクトを作成

最新のディスカッション

最近表示した製品