HMC917

製造中止

x4 Active Multiplier SMT, 6 - 10 GHz Fout

Viewing:

製品情報

  • Output Power: 2 dBm
  • Spurious Suppression:
    >20 dBc
  • SSB Phase Noise: -148 dBc/Hz @ 100 kHz Offset
  • Single Supply: +5V @ 91 mA
  • 16 Lead 3x3mm SMT Package: 9mm²

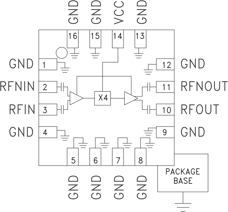
The HMC917LP3E is an active x4 frequency multiplier housed in a 3x3 mm leadless QFN surface mount package. Power output is 2 dBm typical from a single +5V supply and varies little vs. input power, temperature and supply voltage. Suppression of undesired fundamental and spurious is 20 dBc typical with respect to output signal level. The low additive SSB phase noise of -148 dBc/Hz at 100 kHz offset helps the user maintain good system noise performance. The HMC917LP3E is ideal for use in LO multiplier chains allowing reduced parts count versus traditional approaches.

Applications

  • Microwave Radio & VSAT
  • Military Radios, Radar & ECM
  • Test Instrumentation

HMC917
x4 Active Multiplier SMT, 6 - 10 GHz Fout
hmc917lp3_fbl
myAnalogに追加

myAnalogの製品セクション(通知受け取り)、既存/新規プロジェクトに製品を追加する。

新規プロジェクトを作成
質問する
サポート

アナログ・デバイセズのサポート・ページはアナログ・デバイセズへのあらゆるご質問にお答えするワンストップ・ポータルです。


ドキュメント

製造中止品のデータシート 1

データシート

これは最新改訂バージョンのデータシートです。

さらに詳しく
myAnalogに追加

myAnalogのリソース・セクション、既存/新規プロジェクトにメディアを追加する。

新規プロジェクトを作成

ソフトウェア・リソース

必要なソフトウェア/ドライバが見つかりませんか?

ドライバ/ソフトウェアをリクエスト

評価用キット

EVAL-HMC917LP3E
HMC917LP3E Evaluation Board

最新のディスカッション

最近表示した製品