HMC910

最終販売

アナログ時間遅延、広帯域、SMT、DC~24GHz

利用上の注意

本データシートの英語以外の言語への翻訳はユーザの便宜のために提供されるものであり、リビジョンが古い場合があります。最新の内容については、必ず最新の英語版をご参照ください。

なお、日本語版のデータシートは基本的に「Rev.0」(リビジョン0)で作成されています。そのため、英語版が後に改訂され、複数製品のデータシートがひとつに統一された場合、同じ「Rev.0」の日本語版のデータシートが異なる製品のデータシートとして表示されることがあります。たとえば、「ADM3307E」の場合、日本語データシートをクリックすると「ADM3311E」が表示されます。これは、英語版のデータシートが複数の製品で共有できるように1本化され、「ADM3307E/ADM3310E/ADM3311E/ADM3312E/ADM3315E」(Rev.J)と改訂されたからで、決して誤ってリンクが張られているわけではありません。和文化されたデータシートを少しでも有効に活用していただくためにこのような方法をとっておりますので、ご了解ください。

アナログ・デバイセズ社は、提供する情報が正確で信頼できるものであることを期していますが、その情報の利用に関して、あるいはその利用によって生じる第三者の特許やその他の権利の侵害に関して一切の責任を負いません。また、アナログ・デバイセズ社の特許または特許の権利の使用を明示的または暗示的に許諾するものでもありません。仕様は予告なしに変更する場合があります。本紙記載の商標および登録商標は、各社の所有に属します。

Viewing:

製品情報

  • 超広帯域:DC~24 GHz
  • 連続調整可能な遅延範囲:70ps
  • シングルエンドまたは差動動作
  • 調整式差動出力電圧スイング:170~760 mVp-p @ 24GHz
  • 遅延制御変調帯域幅:10MHz
  • 単電源:+3.3V 
  • 24ピン4×4mm SMTパッケージ:16mm2

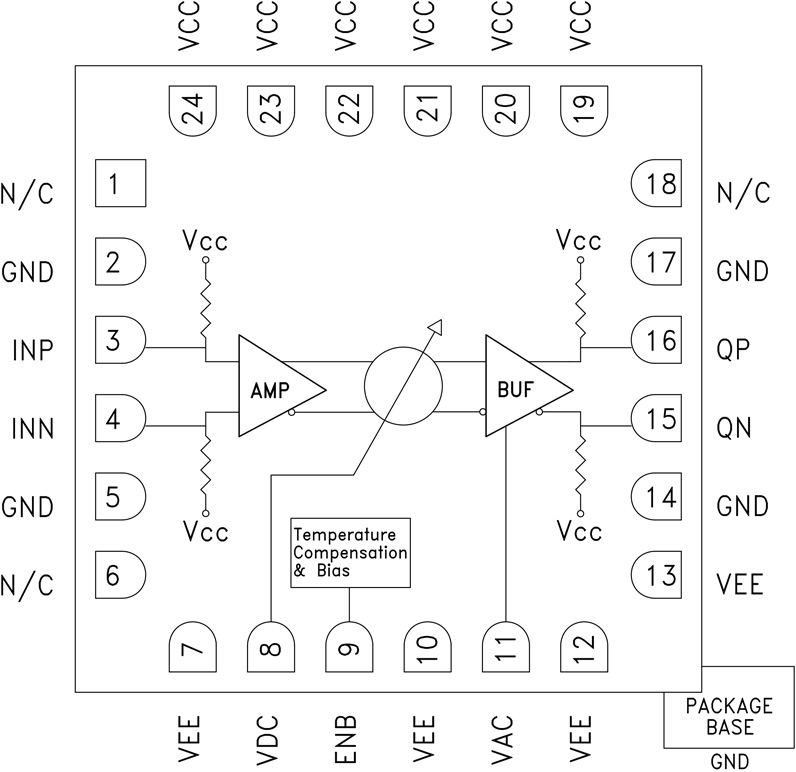
HMC910LC4Bは、遅延範囲を0psから70psの間で任意の値に調整できる広帯域時間遅延デバイスです。遅延制御は制御電圧VDCに関して線形単調であり、制御入力の変調帯域幅は600MHzです。入力感度レベルを超えるシングルエンドまたは差動入力電圧に対して振幅が一定の差動電圧を出力します。出力電圧スイングはVAC制御ピンを使って調整できます。 

HMC910LC4Bは、内部温度補償回路とバイアス回路により温度による遅延の変動を最小限に抑えます。イネーブル・ピン(ENB)も利用できます。すべてのRF入力とRF出力は、Vccに接続された50 Ωの抵抗によって内部的に終端されており、ACまたはDCカップリングすることができます。出力ピンは、Vccに接続された50 Ωの抵抗で構成される終端システムに直接接続できますが、Vcc以外のDC電圧に接続された50 Ω抵抗の終端システム入力の場合は、DCブロッキング・コンデンサを使用する必要があります。 

アプリケーション

  • クロックとデータの同期
  • トランスポンダ設計
  • 最大32Gbpsのシリアルデータ伝送
  • 広帯域試験&測定
  • RF ATEアプリケーション

HMC910
アナログ時間遅延、広帯域、SMT、DC~24GHz
HMC910LC4B Functional Block Diagram
myAnalogに追加

myAnalogの製品セクション(通知受け取り)、既存/新規プロジェクトに製品を追加する。

新規プロジェクトを作成
質問する
サポート

アナログ・デバイセズのサポート・ページはアナログ・デバイセズへのあらゆるご質問にお答えするワンストップ・ポータルです。


ドキュメント

データシート 1

データシート

これは最新改訂バージョンのデータシートです。

さらに詳しく
myAnalogに追加

myAnalogのリソース・セクション、既存/新規プロジェクトにメディアを追加する。

新規プロジェクトを作成

ソフトウェア・リソース

必要なソフトウェア/ドライバが見つかりませんか?

ドライバ/ソフトウェアをリクエスト

評価用キット

EVAL-HMC910LC4B
HMC910LC4B Evaluation Board

最新のディスカッション

最近表示した製品