Quantic X-Microwave

Analog Devices RF and microwave components are available as drop-in X-MWblocks®
from Quantic X-Microwave.

Get the X-MWblock® drop-in module for this part.

HMC814LC3B

製造中

x2 Active Multiplier SMT, 13 - 24.6 GHz Fout

利用上の注意

本データシートの英語以外の言語への翻訳はユーザの便宜のために提供されるものであり、リビジョンが古い場合があります。最新の内容については、必ず最新の英語版をご参照ください。

なお、日本語版のデータシートは基本的に「Rev.0」(リビジョン0)で作成されています。そのため、英語版が後に改訂され、複数製品のデータシートがひとつに統一された場合、同じ「Rev.0」の日本語版のデータシートが異なる製品のデータシートとして表示されることがあります。たとえば、「ADM3307E」の場合、日本語データシートをクリックすると「ADM3311E」が表示されます。これは、英語版のデータシートが複数の製品で共有できるように1本化され、「ADM3307E/ADM3310E/ADM3311E/ADM3312E/ADM3315E」(Rev.J)と改訂されたからで、決して誤ってリンクが張られているわけではありません。和文化されたデータシートを少しでも有効に活用していただくためにこのような方法をとっておりますので、ご了解ください。

アナログ・デバイセズ社は、提供する情報が正確で信頼できるものであることを期していますが、その情報の利用に関して、あるいはその利用によって生じる第三者の特許やその他の権利の侵害に関して一切の責任を負いません。また、アナログ・デバイセズ社の特許または特許の権利の使用を明示的または暗示的に許諾するものでもありません。仕様は予告なしに変更する場合があります。本紙記載の商標および登録商標は、各社の所有に属します。

Viewing:

製品情報

  • High Output Power: +17 dBm
  • Low Input Power Drive: 0 to +6 dBm
  • Fo Isolation: >20 dBc @ Fout = 19 GHz
  • 100 kHz SSB Phase Noise: -136 dBc/Hz
  • Single Supply: +5V @ 88mA
  • 12 Lead 3×3mm SMT Package: 9mm2

The HMC814LC3B is a x2 active broadband frequency multiplier utilizing GaAs PHEMT technology in a leadless RoHS compliant SMT package. When driven by a +4 dBm signal, the multiplier provides +17 dBm typical output power from 13 to 24.6 GHz. The Fo, 3Fo and 4Fo isolations are >20 dBc at 19 GHz. The HMC814LC3B is ideal for use in LO multiplier chains for Pt-to-Pt & VSAT Radios yielding reduced parts count vs. traditional approaches. The low additive SSB Phase Noise of -136 dBc/Hz at 100 kHz offset helps maintain good system noise performance. The RoHS packaged HMC814LC3B eliminates the need for wire bonding, and allows the use of surface mount manufacturing techniques.

APPLICATIONS

  • Clock Generation Applications:
    SONET OC-192 & SDH STM-64
  • Point-to-Point & VSAT Radios
  • Test Instrumentation
  • Military End-Use
  • Sensors

HMC814LC3B
x2 Active Multiplier SMT, 13 - 24.6 GHz Fout
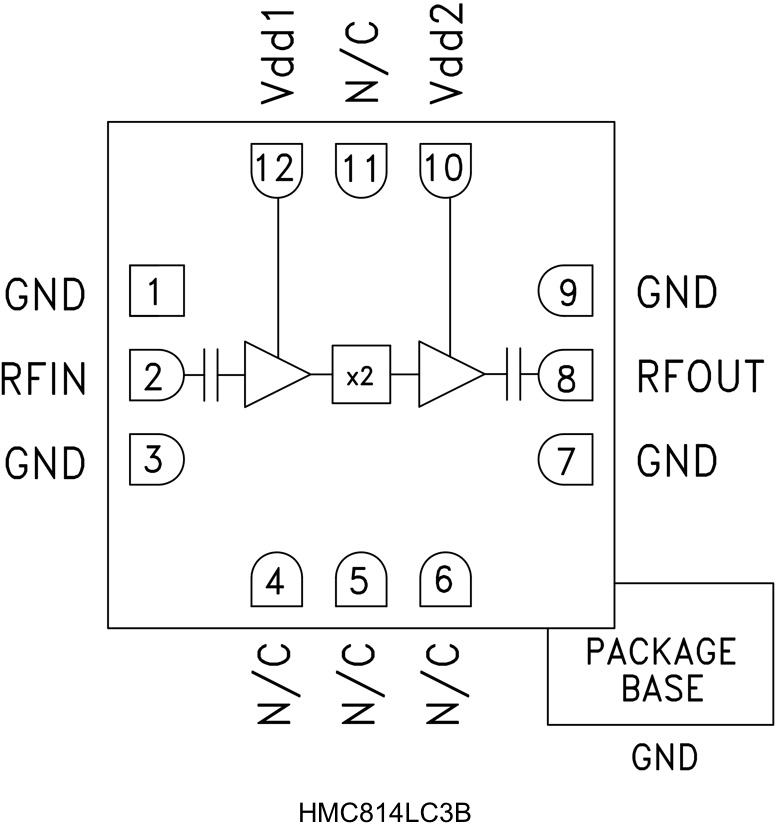
HMC814LC3B Functional Block Diagram
myAnalogに追加

myAnalogの製品セクション(通知受け取り)、既存/新規プロジェクトに製品を追加する。

新規プロジェクトを作成
質問する
サポート

アナログ・デバイセズのサポート・ページはアナログ・デバイセズへのあらゆるご質問にお答えするワンストップ・ポータルです。


ドキュメント

データシート 1

データシート

これは最新改訂バージョンのデータシートです。

さらに詳しく
myAnalogに追加

myAnalogのリソース・セクション、既存/新規プロジェクトにメディアを追加する。

新規プロジェクトを作成

ソフトウェア・リソース

必要なソフトウェア/ドライバが見つかりませんか?

ドライバ/ソフトウェアをリクエスト

ツールおよびシミュレーション

Sパラメータ 1


評価用キット

eval board
EVAL-HMC814LC3B

HMC814LC3B Evaluation Board

製品詳細

This page contains ordering information for evaluating the HMC814LC3B.

The Design Files link includes the BOM, schematics, and Gerber files for the evaluation board.

EVAL-HMC814LC3B
HMC814LC3B Evaluation Board
HMC814LC3B Evaluation Board HMC814LC3B Evaluation Board - Top View HMC814LC3B Evaluation Board - Bottom View

最新のディスカッション

最近表示した製品