HMC713LP3E

54 dB ログ・ディテクタ/コントローラ、SMT、50 MHz ~ 8000 MHz

利用上の注意

本データシートの英語以外の言語への翻訳はユーザの便宜のために提供されるものであり、リビジョンが古い場合があります。最新の内容については、必ず最新の英語版をご参照ください。

なお、日本語版のデータシートは基本的に「Rev.0」(リビジョン0)で作成されています。そのため、英語版が後に改訂され、複数製品のデータシートがひとつに統一された場合、同じ「Rev.0」の日本語版のデータシートが異なる製品のデータシートとして表示されることがあります。たとえば、「ADM3307E」の場合、日本語データシートをクリックすると「ADM3311E」が表示されます。これは、英語版のデータシートが複数の製品で共有できるように1本化され、「ADM3307E/ADM3310E/ADM3311E/ADM3312E/ADM3315E」(Rev.J)と改訂されたからで、決して誤ってリンクが張られているわけではありません。和文化されたデータシートを少しでも有効に活用していただくためにこのような方法をとっておりますので、ご了解ください。

アナログ・デバイセズ社は、提供する情報が正確で信頼できるものであることを期していますが、その情報の利用に関して、あるいはその利用によって生じる第三者の特許やその他の権利の侵害に関して一切の責任を負いません。また、アナログ・デバイセズ社の特許または特許の権利の使用を明示的または暗示的に許諾するものでもありません。仕様は予告なしに変更する場合があります。本紙記載の商標および登録商標は、各社の所有に属します。

Viewing:

製品情報

  • 広いダイナミック・レンジ: 最大 54 dB
  • 高精度: ±1 dB(54 dB、2.7 GHz までの範囲)
  • 高速出力応答時間
  • 電源電圧: +2.7 V ~ +5.5 V
  • パワーダウン・モード
  • 全温度範囲での優れた安定性
  • 16 ピン 3 mm x 3 mm SMT パッケージ: 9 mm²

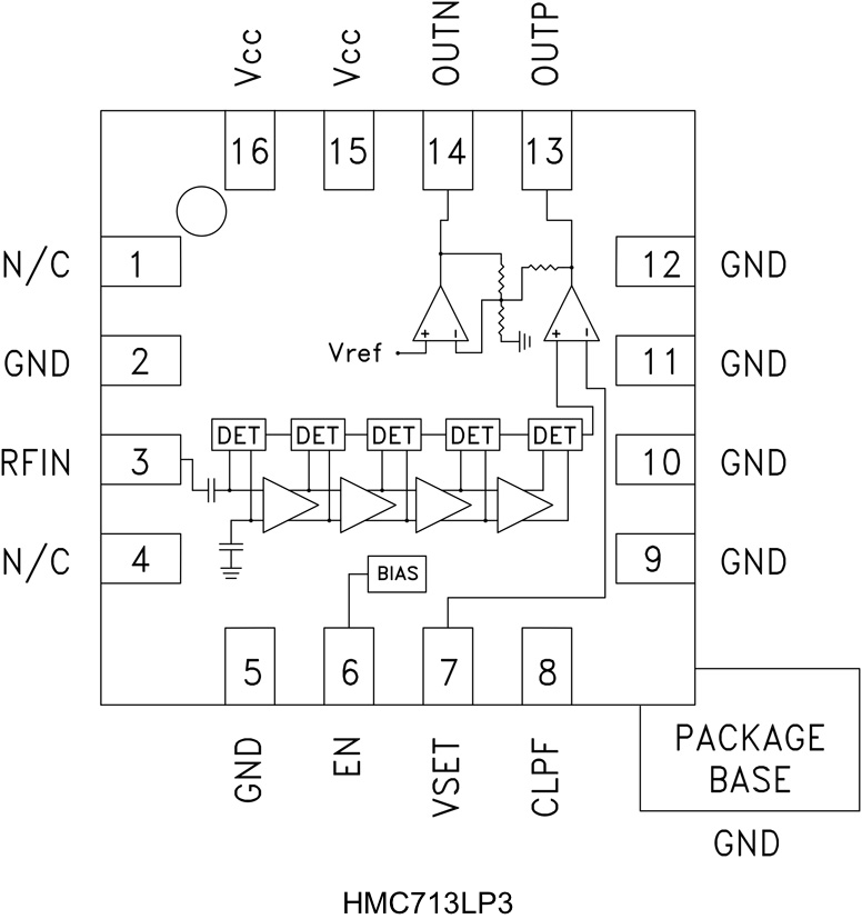
HMC713LP3E ログ・ディテクタ/コントローラは、周波数範囲が 50 MHz ~ 8000 MHz の RF 信号の電力を、その出力で、入力電力に比例する DC 電圧に変換するのに最適です。HMC713LP3E は連続圧縮技術を採用し、広い入力周波数範囲で 54 dB のダイナミック・レンジと高測定精度を実現します。入力信号が増大するにつれ、逐次アンプが 1 つずつ飽和状態になり、対数関数を正確に近似します。一連のディテクタの出力は加算されて電圧領域に変換され、バッファされて OUTP 出力を駆動します。

検出モードでは、OUTP ピンが VSET 入力に接続され、17 mV/dB の公称対数スロープと -68 dBm のインターセプト・ポイントを提供します。HMC713LP3E はコントローラ・モードでも使用できます。この場合、VSET ピンに外部電圧を加えて AGC または APC 帰還ループを形成します。

アプリケーション

  • セルラ・インフラストラクチャ
  • WiMAX、WiBro および LTE/4G
  • パワー・モニタリングおよび制御回路
  • 受信信号強度表示(RSSI)
  • セルラ・インフラストラクチャ
  • 自動ゲインおよび電力制御
  • 防衛用 ECM およびレーダー

HMC713LP3E
54 dB ログ・ディテクタ/コントローラ、SMT、50 MHz ~ 8000 MHz
HMC713LP3_fbl
myAnalogに追加

myAnalogの製品セクション(通知受け取り)、既存/新規プロジェクトに製品を追加する。

新規プロジェクトを作成
質問する
サポート

アナログ・デバイセズのサポート・ページはアナログ・デバイセズへのあらゆるご質問にお答えするワンストップ・ポータルです。


ドキュメント

データシート 1

データシート

これは最新改訂バージョンのデータシートです。

さらに詳しく
myAnalogに追加

myAnalogのリソース・セクション、既存/新規プロジェクトにメディアを追加する。

新規プロジェクトを作成

ソフトウェア・リソース

必要なソフトウェア/ドライバが見つかりませんか?

ドライバ/ソフトウェアをリクエスト

ツールおよびシミュレーション

Sパラメータ 1


評価用キット

EVAL-HMC713LP3E
HMC713LP3E Evaluation Board

最新のディスカッション

最近表示した製品