HMC620

製造中止

HMC620 / HMC620LC4

I/Q monolithic microwave integrated circuit (MMIC) mixer chip and surface mount technology (SMT), 3 GHz to 7 GHz.

利用上の注意

本データシートの英語以外の言語への翻訳はユーザの便宜のために提供されるものであり、リビジョンが古い場合があります。最新の内容については、必ず最新の英語版をご参照ください。

なお、日本語版のデータシートは基本的に「Rev.0」(リビジョン0)で作成されています。そのため、英語版が後に改訂され、複数製品のデータシートがひとつに統一された場合、同じ「Rev.0」の日本語版のデータシートが異なる製品のデータシートとして表示されることがあります。たとえば、「ADM3307E」の場合、日本語データシートをクリックすると「ADM3311E」が表示されます。これは、英語版のデータシートが複数の製品で共有できるように1本化され、「ADM3307E/ADM3310E/ADM3311E/ADM3312E/ADM3315E」(Rev.J)と改訂されたからで、決して誤ってリンクが張られているわけではありません。和文化されたデータシートを少しでも有効に活用していただくためにこのような方法をとっておりますので、ご了解ください。

アナログ・デバイセズ社は、提供する情報が正確で信頼できるものであることを期していますが、その情報の利用に関して、あるいはその利用によって生じる第三者の特許やその他の権利の侵害に関して一切の責任を負いません。また、アナログ・デバイセズ社の特許または特許の権利の使用を明示的または暗示的に許諾するものでもありません。仕様は予告なしに変更する場合があります。本紙記載の商標および登録商標は、各社の所有に属します。

Viewing:

製品情報

  • Wide intermediate frequency (IF) bandwidth: dc to 3.5 GHz 
  • High image rejection
    HMC620: 33 dB
    HMC620LC4: 32 dB
  • High local oscillator (LO) to radio frequency (RF) isolation
    HMC620: 45 dB
    HMC620LC4: 43 dB
  • High input IP3
    HMC620: 23 dB
    HMC620LC4: 22 dB
  • Die size (HMC620): 1.49 mm × 1.15 mm × 0.10 mm
  • 24-Lead ceramic 4 mm × 4 mm SMT package (HMC620LC4): 16 mm2

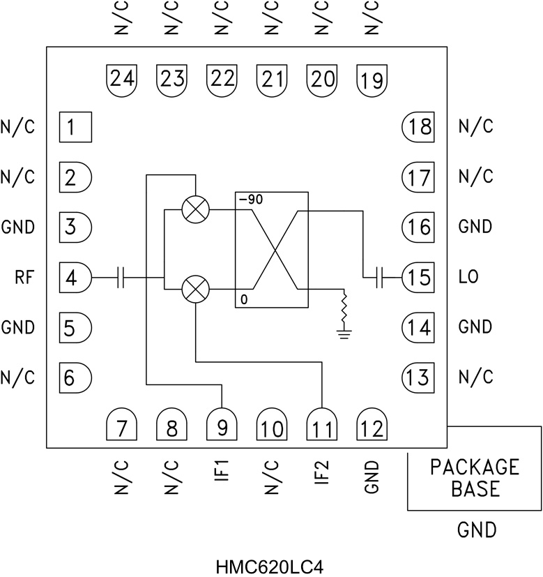
The HMC620 devices are compact I/Q MMIC mixers that are available in a chip (HMC620) and a leadless Pb-free RoHS compliant SMT package (HMC620LC4), both of which can be used as either an image reject mixer (IRM) or a single sideband (SSB) upconverter. The mixers utilize two standard Hittite double-balanced mixer cells and a 90° hybrid fabricated in a GaAs metal semiconductor field effect transistor (MESFET) process. A low frequency quadrature hybrid was used to produce a 100 MHz upper sideband (USB) IF output. This product is a much smaller and more consistent alternative to hybrid style IRMs and SSBupconverter assemblies. All data for the HMC620 is taken with the chip mounted in a 50 Ω test fixture and includes the effects of 1 mil diameter × 20 mil length bond wires on each port. The HMC620LC4 is compatible with high volume surface mount manufacturing techniques.

Applications

  • Point-to-point 
  • Point-to-multipoint radio 
  • WiMAX and fixed wireless 
  • Very small aperture terminal (VSAT)

HMC620
HMC620 / HMC620LC4

I/Q monolithic microwave integrated circuit (MMIC) mixer chip and surface mount technology (SMT), 3 GHz to 7 GHz.

HMC620_fbl HMC620LC4_fbl
myAnalogに追加

myAnalogの製品セクション(通知受け取り)、既存/新規プロジェクトに製品を追加する。

新規プロジェクトを作成
質問する
サポート

アナログ・デバイセズのサポート・ページはアナログ・デバイセズへのあらゆるご質問にお答えするワンストップ・ポータルです。


ドキュメント

データシート

これは最新改訂バージョンのデータシートです。

さらに詳しく
myAnalogに追加

myAnalogのリソース・セクション、既存/新規プロジェクトにメディアを追加する。

新規プロジェクトを作成

ソフトウェア・リソース

必要なソフトウェア/ドライバが見つかりませんか?

ドライバ/ソフトウェアをリクエスト

ハードウェア・エコシステム

製品モデル 製品ライフサイクル 詳細
HMC8193 新規設計に推奨 2.5 GHz ~ 8.5 GHz、I/Q ミキサー
Modal heading
myAnalogに追加

myAnalogの製品セクション(通知受け取り)、既存/新規プロジェクトに製品を追加する。

新規プロジェクトを作成

ツールおよびシミュレーション

Sパラメータ 1


評価用キット

EVAL-HMC620LC4
HMC620LC4 Evaluation Board

最新のディスカッション

最近表示した製品