Quantic X-Microwave

Analog Devices RF and microwave components are available as drop-in X-MWblocks®
from Quantic X-Microwave.

Get the X-MWblock® drop-in module for this part.

HMC578LC3B

製造中

アクティブ 2 逓倍器、SMT、24 GHz ~ 33 GHz の Fout

利用上の注意

本データシートの英語以外の言語への翻訳はユーザの便宜のために提供されるものであり、リビジョンが古い場合があります。最新の内容については、必ず最新の英語版をご参照ください。

なお、日本語版のデータシートは基本的に「Rev.0」(リビジョン0)で作成されています。そのため、英語版が後に改訂され、複数製品のデータシートがひとつに統一された場合、同じ「Rev.0」の日本語版のデータシートが異なる製品のデータシートとして表示されることがあります。たとえば、「ADM3307E」の場合、日本語データシートをクリックすると「ADM3311E」が表示されます。これは、英語版のデータシートが複数の製品で共有できるように1本化され、「ADM3307E/ADM3310E/ADM3311E/ADM3312E/ADM3315E」(Rev.J)と改訂されたからで、決して誤ってリンクが張られているわけではありません。和文化されたデータシートを少しでも有効に活用していただくためにこのような方法をとっておりますので、ご了解ください。

アナログ・デバイセズ社は、提供する情報が正確で信頼できるものであることを期していますが、その情報の利用に関して、あるいはその利用によって生じる第三者の特許やその他の権利の侵害に関して一切の責任を負いません。また、アナログ・デバイセズ社の特許または特許の権利の使用を明示的または暗示的に許諾するものでもありません。仕様は予告なしに変更する場合があります。本紙記載の商標および登録商標は、各社の所有に属します。

Viewing:

製品情報

  • 高出力電力: +15 dBm
  • 低入力電力駆動: 0 dBm ~ +6 dBm
  • Fo アイソレーション: Fout = 28 GHz で 20 dBc 以上
  • 100 kHz の SSB 位相ノイズ: -132 dBc/Hz
  • 単電源: +5 V/81 mA
  • RoHS 準拠 3 mm × 3 mm SMT パッケージ

HMC578LC3B は、GaAs PHEMT 技術を利用した広帯域のアクティブ周波数 2 逓倍器で、RoHS 準拠のリードレス SMT パッケージを採用しています。+3 dBm の信号で駆動されるとき、この逓倍器は 24 GHz ~ 33 GHz で +15 dBm(代表値)の出力電力を供給します。Fo アイソレーションと 3Fo アイソレーションは、28 GHz でそれぞれ 20 dBc 以上と 30 dBc 以上です。

HMC578LC3B は、ポイント to ポイントおよび VSAT 無線用の LO 逓倍器チェーンでの使用に最適で、従来方式に比べて部品数が少なくなります。100 kHz オフセットでの付加 SSB 位相ノイズが -129 dBc/Hz と低いため、良好なシステム・ノイズ性能を維持しやすくします。RoHS 準拠パッケージの HMC578LC3B はワイヤ・ボンディングを不要にし、表面実装製造技術を利用することができます。

アプリケーション

  • クロック生成のアプリケーション:
    SONET OC-192 および SDH STM-64
  • ポイント to ポイントおよび VSAT 無線 
  • 試験用計測器 
  • 防衛および宇宙

HMC578LC3B
アクティブ 2 逓倍器、SMT、24 GHz ~ 33 GHz の Fout
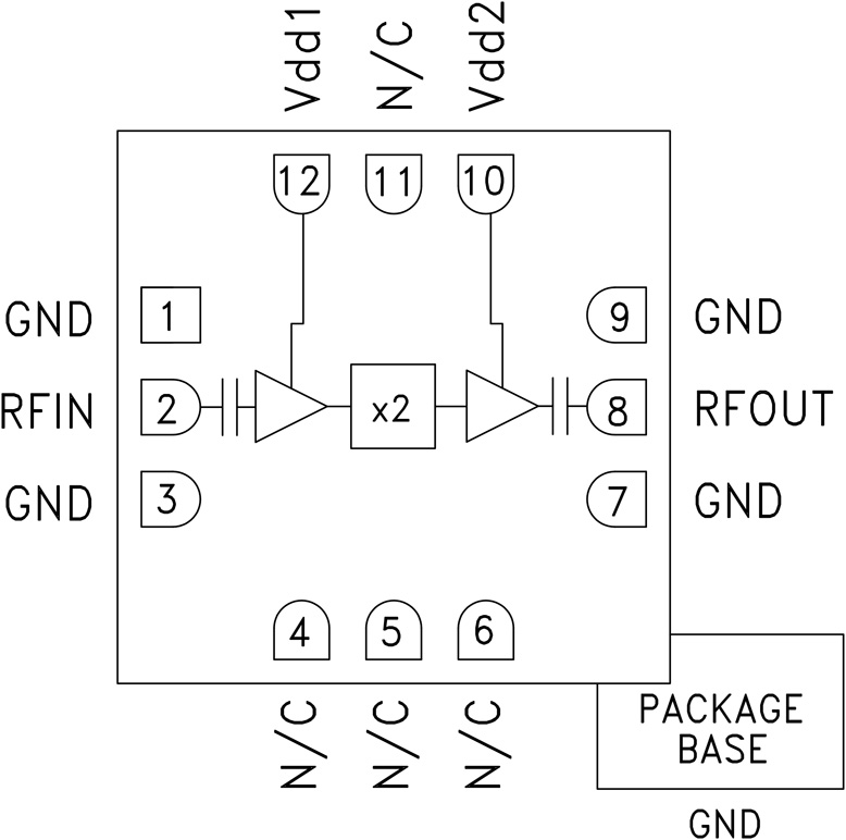
HMC578LC3B Functional Block Diagram
myAnalogに追加

myAnalogの製品セクション(通知受け取り)、既存/新規プロジェクトに製品を追加する。

新規プロジェクトを作成
質問する
サポート

アナログ・デバイセズのサポート・ページはアナログ・デバイセズへのあらゆるご質問にお答えするワンストップ・ポータルです。


ドキュメント

データシート 1

データシート

これは最新改訂バージョンのデータシートです。

さらに詳しく
myAnalogに追加

myAnalogのリソース・セクション、既存/新規プロジェクトにメディアを追加する。

新規プロジェクトを作成

ソフトウェア・リソース

必要なソフトウェア/ドライバが見つかりませんか?

ドライバ/ソフトウェアをリクエスト

ツールおよびシミュレーション

Sパラメータ 1


評価用キット

eval board
EVAL-HMC578LC3B

HMC578LC3B Evaluation Board.

製品詳細

This page contains ordering information for evaluating the HMC578LC3B.

The Design Files link includes the BOM, schematics, and Gerber files for the evaluation board.

EVAL-HMC578LC3B
HMC578LC3B Evaluation Board.
HMC578LC3B Evaluation Board HMC578LC3B Evaluation Board - Top View HMC578LC3B Evaluation Board - Bottom View

最新のディスカッション

最近表示した製品