HMC1120

新規設計に推奨

RMS パワー・ディテクタおよびエンベロープ・トラッカ、DC ~ 3.9 GHz

利用上の注意

本データシートの英語以外の言語への翻訳はユーザの便宜のために提供されるものであり、リビジョンが古い場合があります。最新の内容については、必ず最新の英語版をご参照ください。

なお、日本語版のデータシートは基本的に「Rev.0」(リビジョン0)で作成されています。そのため、英語版が後に改訂され、複数製品のデータシートがひとつに統一された場合、同じ「Rev.0」の日本語版のデータシートが異なる製品のデータシートとして表示されることがあります。たとえば、「ADM3307E」の場合、日本語データシートをクリックすると「ADM3311E」が表示されます。これは、英語版のデータシートが複数の製品で共有できるように1本化され、「ADM3307E/ADM3310E/ADM3311E/ADM3312E/ADM3315E」(Rev.J)と改訂されたからで、決して誤ってリンクが張られているわけではありません。和文化されたデータシートを少しでも有効に活用していただくためにこのような方法をとっておりますので、ご了解ください。

アナログ・デバイセズ社は、提供する情報が正確で信頼できるものであることを期していますが、その情報の利用に関して、あるいはその利用によって生じる第三者の特許やその他の権利の侵害に関して一切の責任を負いません。また、アナログ・デバイセズ社の特許または特許の権利の使用を明示的または暗示的に許諾するものでもありません。仕様は予告なしに変更する場合があります。本紙記載の商標および登録商標は、各社の所有に属します。

Viewing:

製品情報

  • 広帯域シングルエンド RF 入力
  • RMS 検出器の 3.9 GHz までの検出精度: ±1 dB
  • 入力ダイナミック・レンジ: -60 dBm ~ +8 dBm
  • 30 dB の入力範囲でのエンベロープ検出精度: ±1 dB
  • エンベロープ検出帯域幅: > 150 MHz
  • デジタル設定可能な積分帯域幅 
  • パワーダウン・モード
  • 24 ピン 4 mm x 4 mm SMT パッケージ: 16 mm²
  • エンベロープ・トラッキングによるパワーダウン・モード

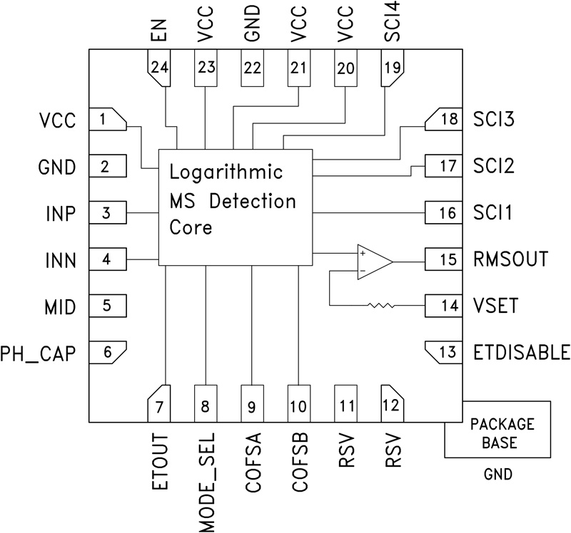
HMC1120 は、広帯域エンベロープ・ディテクタを内蔵した RMS パワー・ディテクタです。RMS 出力は、70 dB の入力検出範囲で測定した実際の RF 信号電力を温度補償した単調性のあるデシベルリニア値です。このエンベロープ・ディテクタは、最大 150 MHz の変調帯域幅で RF 入力信号の振幅エンベロープに線形比例する高精度電圧を出力します。HMC1120 は、広帯域幅のエンベロープ検出を行うので、GSM、WCDMA、LTE のシステムで一般的に使用される広帯域で高クレスト・ファクタの RF 信号の検出に最適です。さらに、瞬時エンベロープ出力を使って、過大な RF 電力の高速保護、PA の線形化、効率を高めるエンベロープ・トラッキング PA を実装することができます。 

HMC1120 の RMS 検出器の積分帯域幅は、入力ピン SCI1 ~ SCI4 により、4 ディケード以上の範囲でデジタル設定できます。これにより動作帯域幅をダイナミックに設定し、同じプラットフォームで異なるタイプの変調を検出することもできます。 

HMC1120 は RMS 出力段にオペ・アンプを内蔵し、これにより、スロープ調整やインターセプト調整を行って様々なアプリケーションに対応します。 

アプリケーション
  • 対数から 2 乗平均値(RMS)への変換
  • Tx/Rx 信号強度表示(TSSI/RSSI)
  • RF パワー・アンプの効率制御
  • レシーバの自動ゲイン制御
  • トランスミッタの電力制御
  • エンベロープ・トラッキング
  • PA の線形化

HMC1120
RMS パワー・ディテクタおよびエンベロープ・トラッカ、DC ~ 3.9 GHz
hmc1120lp4e_fbl
myAnalogに追加

myAnalogの製品セクション(通知受け取り)、既存/新規プロジェクトに製品を追加する。

新規プロジェクトを作成
質問する
サポート

アナログ・デバイセズのサポート・ページはアナログ・デバイセズへのあらゆるご質問にお答えするワンストップ・ポータルです。


ドキュメント

データシート 1

データシート

これは最新改訂バージョンのデータシートです。

さらに詳しく
myAnalogに追加

myAnalogのリソース・セクション、既存/新規プロジェクトにメディアを追加する。

新規プロジェクトを作成

ソフトウェア・リソース

必要なソフトウェア/ドライバが見つかりませんか?

ドライバ/ソフトウェアをリクエスト

ツールおよびシミュレーション

Sパラメータ 1


評価用キット

EVAL-HMC1120LP4
HMC1120LP4 Evaluation Board

最新のディスカッション

最近表示した製品