HMC1023

新規設計には非推奨

72 MHz デュアル・プログラマブル・ローパス・フィルタ

利用上の注意

本データシートの英語以外の言語への翻訳はユーザの便宜のために提供されるものであり、リビジョンが古い場合があります。最新の内容については、必ず最新の英語版をご参照ください。

なお、日本語版のデータシートは基本的に「Rev.0」(リビジョン0)で作成されています。そのため、英語版が後に改訂され、複数製品のデータシートがひとつに統一された場合、同じ「Rev.0」の日本語版のデータシートが異なる製品のデータシートとして表示されることがあります。たとえば、「ADM3307E」の場合、日本語データシートをクリックすると「ADM3311E」が表示されます。これは、英語版のデータシートが複数の製品で共有できるように1本化され、「ADM3307E/ADM3310E/ADM3311E/ADM3312E/ADM3315E」(Rev.J)と改訂されたからで、決して誤ってリンクが張られているわけではありません。和文化されたデータシートを少しでも有効に活用していただくためにこのような方法をとっておりますので、ご了解ください。

アナログ・デバイセズ社は、提供する情報が正確で信頼できるものであることを期していますが、その情報の利用に関して、あるいはその利用によって生じる第三者の特許やその他の権利の侵害に関して一切の責任を負いません。また、アナログ・デバイセズ社の特許または特許の権利の使用を明示的または暗示的に許諾するものでもありません。仕様は予告なしに変更する場合があります。本紙記載の商標および登録商標は、各社の所有に属します。

Viewing:

製品情報

  • 低ノイズ指数: 10 dB
  • 高直線性:
    インバンド出力 IP3 > +30 dBm
    インバンド出力 IP2 > +60 dBm
  • 設定済みまたは設定可能な帯域幅: 5 MHz ~ 72 MHz
    (HMC1023LP5E の発注情報を参照してください。)
  • 極めて優れた 3 dB 帯域幅精度: ±2.5%
  • 設定可能なゲイン: 0 dB または 10 dB
  • ADC ドライバ・アンプ内蔵
  • 自動フィルタ・キャリブレーション
  • 外部制御の同相出力レベル
  • フィルタ・バイパス・オプション
  • HMC900LP5E とピン互換およびレジスタ互換
  • 読出し/書込みシリアル・ポート・インターフェース(SPI)
  • 32 ピン 5 mm x 5 mm SMT セラミック・パッケージ: 25 mm²

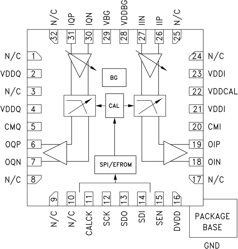
HMC1023 は、帯域幅を設定可能な、完全にキャリブレーションされた 6 次デュアル・ローパス・フィルタです。このフィルタは 0 dB または 10 dB のゲイン設定が可能で、5 MHz ~ 72 MHz の任意の帯域幅をサポートします。キャリブレーションを行うと、帯域幅の精度は ±2.5% になります。設定されたゲインと同相制御の設定値を維持したまま、内蔵フィルタをバイパスするオプションにより帯域幅を拡大することができます。 

内蔵 ADC ドライバ、設定可能な入力インピーダンス、2 Vppd 信号では 0.9 V ~ 3 V の調整可能な出力コモンモード電圧、またはそれより小さな信号振幅では 0.9 V 未満のコモンモード電圧により、インターフェースをシンプルにできるとともに、最大性能を実現します。バイアス設定値をプログラム可能なので、各アプリケーションに対して性能と消費電力のトレードオフを最適化することができます。 

フィルタのキャリブレーションは、20 MHz ~ 80 MHz の任意のリファレンス・クロック・レートを使って行います。ワンタイム・プログラマブル(OTP)メモリには卓越した柔軟性があるため、ゲインや帯域幅の設定値などのパラメータは設定後の操作が不要です。 

コンパクトな 5 mm x 5 mm SMT QFN パッケージを採用した HMC1023 は、帯域幅を設定可能な既存のローパス・フィルタ HMC900 とピン互換およびレジスタ互換です。このデバイスは、必要な外付け部品がごくわずかであり、複雑なスイッチド・ディスクリート・フィルタ・アーキテクチャに代わる低価格のソリューションを提供します。 

6 次バターワース伝達関数によって優れたストップバンド除去性能が得られるとともに、平坦なパスバンドが維持され、群遅延変動もわずかです。 

アプリケーション

  • ポイント to ポイント固定ワイヤレスおよびセルラ・インフラストラクチャ・トランシーバ用のデータ・コンバータ前後のベースバンド・フィルタ処理
  • ソフトウェア無線アプリケーション
  • アンチエイリアシング・フィルタおよび再構成フィルタ
  • 試験装置および計測装置
  • ADC ドライバ・アプリケーション

HMC1023
72 MHz デュアル・プログラマブル・ローパス・フィルタ
hmc1023lp5_fbl_1
myAnalogに追加

myAnalogの製品セクション(通知受け取り)、既存/新規プロジェクトに製品を追加する。

新規プロジェクトを作成
質問する
サポート

アナログ・デバイセズのサポート・ページはアナログ・デバイセズへのあらゆるご質問にお答えするワンストップ・ポータルです。


ドキュメント

データシート 1

データシート

これは最新改訂バージョンのデータシートです。

さらに詳しく
myAnalogに追加

myAnalogのリソース・セクション、既存/新規プロジェクトにメディアを追加する。

新規プロジェクトを作成

ソフトウェア・リソース

必要なソフトウェア/ドライバが見つかりませんか?

ドライバ/ソフトウェアをリクエスト

ツールおよびシミュレーション

ADIsimRF

ADIsimRFは使いやすいRFシグナル・チェーン計算ツールです。最大50段までのシグナル・チェーンについて、カスケード・ゲイン、ノイズ、歪み、消費電力を計算し、プロット、エクスポートが可能です。ADIsimRFには、アナログ・デバイセズのRFおよびミックスド・シグナル部品のデバイス・モデルの広範なデータ・ベースも含まれています。

ツールを開く

評価用キット

EVAL-HMC1023LP5
HMC1023LP5 Evaluation Board

最新のディスカッション

最近表示した製品