HMC-MDB218

新規設計に推奨

低調波I/Qミキサー/IRMチップ、54~64GHz

利用上の注意

本データシートの英語以外の言語への翻訳はユーザの便宜のために提供されるものであり、リビジョンが古い場合があります。最新の内容については、必ず最新の英語版をご参照ください。

なお、日本語版のデータシートは基本的に「Rev.0」(リビジョン0)で作成されています。そのため、英語版が後に改訂され、複数製品のデータシートがひとつに統一された場合、同じ「Rev.0」の日本語版のデータシートが異なる製品のデータシートとして表示されることがあります。たとえば、「ADM3307E」の場合、日本語データシートをクリックすると「ADM3311E」が表示されます。これは、英語版のデータシートが複数の製品で共有できるように1本化され、「ADM3307E/ADM3310E/ADM3311E/ADM3312E/ADM3315E」(Rev.J)と改訂されたからで、決して誤ってリンクが張られているわけではありません。和文化されたデータシートを少しでも有効に活用していただくためにこのような方法をとっておりますので、ご了解ください。

アナログ・デバイセズ社は、提供する情報が正確で信頼できるものであることを期していますが、その情報の利用に関して、あるいはその利用によって生じる第三者の特許やその他の権利の侵害に関して一切の責任を負いません。また、アナログ・デバイセズ社の特許または特許の権利の使用を明示的または暗示的に許諾するものでもありません。仕様は予告なしに変更する場合があります。本紙記載の商標および登録商標は、各社の所有に属します。

Viewing:

製品情報

  • 広IF帯域幅:DC~3GHz
  • RF周波数:54~64GHz
  • LO周波数:27~32GHz
  • 高イメージ除去:30dB
  • パッシブ:DCバイアスが不要
  • ダイ・サイズ:1.54×1.41×0.1mm

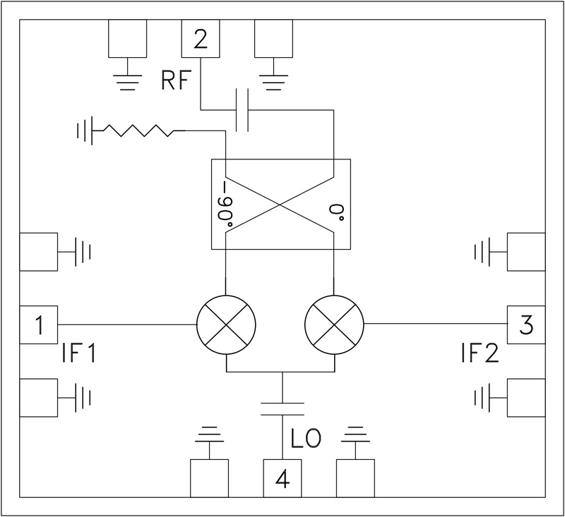
HMC-MDB218は、イメージ除去ミキサー(IRM)または単側波帯アップコンバータとして使用できる低調波型昇圧の(×2)MMICミキサーです。このパッシブMMICミキサーは、GaAsヘテロ接合バイポーラ・トランジスタ(HBT)ショットキー・ダイオード技術によって製造されています。ダウンコンバータの場合は、外付けの90°ハイブリッドを使って希望の側波帯を選び、イメージ信号を除去することができます。 

すべてのボンド・パッドとダイ裏側をTi/Auでメタライズし、ショットキー・デバイス全体にパッシベーション処理を行っているため、高い信頼性が得られます。HMC-MDB218低調波IRMは、従来のダイ取り付け法のほか、熱圧着方式やサーモソニック方式のワイヤボンディング法にも対応しており、MCMアプリケーションやハイブリッド・マイクロ回路アプリケーションに最適なデバイスです。ここに示すデータはすべて、チップを50Ω環境に置き、RFプローブを接触させて測定した数値です。 

アプリケーション

  • 短距離/大容量無線
  • SATCOM
  • ミリタリ・レーダー、ECM、EW
  • センサー
  • 試験および測定装置

HMC-MDB218
低調波I/Qミキサー/IRMチップ、54~64GHz
HMC-MDB218 Functional Block Diagram
myAnalogに追加

myAnalogの製品セクション(通知受け取り)、既存/新規プロジェクトに製品を追加する。

新規プロジェクトを作成
質問する
サポート

アナログ・デバイセズのサポート・ページはアナログ・デバイセズへのあらゆるご質問にお答えするワンストップ・ポータルです。


ドキュメント

データシート 1

技術記事 1

データシート

これは最新改訂バージョンのデータシートです。

さらに詳しく
myAnalogに追加

myAnalogのリソース・セクション、既存/新規プロジェクトにメディアを追加する。

新規プロジェクトを作成

ソフトウェア・リソース

必要なソフトウェア/ドライバが見つかりませんか?

ドライバ/ソフトウェアをリクエスト

ツールおよびシミュレーション

ADIsimRF

ADIsimRFは使いやすいRFシグナル・チェーン計算ツールです。最大50段までのシグナル・チェーンについて、カスケード・ゲイン、ノイズ、歪み、消費電力を計算し、プロット、エクスポートが可能です。ADIsimRFには、アナログ・デバイセズのRFおよびミックスド・シグナル部品のデバイス・モデルの広範なデータ・ベースも含まれています。

ツールを開く

最新のディスカッション

HMC-MDB218に関するディスカッションはまだありません。意見を投稿しますか?

EngineerZone®でディスカッションを始める

最近表示した製品