HMC-C042

製造中止

I/Q ミキサー/IRM モジュール、8.5 GHz ~ 13.5 GHz

利用上の注意

本データシートの英語以外の言語への翻訳はユーザの便宜のために提供されるものであり、リビジョンが古い場合があります。最新の内容については、必ず最新の英語版をご参照ください。

なお、日本語版のデータシートは基本的に「Rev.0」(リビジョン0)で作成されています。そのため、英語版が後に改訂され、複数製品のデータシートがひとつに統一された場合、同じ「Rev.0」の日本語版のデータシートが異なる製品のデータシートとして表示されることがあります。たとえば、「ADM3307E」の場合、日本語データシートをクリックすると「ADM3311E」が表示されます。これは、英語版のデータシートが複数の製品で共有できるように1本化され、「ADM3307E/ADM3310E/ADM3311E/ADM3312E/ADM3315E」(Rev.J)と改訂されたからで、決して誤ってリンクが張られているわけではありません。和文化されたデータシートを少しでも有効に活用していただくためにこのような方法をとっておりますので、ご了解ください。

アナログ・デバイセズ社は、提供する情報が正確で信頼できるものであることを期していますが、その情報の利用に関して、あるいはその利用によって生じる第三者の特許やその他の権利の侵害に関して一切の責任を負いません。また、アナログ・デバイセズ社の特許または特許の権利の使用を明示的または暗示的に許諾するものでもありません。仕様は予告なしに変更する場合があります。本紙記載の商標および登録商標は、各社の所有に属します。

Viewing:

製品情報

  • 広 IF 帯域幅: DC ~ 2 GHz
  • イメージ除去: 28 dB
  • LO/RF アイソレーション: 38 dB
  • 高入力 IP3: +25 dBm
  • ハーメチック・シール・モジュール
  • フィールド交換可能同軸コネクタ
  • 動作温度範囲: -55 ℃ ~ +85 ℃

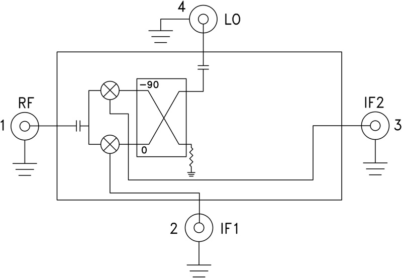
HMC-C042 は、小型ハーメチック・モジュールに収められたパッシブ I/Q MMIC ミキサーで、イメージ除去ミキサーまたは単側波帯アップコンバータとして使用することができます。このモジュールは、Hittite の 2 つの標準ダブル・バランスド・ミキサー・セルと、GaAs MESFET プロセスに基づいて製造された 90 度ハイブリッドを用いています。 

低周波数の直交ハイブリッドを使って、100 MHz USB の IF 出力を生成します。この MMIC ベースのモジュールは、ハイブリッド型 I/Q ミキサーや単側波帯コンバータ・アセンブリよりも信頼性が高く安定した代替デバイスです。このモジュールは着脱可能な SMA コネクタを備えており、これを取り外して、I/O ピンをマイクロストリップ回路やコプレーナ回路に直接接続することができます。 

アプリケーション
  • ポイント to ポイント無線 
  • ポイント to マルチポイント無線および VSAT
  • 試験装置およびセンサー 
  • 防衛用

HMC-C042
I/Q ミキサー/IRM モジュール、8.5 GHz ~ 13.5 GHz
HMC-C042 Functional Block Diagram
myAnalogに追加

myAnalogの製品セクション(通知受け取り)、既存/新規プロジェクトに製品を追加する。

新規プロジェクトを作成
質問する
サポート

アナログ・デバイセズのサポート・ページはアナログ・デバイセズへのあらゆるご質問にお答えするワンストップ・ポータルです。


ドキュメント

データシート 1

データシート

これは最新改訂バージョンのデータシートです。

さらに詳しく
myAnalogに追加

myAnalogのリソース・セクション、既存/新規プロジェクトにメディアを追加する。

新規プロジェクトを作成

ソフトウェア・リソース

必要なソフトウェア/ドライバが見つかりませんか?

ドライバ/ソフトウェアをリクエスト

最新のディスカッション

HMC-C042に関するディスカッションはまだありません。意見を投稿しますか?

EngineerZone®でディスカッションを始める

最近表示した製品