HMC-C006

製造中止

InGaP HBT 1/4 分周器モジュール、0.5 GHz ~ 18 GHz

利用上の注意

本データシートの英語以外の言語への翻訳はユーザの便宜のために提供されるものであり、リビジョンが古い場合があります。最新の内容については、必ず最新の英語版をご参照ください。

なお、日本語版のデータシートは基本的に「Rev.0」(リビジョン0)で作成されています。そのため、英語版が後に改訂され、複数製品のデータシートがひとつに統一された場合、同じ「Rev.0」の日本語版のデータシートが異なる製品のデータシートとして表示されることがあります。たとえば、「ADM3307E」の場合、日本語データシートをクリックすると「ADM3311E」が表示されます。これは、英語版のデータシートが複数の製品で共有できるように1本化され、「ADM3307E/ADM3310E/ADM3311E/ADM3312E/ADM3315E」(Rev.J)と改訂されたからで、決して誤ってリンクが張られているわけではありません。和文化されたデータシートを少しでも有効に活用していただくためにこのような方法をとっておりますので、ご了解ください。

アナログ・デバイセズ社は、提供する情報が正確で信頼できるものであることを期していますが、その情報の利用に関して、あるいはその利用によって生じる第三者の特許やその他の権利の侵害に関して一切の責任を負いません。また、アナログ・デバイセズ社の特許または特許の権利の使用を明示的または暗示的に許諾するものでもありません。仕様は予告なしに変更する場合があります。本紙記載の商標および登録商標は、各社の所有に属します。

Viewing:

製品情報

  • 超低 SSB 位相ノイズ: -150 dBc/Hz
  • 超広帯域幅
  • 出力電力: -4 dBm
  • DC 単電源: +5 V
  • ハーメチック・シール・モジュール
  • フィールド交換可能 SMA コネクタ
  • 動作温度範囲: -55 ℃ ~ +85 ℃

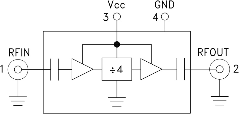
HMC-C006 は、InGaP GaAs HBT 技術を採用した低ノイズの静的 1/4 分周器で、交換可能な SMA コネクタ付きの小型ハーメチック・モジュールに収められたパッケージを採用しています。このデバイスは 0.5 GHz ~ 18 GHz の入力周波数で、+5 V DC 単電源で動作します。100 kHz オフセット時の付加 SSB 位相ノイズが -150 dBc/Hz と低いため、優れたシステム・ノイズ性能を維持しやすくします。 

アプリケーション
  • ポイント to ポイント/マルチポイント無線 
  • VSAT 無線 
  • 光ファイバ 
  • 防衛および宇宙 
  • 試験装置

HMC-C006
InGaP HBT 1/4 分周器モジュール、0.5 GHz ~ 18 GHz
HMC-C006 Functional Block Diagram
myAnalogに追加

myAnalogの製品セクション(通知受け取り)、既存/新規プロジェクトに製品を追加する。

新規プロジェクトを作成
質問する
サポート

アナログ・デバイセズのサポート・ページはアナログ・デバイセズへのあらゆるご質問にお答えするワンストップ・ポータルです。


ドキュメント

データシート 1

技術記事 1

データシート

これは最新改訂バージョンのデータシートです。

さらに詳しく
myAnalogに追加

myAnalogのリソース・セクション、既存/新規プロジェクトにメディアを追加する。

新規プロジェクトを作成

ソフトウェア・リソース

必要なソフトウェア/ドライバが見つかりませんか?

ドライバ/ソフトウェアをリクエスト

最新のディスカッション

HMC-C006に関するディスカッションはまだありません。意見を投稿しますか?

EngineerZone®でディスカッションを始める

最近表示した製品