DS4106

製造中止

106.25MHz/212.5MHz/425MHzクロック発振器

5mm x 3.2mmの小型セラミックパッケージで提供されるファイバチャネル水晶発振器

利用上の注意

本データシートの英語以外の言語への翻訳はユーザの便宜のために提供されるものであり、リビジョンが古い場合があります。最新の内容については、必ず最新の英語版をご参照ください。

なお、日本語版のデータシートは基本的に「Rev.0」(リビジョン0)で作成されています。そのため、英語版が後に改訂され、複数製品のデータシートがひとつに統一された場合、同じ「Rev.0」の日本語版のデータシートが異なる製品のデータシートとして表示されることがあります。たとえば、「ADM3307E」の場合、日本語データシートをクリックすると「ADM3311E」が表示されます。これは、英語版のデータシートが複数の製品で共有できるように1本化され、「ADM3307E/ADM3310E/ADM3311E/ADM3312E/ADM3315E」(Rev.J)と改訂されたからで、決して誤ってリンクが張られているわけではありません。和文化されたデータシートを少しでも有効に活用していただくためにこのような方法をとっておりますので、ご了解ください。

アナログ・デバイセズ社は、提供する情報が正確で信頼できるものであることを期していますが、その情報の利用に関して、あるいはその利用によって生じる第三者の特許やその他の権利の侵害に関して一切の責任を負いません。また、アナログ・デバイセズ社の特許または特許の権利の使用を明示的または暗示的に許諾するものでもありません。仕様は予告なしに変更する場合があります。本紙記載の商標および登録商標は、各社の所有に属します。

Viewing:

製品情報

  • クロック出力周波数:
    • DS4106:106.25MHz
    • DS4212:212.50MHz
    • DS4425:425.00MHz
  • 位相ジッタ(RMS):0.9ps (typ)
  • LVPECLまたはLVDS出力
  • 供給電流:
    • 50mA (typ、無負荷時) (+3.3V電源(LVPECL)において)
    • 53mA (typ) (+3.3V電源(LVDS)において)
  • 温度範囲:-40℃~+85℃
  • 出力のディセーブル

表面実装型セラミック水晶発振器のDS4106、DS4212、およびDS4425は、マキシムの水晶発振器ファミリDS4-XOシリーズのデバイスです。これらのデバイスは、106.25MHz、212.5MHz、および425MHzの出力周波数を提供します。これらのクロック発振器は、ジッタ性能、位相ノイズ性能、および安定性能の条件を満たす厳しい許容値を備えたシステムに適しています。この小型パッケージによって、基板スペースが重要となるアプリケーション用のフォーマットが提供されます。

これらのクロック発振器は、水晶を使用して基本波水晶とPLLテクノロジによる最終出力周波数を提供します。各デバイスは、LVDSまたはLVPECL出力タイプで提供されます。出力イネーブル端子はアクティブハイロジックです。

これらのクロック発振器は、超低位相ジッタおよび位相ノイズを実現します。標準的な位相ジッタは、12kHz~20MHzで0.9ps RMS未満となります。各デバイスは、3.3V ±10%供給電圧で動作するように設計され、5.0mm x 3.2mm x 1.49mmの表面実装型セラミック10ピンLCCCパッケージで提供されます。

アプリケーション

  • ファイバチャネルハードディスクドライブ
  • ファイバチャネルスイッチ
  • ホストバスアダプタ
  • 高速コントローラ

DS4106
106.25MHz/212.5MHz/425MHzクロック発振器
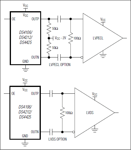
DS4106、DS4212、DS4425:標準動作回路
myAnalogに追加

myAnalogの製品セクション(通知受け取り)、既存/新規プロジェクトに製品を追加する。

新規プロジェクトを作成
質問する
サポート

アナログ・デバイセズのサポート・ページはアナログ・デバイセズへのあらゆるご質問にお答えするワンストップ・ポータルです。


ドキュメント

さらに詳しく
myAnalogに追加

myAnalogのリソース・セクション、既存/新規プロジェクトにメディアを追加する。

新規プロジェクトを作成

ソフトウェア・リソース

必要なソフトウェア/ドライバが見つかりませんか?

ドライバ/ソフトウェアをリクエスト

ハードウェア・エコシステム

製品モデル 製品ライフサイクル 詳細
発振器 9
DS4026 製造中止 10MHz~51.84MHzのTCXO
DS4125 製造中止 DS4-XOシリーズクロック発振器
DS4155 製造中止 DS4-XOシリーズクロック発振器
DS4776 製造中止 DS4-XOシリーズクロック発振器
DS4622 製造中止 DS4-XOシリーズクロック発振器
DS4312 製造中止 DS4-XOシリーズクロック発振器
DS4077 製造中止 50MHz~122.88MHz VCXO
DS4311 製造中止 DS4-XOシリーズクロック発振器
DS4156 製造中止 DS4-XOシリーズクロック発振器
Modal heading
myAnalogに追加

myAnalogの製品セクション(通知受け取り)、既存/新規プロジェクトに製品を追加する。

新規プロジェクトを作成

最新のディスカッション

DS4106に関するディスカッションはまだありません。意見を投稿しますか?

EngineerZone®でディスカッションを始める

最近表示した製品