DS2422

製造中止

8KBデータログメモリ付き、1-Wire温度/データロガー

利用上の注意

本データシートの英語以外の言語への翻訳はユーザの便宜のために提供されるものであり、リビジョンが古い場合があります。最新の内容については、必ず最新の英語版をご参照ください。

なお、日本語版のデータシートは基本的に「Rev.0」(リビジョン0)で作成されています。そのため、英語版が後に改訂され、複数製品のデータシートがひとつに統一された場合、同じ「Rev.0」の日本語版のデータシートが異なる製品のデータシートとして表示されることがあります。たとえば、「ADM3307E」の場合、日本語データシートをクリックすると「ADM3311E」が表示されます。これは、英語版のデータシートが複数の製品で共有できるように1本化され、「ADM3307E/ADM3310E/ADM3311E/ADM3312E/ADM3315E」(Rev.J)と改訂されたからで、決して誤ってリンクが張られているわけではありません。和文化されたデータシートを少しでも有効に活用していただくためにこのような方法をとっておりますので、ご了解ください。

アナログ・デバイセズ社は、提供する情報が正確で信頼できるものであることを期していますが、その情報の利用に関して、あるいはその利用によって生じる第三者の特許やその他の権利の侵害に関して一切の責任を負いません。また、アナログ・デバイセズ社の特許または特許の権利の使用を明示的または暗示的に許諾するものでもありません。仕様は予告なしに変更する場合があります。本紙記載の商標および登録商標は、各社の所有に属します。

Viewing:

製品情報

  • 自動起動し、温度測定して、または外付けADCを読取り、8ビットまたは16ビット形式で8KBのデータログメモリに値を保管
  • 8ビット(0.5℃)または11ビット(0.0625℃)の分解能で変換するダイレクトデジタル温度コンバータ内蔵
  • サンプリングレート:1秒~273時間
  • 経過時間終了後まで遅延または温度アラームトリップポイント時に記録を開始するようにプログラム可能
  • 温度/データアラーム用にプログラマブルな高および低温トリップポイント
  • 1-Wire条件検索機能によりアラーム発生デバイスに迅速にアクセス
  • 512バイトの汎用メモリおよび64バイトのキャリブレーションメモリ
  • 全メモリおよび設定レジスタに対する2段階のパスワード保護
  • 出荷時にレーザ書込みされた固有の64ビット登録番号により、エラーのないデバイス選択と完全な製品識別を実現
  • 内蔵マルチドロップコントローラにより他のダラスセミコンダクタ1-Wireネットワーク製品との互換性を実現
  • 標準速度では最高15.4kbpsで、またはオーバドライブモードでは最高125kbpsで、マイクロプロセッサの単一ポートピンと直接接続し、交信可能
  • 動作温度範囲:-40℃~+85℃
  • 単一電源バッテリ動作:2.8V~3.6V
  • 低電力:1.2µA (スタンバイ時)、350µA (動作時)

iButton®温度/データロガー(DS2422)は、シングルチップに全機能データロガーの基幹機能を統合しています。この製品には、温度センサ、リアルタイムクロック(RTC)、メモリ、1-Wire®インタフェース、アナログ-デジタルコンバータ(ADC)用シリアルインタフェース、およびチャージポンプ用制御回路が内蔵されています。アプリケーションに応じたデータロガーを構築するために、周辺装置のADCとチャージポンプを追加することができます。外付けADCがない場合は、DS2422は単なる温度ロガーとして機能します。この製品はユーザ定義のレートで温度を測定し、ADCを読み取ります。また、DS2422は、1秒から273時間の範囲の等間隔で測定された8192個の8ビット測定値または4096個の16ビット測定値を保管することができます。

アプリケーション

  • (外付けADCおよびチャージポンプを用いると)データロガーのDS2422Sは、圧力監視、光センサ監視、熱電対温度の記録等、多くのデータロギング機能で使用することができます。
  • 冷却システム、および環境または温度管理システムの監視(HVAC)
  • 生鮮製品、製薬および血液製剤等の温度管理が重要な製品配送およびストレージ

DS2422
8KBデータログメモリ付き、1-Wire温度/データロガー
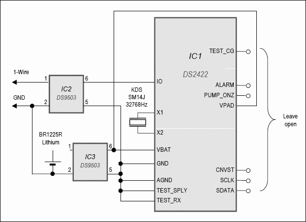
DS2422:簡素な温度ロガー
myAnalogに追加

myAnalogの製品セクション(通知受け取り)、既存/新規プロジェクトに製品を追加する。

新規プロジェクトを作成
質問する
サポート

アナログ・デバイセズのサポート・ページはアナログ・デバイセズへのあらゆるご質問にお答えするワンストップ・ポータルです。


ドキュメント

さらに詳しく
myAnalogに追加

myAnalogのリソース・セクション、既存/新規プロジェクトにメディアを追加する。

新規プロジェクトを作成

ハードウェア・エコシステム

製品モデル 製品ライフサイクル 詳細
メモリ & データ・ロガー 5
DS1922L 製造中 8KBデータログメモリ付き、iButton温度ロガー
DS1922T 製造中 8KBデータログメモリ付き、iButton温度ロガー
DS1921G 新規設計に推奨 Thermochron iButtonデバイス
DS1921H 製造中 高分解能Thermochron iButtonデバイス
DS1921Z 製造中 高分解能Thermochron iButtonデバイス
Modal heading
myAnalogに追加

myAnalogの製品セクション(通知受け取り)、既存/新規プロジェクトに製品を追加する。

新規プロジェクトを作成

最新のディスカッション

DS2422に関するディスカッションはまだありません。意見を投稿しますか?

EngineerZone®でディスカッションを始める

最近表示した製品