DS1123L

製造中止

3.3V、8ビット、プログラマブルタイミング素子

利用上の注意

本データシートの英語以外の言語への翻訳はユーザの便宜のために提供されるものであり、リビジョンが古い場合があります。最新の内容については、必ず最新の英語版をご参照ください。

なお、日本語版のデータシートは基本的に「Rev.0」(リビジョン0)で作成されています。そのため、英語版が後に改訂され、複数製品のデータシートがひとつに統一された場合、同じ「Rev.0」の日本語版のデータシートが異なる製品のデータシートとして表示されることがあります。たとえば、「ADM3307E」の場合、日本語データシートをクリックすると「ADM3311E」が表示されます。これは、英語版のデータシートが複数の製品で共有できるように1本化され、「ADM3307E/ADM3310E/ADM3311E/ADM3312E/ADM3315E」(Rev.J)と改訂されたからで、決して誤ってリンクが張られているわけではありません。和文化されたデータシートを少しでも有効に活用していただくためにこのような方法をとっておりますので、ご了解ください。

アナログ・デバイセズ社は、提供する情報が正確で信頼できるものであることを期していますが、その情報の利用に関して、あるいはその利用によって生じる第三者の特許やその他の権利の侵害に関して一切の責任を負いません。また、アナログ・デバイセズ社の特許または特許の権利の使用を明示的または暗示的に許諾するものでもありません。仕様は予告なしに変更する場合があります。本紙記載の商標および登録商標は、各社の所有に属します。

Viewing:

製品情報

  • ステップサイズ:0.25ns、0.5ns、1ns、2ns
  • リファレンス遅延内蔵
  • 遅延ライン、単安定振動子、または自走式発振器として構成可能
  • 信号を1周期以上遅延可能
  • 単調性保証
  • パラレルおよび3線式シリアルプログラミングインタフェース
  • 単一電源:3.3V
  • 16ピンTSSOP

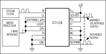
DS1123Lは、DS1023と機能的に類似した8ビットプログラマブルタイミング素子ですが、3.3Vで動作します。DS1023と同様に、DS1123Lはディレイラインとして使用する場合、信号を1周期以上遅延させることが可能で、固有の「ステップゼロ」遅延をオフセットするために内蔵のリファレンス遅延を使用することができます。これによって、DS1123Lは0~360°の全位相範囲でクロック信号をシフトすることができます。ディレイラインとしての機能に加え、このデバイスは自走式発振器または外部からトリガされる単安定振動子として構成することもできます。

アプリケーション

  • デジタル試験装置
  • デジタルビデオプロジェクション
  • 信号発生器およびアナライザ
  • テレコム

DS1123L
3.3V、8ビット、プログラマブルタイミング素子
DS1123L:標準動作回路
myAnalogに追加

myAnalogの製品セクション(通知受け取り)、既存/新規プロジェクトに製品を追加する。

新規プロジェクトを作成
質問する
サポート

アナログ・デバイセズのサポート・ページはアナログ・デバイセズへのあらゆるご質問にお答えするワンストップ・ポータルです。


ドキュメント

さらに詳しく
myAnalogに追加

myAnalogのリソース・セクション、既存/新規プロジェクトにメディアを追加する。

新規プロジェクトを作成

ソフトウェア・リソース

必要なソフトウェア/ドライバが見つかりませんか?

ドライバ/ソフトウェアをリクエスト

最新のディスカッション

DS1123Lに関するディスカッションはまだありません。意見を投稿しますか?

EngineerZone®でディスカッションを始める

最近表示した製品