ADXL212

新規設計には非推奨

加速度センサIC、2軸、±2g、低価格

利用上の注意

本データシートの英語以外の言語への翻訳はユーザの便宜のために提供されるものであり、リビジョンが古い場合があります。最新の内容については、必ず最新の英語版をご参照ください。

なお、日本語版のデータシートは基本的に「Rev.0」(リビジョン0)で作成されています。そのため、英語版が後に改訂され、複数製品のデータシートがひとつに統一された場合、同じ「Rev.0」の日本語版のデータシートが異なる製品のデータシートとして表示されることがあります。たとえば、「ADM3307E」の場合、日本語データシートをクリックすると「ADM3311E」が表示されます。これは、英語版のデータシートが複数の製品で共有できるように1本化され、「ADM3307E/ADM3310E/ADM3311E/ADM3312E/ADM3315E」(Rev.J)と改訂されたからで、決して誤ってリンクが張られているわけではありません。和文化されたデータシートを少しでも有効に活用していただくためにこのような方法をとっておりますので、ご了解ください。

アナログ・デバイセズ社は、提供する情報が正確で信頼できるものであることを期していますが、その情報の利用に関して、あるいはその利用によって生じる第三者の特許やその他の権利の侵害に関して一切の責任を負いません。また、アナログ・デバイセズ社の特許または特許の権利の使用を明示的または暗示的に許諾するものでもありません。仕様は予告なしに変更する場合があります。本紙記載の商標および登録商標は、各社の所有に属します。

Viewing:

製品情報

  • シングルICチップ上に高性能、1軸/2軸加速度センサを集積
  • 5mm×5mm×2mmのLCCパッケージ
  • 分解能:1mg @60Hz、低消費電力:700μA @Vs=5V(typ)
  • ゼロg時バイアスの高安定化
  • 温度範囲(-40℃~+125℃)にわたる高い感度精度
  • パルス幅変調(PWM)されたデジタル出力
  • 帯域幅は1つのコンデンサで設定が可能
  • 単電源動作
  • 3,500 gのショック耐性、RoHS準拠
  • Sn/Pbと鉛フリーの半田処理に適合

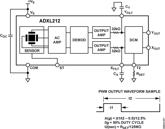
ADXL212は高精度、低消費電力の全機能内蔵の1軸と2軸の加速度センサで、デューティ・サイクル変調された出力を提供し、センサおよび処理回路の全てがシングルのモノリシックIC上に集積されています。ADXL212は、±2gのフルスケール範囲で加速度を計測します。ADXL212は、動的な加速度(振動など)と静的な加速度(傾きなど)の両方の計測が可能です。標準的なノイズ・フロアは110μg/√Hzで、狭帯域幅(60Hz以下)で使用すれば傾き検出のアプリケーションでは1mg(0.06°の傾斜)以下の分解能が可能となります。

ユーザーは、XOUT、YOUTピンにCX、CYコンデンサを用いて、加速度の帯域幅を設定することができます。0.5Hz~2.5kHzの帯域幅がアプリケーションに応じて選択できます。

ADXL212は5mm×5mm×2mm、8ピン・ハーメチックLCCパッケージを採用しています。

ADXL212
加速度センサIC、2軸、±2g、低価格
ADXL212 Functional Block Diagram ADXL212 Pin Configuration
myAnalogに追加

myAnalogの製品セクション(通知受け取り)、既存/新規プロジェクトに製品を追加する。

新規プロジェクトを作成
質問する
サポート

アナログ・デバイセズのサポート・ページはアナログ・デバイセズへのあらゆるご質問にお答えするワンストップ・ポータルです。


ドキュメント

さらに詳しく
myAnalogに追加

myAnalogのリソース・セクション、既存/新規プロジェクトにメディアを追加する。

新規プロジェクトを作成

ソフトウェア・リソース

必要なソフトウェア/ドライバが見つかりませんか?

ドライバ/ソフトウェアをリクエスト

評価用キット

EVAL-ADXL212
ADXL212 Evaluation Board
ADXL212 Evaluation Board ADXL212 Evaluation Board ADXL212 Evaluation Board

最新のディスカッション

最近表示した製品