ADH244S

製造中

DC~4GHz SP4T無反射スイッチ

利用上の注意

本データシートの英語以外の言語への翻訳はユーザの便宜のために提供されるものであり、リビジョンが古い場合があります。最新の内容については、必ず最新の英語版をご参照ください。

なお、日本語版のデータシートは基本的に「Rev.0」(リビジョン0)で作成されています。そのため、英語版が後に改訂され、複数製品のデータシートがひとつに統一された場合、同じ「Rev.0」の日本語版のデータシートが異なる製品のデータシートとして表示されることがあります。たとえば、「ADM3307E」の場合、日本語データシートをクリックすると「ADM3311E」が表示されます。これは、英語版のデータシートが複数の製品で共有できるように1本化され、「ADM3307E/ADM3310E/ADM3311E/ADM3312E/ADM3315E」(Rev.J)と改訂されたからで、決して誤ってリンクが張られているわけではありません。和文化されたデータシートを少しでも有効に活用していただくためにこのような方法をとっておりますので、ご了解ください。

アナログ・デバイセズ社は、提供する情報が正確で信頼できるものであることを期していますが、その情報の利用に関して、あるいはその利用によって生じる第三者の特許やその他の権利の侵害に関して一切の責任を負いません。また、アナログ・デバイセズ社の特許または特許の権利の使用を明示的または暗示的に許諾するものでもありません。仕様は予告なしに変更する場合があります。本紙記載の商標および登録商標は、各社の所有に属します。

Viewing:

製品情報

  • 低挿入損失:0.7dB(DC~3GHz)
  • 無反射設計
  • 内蔵2:4 TTLデコーダ
  • 高3次入力インターセプト・ポイント:+47dBm(0.5~3GHz)
  • 1dB圧縮ポイントの入力電力:+25dBm
  • 電力処理:+27dBm
  • 正の単電源:+5Vdc
  • 16ピン・ハーメチックSMTパッケージ

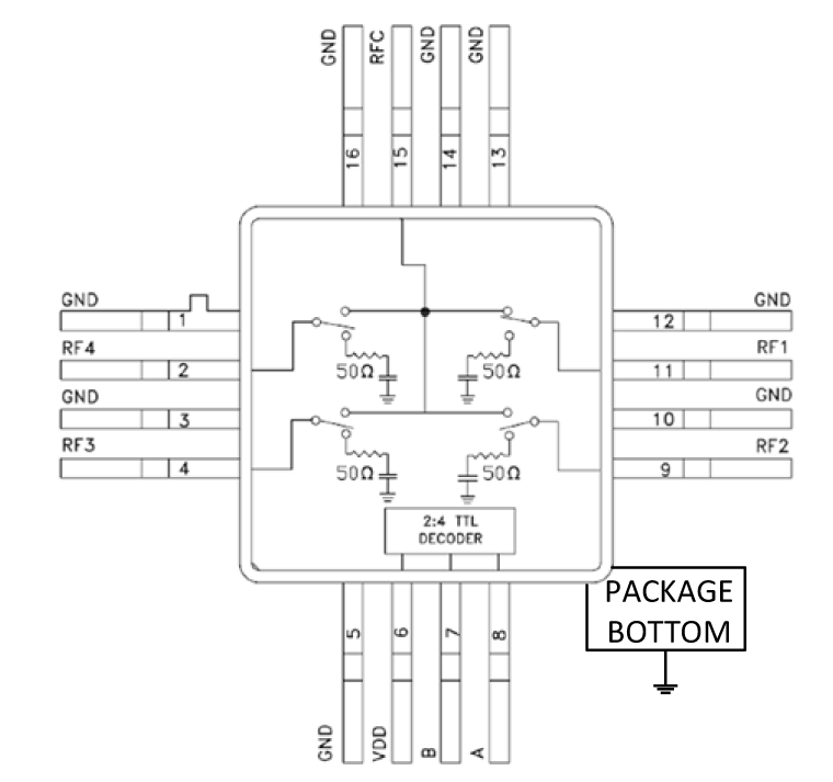
ADH244Sは、クラスSのスクリーニングを行った16ピンのガラス/金属ハーメチック・パッケージで提供される無反射SP4Tスイッチです。このSP4TスイッチはDC~4GHzで使用でき、30dB~50dBの絶縁性能と3GHzまで0.7dB(代表値)の低挿入損失を実現します。

ADH244Sは2:4 TTL/CMOS対応のデコーダを内蔵しており、2本の制御ラインと正の単電源(+5Vdc ±10%、代表値)だけで各パスを選択することができます。

アプリケーション

  • 宇宙アプリケーション
  • 防衛用無線、レーダー、ECM
  • 通信インフラストラクチャ
  • 試験用計測器

ADH244S
DC~4GHz SP4T無反射スイッチ
ADH244S Functional Block Diagram
myAnalogに追加

myAnalogの製品セクション(通知受け取り)、既存/新規プロジェクトに製品を追加する。

新規プロジェクトを作成
質問する
サポート

アナログ・デバイセズのサポート・ページはアナログ・デバイセズへのあらゆるご質問にお答えするワンストップ・ポータルです。


ドキュメント

さらに詳しく
myAnalogに追加

myAnalogのリソース・セクション、既存/新規プロジェクトにメディアを追加する。

新規プロジェクトを作成

ソフトウェア・リソース

必要なソフトウェア/ドライバが見つかりませんか?

ドライバ/ソフトウェアをリクエスト

最新のディスカッション

ADH244Sに関するディスカッションはまだありません。意見を投稿しますか?

EngineerZone®でディスカッションを始める

最近表示した製品