ADG1636

製造中

アナログ・スイッチ、デュアルSPDT、オン抵抗1Ω、±5V/+12V/+5V/+3.3V

利用上の注意

本データシートの英語以外の言語への翻訳はユーザの便宜のために提供されるものであり、リビジョンが古い場合があります。最新の内容については、必ず最新の英語版をご参照ください。

なお、日本語版のデータシートは基本的に「Rev.0」(リビジョン0)で作成されています。そのため、英語版が後に改訂され、複数製品のデータシートがひとつに統一された場合、同じ「Rev.0」の日本語版のデータシートが異なる製品のデータシートとして表示されることがあります。たとえば、「ADM3307E」の場合、日本語データシートをクリックすると「ADM3311E」が表示されます。これは、英語版のデータシートが複数の製品で共有できるように1本化され、「ADM3307E/ADM3310E/ADM3311E/ADM3312E/ADM3315E」(Rev.J)と改訂されたからで、決して誤ってリンクが張られているわけではありません。和文化されたデータシートを少しでも有効に活用していただくためにこのような方法をとっておりますので、ご了解ください。

アナログ・デバイセズ社は、提供する情報が正確で信頼できるものであることを期していますが、その情報の利用に関して、あるいはその利用によって生じる第三者の特許やその他の権利の侵害に関して一切の責任を負いません。また、アナログ・デバイセズ社の特許または特許の権利の使用を明示的または暗示的に許諾するものでもありません。仕様は予告なしに変更する場合があります。本紙記載の商標および登録商標は、各社の所有に属します。

Viewing:

製品情報

  • オン抵抗:1 Ω(typ)
  • オン抵抗平坦性:0.2 Ω
  • 両電源動作:±3.3 V ~±8 V
  • 単電源動作:3.3 V ~ 16 V
  • VL電源が不要
  • 3 Vロジック互換入力
  • レールtoレール動作
  • チャンネルあたりの連続電流:
    • LFCSPパッケージ:385 mA
    • TSSOP パッケージ:238 mA
  • 16ピンTSSOPパッケージまたは16ピン4×4 mm LFCSPパッケージを採用

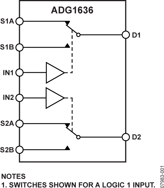
ADG1636は、独立に選択可能な2個のSPDT(シングル・ポール、ダブル・スロー)スイッチを内蔵するモノリシックCMOSデバイスです。EN入力は、デバイスをイネーブルまたはディスエーブルするときに使います。ディセーブルされると、すべてのチャンネルはスイッチ・オフされます。各スイッチはオンのとき等しく両方向に導通し、電源までの入力信号範囲を持っています。オフ状態では、電源電圧までの信号レベルを阻止します。両方のスイッチは、マルチプレクサ・アプリケーションで使えるようにブレーク・ビフォア・メーク・スイッチング動作を行います。 

これらのスイッチは超低オン抵抗を備えているため、低オン抵抗と歪が重要なデータ・アクイジションやゲイン切り替えのようなアプリケーションにとっては最適なソリューションをもたらします。オン抵抗のプロファイルとして、アナログ入力範囲全体にわたって非常にフラットであるため、オーディオ信号をスイッチングする場合優れた直線性と低歪を実現します。 

CMOS構造により消費電力が極めて少ないため、携帯型バッテリ駆動の計測機器にとって最適なデバイスになっています。 

製品のハイライト
  1. 全温度範囲にわたるオン抵抗:1.6Ω(max)
  2. 最小の歪み:THD + N=0.007%
  3. 3Vロジック互換デジタル入力: VINH = 2.0 V, VINL = 0.8 V
  4. VL ロジック電源が不要
  5. 超低パワー16mW以下
  6. 16ピンTSSOPパッケージまたは16ピン4×4 mm LFCSPパッケージを採用。
アプリケーション
  • 通信システム
  • 医療機器
  • オーディオ信号のルーティング
  • ビデオ信号のルーティング
  • 自動テスト装置
  • データ・アクイジション・システム
  • バッテリ駆動のシステム
  • サンプル・アンド・ホールド・システム
  • リレーの置き換え

ADG1636
アナログ・スイッチ、デュアルSPDT、オン抵抗1Ω、±5V/+12V/+5V/+3.3V
ADG1636-fbl ADG1636 Pin Configuration
myAnalogに追加

myAnalogの製品セクション(通知受け取り)、既存/新規プロジェクトに製品を追加する。

新規プロジェクトを作成
質問する
サポート

アナログ・デバイセズのサポート・ページはアナログ・デバイセズへのあらゆるご質問にお答えするワンストップ・ポータルです。


ドキュメント

さらに詳しく
myAnalogに追加

myAnalogのリソース・セクション、既存/新規プロジェクトにメディアを追加する。

新規プロジェクトを作成

ソフトウェア・リソース

必要なソフトウェア/ドライバが見つかりませんか?

ドライバ/ソフトウェアをリクエスト

ツールおよびシミュレーション

LTspice


下記製品はLTspiceで使用することが出来ます。:

  • ADG1636
LTspice

LTspice®は、無料で提供される強力で高速な回路シミュレータと回路図入力、波形ビューワに改善を加え、アナログ回路のシミュレーションを容易にするためのモデルを搭載しています。

 


評価用キット

eval board
EVAL-ADMX1001

完全差動入力アクイジション・チャンネルを備えた超低歪み信号発生器測定モジュール

機能と利点

  • 超低歪み、高分解能ソース
    • DC、50Hz~40kHzの周波数範囲
    • 独自のデジタル・プリディストーション(DPD)アルゴリズム
    • THD:−130dBc THD(1kHz時の代表値)
    • オンボード・パターン・メモリを用いた任意波形発生(AWG)
    • 差動(バランス)出力:最大3.5VRMS
    • 保存された複数の波形間の高速パターン切り替え
  • 完全差動入力アクイジション・チャンネル
  • スモール・フォーム・ファクタ(60mm × 40mm)
  • 低消費電力:1W(代表値、自己消費電力)
  • テストおよび測定システムに統合するためのSPIインターフェース

製品詳細

ADMX1001は、アクイジション・チャンネルを備えた超低歪み正弦波および高分解能任意波形の発生器です。この高性能モジュールは、独自のデジタル・プリディストーション・アルゴリズムの実例となるものであり、信号歪みを、高性能D/Aコンバータ(DAC)とアンプだけで達成できるレベルよりも低減します。その差動出力は、高性能A/Dコンバータ(ADC)、オーディオ・コーデック、およびその他のオーディオICやシステムのテストで必要とされることが多いコモンモード・レベルに設定できます。信号発生器とアクイジション・チャンネルは、別々の使いやすいSPIインターフェースを用いて個別に制御できます。ADMX1001は、スモール・フォーム・ファクタを有するため、テスト・システムに容易に組み込むことができ、あるいは、測定や特性評価用の作業台で簡単に使用できます。

アプリケーション

  • ハイエンド・オーディオのテスト
  • A/Dコンバータの特性評価およびテスト
  • センサーおよびトランスデューサーのテスト
  • 周波数応答とネットワーク解析
  • 自動試験装置(ATE)

eval board
EVAL-16LFCSP

スイッチおよびマルチプレクサ・ポートフォリオの16ピンLFCSPデバイスの評価用ボード

機能と利点

  • 16ピン、4mm × 4mm LFCSPの評価用ボード
  • メイン・デバイスのクラムシェル・ソケットを簡単に変更可能
  • ゴールド・ピン・コネクタによって受動部品を追加
  • 信号入出力用のSMBコネクタ
  • プロトタイピングに役立つオンボードの追加スペース

製品詳細

EVAL-16LFCSPEBZでは、別売のスイッチおよびマルチプレクサのポートフォリオの16ピン・リード・フレーム・チップ・スケール・パッケージ(LFCSP)デバイスを簡単に評価できます。EVAL-16LFCSPEBZにはクラムシェル・ソケットが付属しており、ハンダ処理なしで16ピンLFCSPデバイスを評価用ボードに固定できます。更に、各パターンに3セットのゴールド・ピン・コネクタがあるため、ボードの柔軟性と再利用性が高く、複数の評価に使用できます。

ユーザ・ガイドの図1は、EVAL-16LFCSPEBZを示しています。この評価用ボードの中央にあるソケットに16ピンLFCSPデバイスを挿入できます。デバイスの各ピンに、対応する3ピン・ヘッダ・リンク(K1~K16)があります。対応するリンクを取り外して外部信号源に接続することも、このリンクを使用してVDDまたはGNDを選択することもできます。ワイヤ・スクリュー端子J5は、VDDとGNDを供給します。EVAL-16LFCSPEBZのSubminiature Version B(SMB)コネクタによって、追加の外部信号をデバイスに供給できます。更に、EVAL-16LFCSPEBZの上面には、プロトタイピングに役立つパーフボード・スペースと2つの16ピンLFCSPパッド(3mm x 3mmと2.1mm x 2.1mm)があります。

テスト対象デバイス(DUT)のすべての仕様は、対応する製品のデータシートに記載されています。EVAL-16LFCSPEBZを使用する際は、EVAL-16LFCSPEBZのユーザ・ガイドと併せて製品データシートを参照してください。

eval board
EVAL-ADMX1002

超低歪み信号発生器測定モジュール

機能と利点

  • 超低歪み、高解像度ソース
    • 周波数範囲:DC 、50Hz~40kHz
    • 独自のデジタル・プリディストーション(DPD)アルゴリズム
    • −130dBc THD(1kHz(代表値)の時)
    • 内蔵パターン・メモリを用いた任意波形発生(AWG)
    • 差動(バランス型)出力:最大3.6VRMS
  • 複数の記憶された波形間の高速パターン・スイッチング
  • スモール・フォーム・ファクタ(60mm × 40mm)
  • 低消費電力:1W(自己消費、代表値)
  • SPIインターフェースをテストおよび測定システムに統合

製品詳細

ADMX1002は、超低歪み、正弦波、高解像度の任意波形発生器です。この高性能モジュールは、独自のデジタル・プリディストーション・アルゴリズムの採用により、信号の歪みを、高性能のDAC(D/Aコンバータ)やアンプのみが達成できるレベル以下に低減します。その差動出力は、高性能ADC(A/Dコンバータ)、オーディオ・コーデック、その他のオーディオICやシステムのテストで必要になることが多いコモンモード・レベルに合わせて設定できます。容易に導入可能なSPIインターフェースとスモール・フォーム・ファクタにより、ADMX1002は、テスト・システムへの組み込みが容易にでき、測定や特性評価用の作業台でも簡単に使用できます。

アプリケーション

  • ハイエンド・オーディオのテスト
  • A/Dコンバータの特性評価およびテスト
  • センサーおよびトランスジューサのテスト
  • 周波数応答およびネットワークの解析
  • ATE(自動試験装置)

eval board
EVAL-16TSSOP

スイッチ/マルチプレクサ・ポートフォリオの16ピンTSSOPデバイス評価用ボード

機能と利点

  • 16ピンTSSOP評価用ボード
  • クランプによってメイン・デバイスを簡単に変更可能
  • ゴールド・ピン・コネクタによって受動部品の追加が可能
  • 信号入出力用のSMBコネクタ
  • プロトタイピングを可能とする、オンボードの追加スペース

製品詳細

EVAL-16TSSOPEBZ評価用ボードは、別売のスイッチおよびマルチプレクサ・ポートフォリオの16ピンTSSOPデバイスを評価します。EVAL-16TSSOPEBZにはクランプが付属しており、ハンダ処理なしで16ピンTSSOPデバイスを評価用ボードに固定できるため、複数のデバイスでボードを再利用できます。

16ピンTSSOPデバイスは、評価用ボードの中央にクランプまたはハンダで取り付けることができます。デバイスの各ピンにはK1からK16まで対応するリンクがあり、VDDまたはGNDのいずれかに設定できます。ワイヤ・スクリュー端子は、VDDとGNDに電力を供給します。ボード上のSMBコネクタによって、追加の外部信号をデバイスに供給できます。また、ボードの上部にはプロトタイピングに利用できるスペースがあります。

テスト対象デバイス(DUT)のすべての仕様は、対応する製品のデータシートに記載されています。評価用ボードを使用する際は、このユーザー・ガイドと併せて参照してください。

EVAL-ADMX1001
完全差動入力アクイジション・チャンネルを備えた超低歪み信号発生器測定モジュール
ADMX1001 - Top View ADMX1001 - Bottom View ADMX1001 - Angle View ADMX1001FMCZ - Top View ADMX1001FMCZ - Bottom View ADMX1001FMCZ - Angle View EVAL-ADMX100X-FMCZKIT - Angle View EVAL-ADMX100X-FMCZKIT - Top View
EVAL-16LFCSP
スイッチおよびマルチプレクサ・ポートフォリオの16ピンLFCSPデバイスの評価用ボード
EVAL-16LFCSPEBZ Evaluation Board EVAL-16LFCSPEBZ Evaluation Board - Top View EVAL-16LFCSPEBZ Evaluation Board - Bottom View
EVAL-ADMX1002
超低歪み信号発生器測定モジュール
EVAL-ADMX100X-FMCZKIT - Angle View EVAL-ADMX100X-FMCZKIT - Top View ADMX1002 - Angle View ADMX1002 - Top View ADMX1002 - Bottom View
EVAL-16TSSOP
スイッチ/マルチプレクサ・ポートフォリオの16ピンTSSOPデバイス評価用ボード
EVAL-16TSSOPEBZ Image

最新のディスカッション

最近表示した製品