MAX20366

新規設計に推奨

超低IQレギュレータ、チャージャ、残量ゲージ、ハプティック・ドライバを内蔵した小型リチウムイオン・システム用PMIC

利用上の注意

本データシートの英語以外の言語への翻訳はユーザの便宜のために提供されるものであり、リビジョンが古い場合があります。最新の内容については、必ず最新の英語版をご参照ください。

なお、日本語版のデータシートは基本的に「Rev.0」(リビジョン0)で作成されています。そのため、英語版が後に改訂され、複数製品のデータシートがひとつに統一された場合、同じ「Rev.0」の日本語版のデータシートが異なる製品のデータシートとして表示されることがあります。たとえば、「ADM3307E」の場合、日本語データシートをクリックすると「ADM3311E」が表示されます。これは、英語版のデータシートが複数の製品で共有できるように1本化され、「ADM3307E/ADM3310E/ADM3311E/ADM3312E/ADM3315E」(Rev.J)と改訂されたからで、決して誤ってリンクが張られているわけではありません。和文化されたデータシートを少しでも有効に活用していただくためにこのような方法をとっておりますので、ご了解ください。

アナログ・デバイセズ社は、提供する情報が正確で信頼できるものであることを期していますが、その情報の利用に関して、あるいはその利用によって生じる第三者の特許やその他の権利の侵害に関して一切の責任を負いません。また、アナログ・デバイセズ社の特許または特許の権利の使用を明示的または暗示的に許諾するものでもありません。仕様は予告なしに変更する場合があります。本紙記載の商標および登録商標は、各社の所有に属します。

Viewing:

製品情報

  • 充電から次回充電までのバッテリ使用時間を延長
    • 2つのMicro-IQ 400mA降圧レギュレータ(IQ:代表値各330nA)
      • 0.550V~1.180V(10mVステップ)
      • 0.550V~2.125V(25mVステップ)
      • 0.550V~3.700V(50mVステップ)
    • Micro-IQ 600mA降圧レギュレータ(IQ:代表値330nA)
      • 0.550V~1.180V(10mVステップ)
      • 0.550V~2.125V(25mVステップ)
      • 0.550V~3.700V(50mVステップ)
    • Micro-IQ LV LDO/負荷スイッチ(IQ:代表値1µA)
      • 入力電圧:1.0V~2.0V
      • 出力:50mA
      • 出力電圧:0.5V~1.95V、25mVステップ
    • Micro-IQ LDO/負荷スイッチ(IQ:代表値1µA)
      • 入力電圧:1.71V~5.5V
      • 出力:100mA
      • 0.9V~4V(100mVステップ)/li>
    • Micro-IQ昇降圧レギュレータ(IQ:代表値2μA)
      • 出力:1.5W
      • 2.6V~5V(50mVステップ)
  • リチウムイオン・バッテリ充電を容易に実装可能
    • 広い高速充電電流範囲:5mA~500mA
    • 入力耐圧:28V/-5.5V
    • プログラム可能なJEITA電流/電圧プロファイル
  • 高集積化によりソリューションの実装面積を最小化
    • 3.3Vまたは5.0V安全出力LDO
      • 15mA(CHGIN印加時)
    • ERM/LRAハプティック・ドライバ
      • 自動ブレーキング(LRAのみ)
      • 自動共振トラッキング(LRAのみ)
  • 多様なディスプレイ・オプションに対応
    • Micro-IQ昇圧レギュレータ(IQ:代表値2.4µA)
      • 出力:300mW
      • 5V~20V(250mVステップ)
    • 3チャンネル電流シンク
      • 耐電圧:20V
      • 0.6mA~30mAでプログラム可能
    • システム制御を最適化
      • プログラム可能なプッシュボタン・コントローラ
      • プログラム可能な電源シーケンシング
      • 工場在庫モード
      • 電圧/充電電流モニタ用マルチプレクサとA/Dコンバータ(ADC)を内蔵

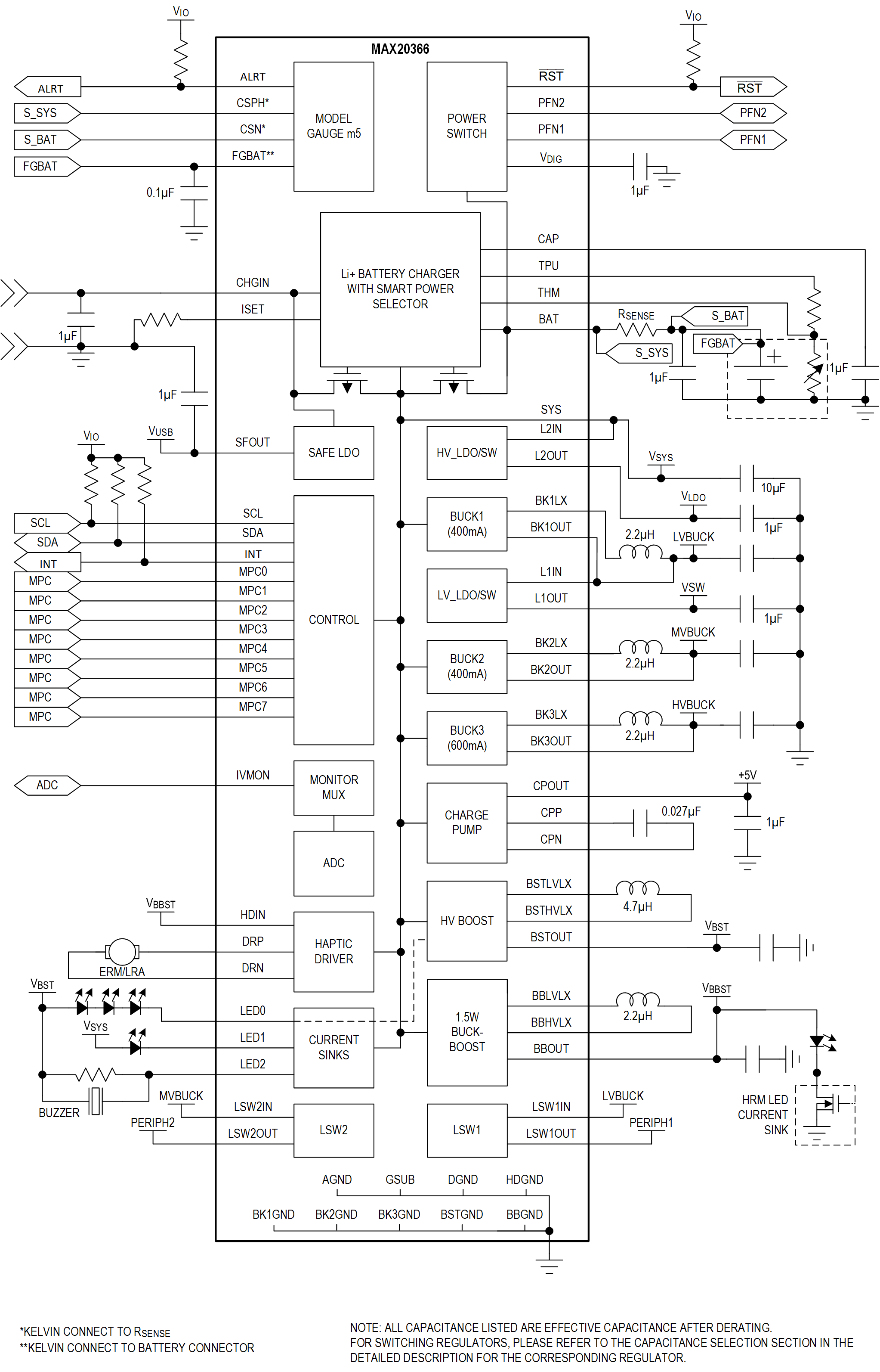
MAX20366は、超低電力のウェアラブル・アプリケーション向けに設計された、プログラム可能な高集積パワー・マネージメント・ソリューションです。バッテリ寿命を延ばし、ソリューション全体を小型化することで、サイズと効率性を最適化し、最終製品の価値を高めています。複数の降圧、昇圧、昇降圧コンバータ、およびリニア電圧レギュレータなど、消費電力が最適化された電圧レギュレータからなる柔軟なセットは、高度に集積化されており、完全に最適化された電源アーキテクチャを作成することができます。各レギュレータの自己消費電流は極めて小さく、常時オンで使用するアプリケーションのバッテリ寿命を延長することを目標としています。

MAX20366には、バッテリ・シール、チャージャ、電力経路、残量ゲージを備えたフル機能のバッテリ管理ソリューションが搭載されています。このチャージャには、温度管理と入力保護の両方が組み込まれています。また、このデバイスには、出荷時にプログラム可能なボタン・コントローラも備わっており、製品使用時の要件に応じて入力をカスタマイズできます。

更に、インジケータまたはバックライト機能用に3つのLED電流シンクが内蔵されており、自動共振トラッキング機能を備えたERM/LRAドライバは高度なハプティック・フィードバックを提供することができます。低ノイズの1.5W昇降圧コンバータは、光学式心拍数測定システムで一般的に使用されているLED用に、ノイズの少ない給電方法を提供します。このデバイスはI2Cインターフェースを介して設定可能なため、内蔵ADCによる電源電圧や温度の読出しなど、各種機能をプログラムしたり、デバイス・ステータスを読出したりできます。このデバイスは、72バンプ、0.5mmピッチ、4.88mm x 4.19mmのウェーハ・レベル・パッケージ(WLP)で提供され、-40ºC~+85ºCの広い温度範囲で動作します。

アプリケーション

  • ウェアラブル・デバイス
  • IoT

MAX20366
超低IQレギュレータ、チャージャ、残量ゲージ、ハプティック・ドライバを内蔵した小型リチウムイオン・システム用PMIC
MAX20366 Simplified Block Diagram MAX20366 Pin Configuration MAX20366 Pin Configuration
myAnalogに追加

myAnalogの製品セクション(通知受け取り)、既存/新規プロジェクトに製品を追加する。

新規プロジェクトを作成
質問する
サポート

アナログ・デバイセズのサポート・ページはアナログ・デバイセズへのあらゆるご質問にお答えするワンストップ・ポータルです。


ドキュメント

さらに詳しく
myAnalogに追加

myAnalogのリソース・セクション、既存/新規プロジェクトにメディアを追加する。

新規プロジェクトを作成

ソフトウェア・リソース

必要なソフトウェア/ドライバが見つかりませんか?

ドライバ/ソフトウェアをリクエスト

評価用キット

eval board
MAX20366EVKIT

MAX20366の評価用キット

機能と利点

  • USB給電オプション
  • 柔軟な構成
  • LED電流シンクとバッテリ・シミュレーションを内蔵
  • 出力電圧測定用の検出テスト・ポイント
  • ハプティック波形測定用のフィルタ・テスト・ポイント
  • Windows® 8/Windows 10対応GUIソフトウェア
  • 完全実装済みおよび試験済み

製品詳細

MAX20366評価用キット(EVキット)は、MAX20366(超低電力のウェアラブル・パワー・マネージメントIC(PMIC))の性能評価を目的とした完全実装済みおよび試験済みの回路基盤です。MAX20366には、電圧レギュレータ(降圧、昇圧、昇降圧、リニア)、およびバッテリ・シール、チャージャ、電力経路、残量ゲージを備えたフル機能のバッテリ管理ソリューションが内蔵されています。

このデバイスは、各種機能のプログラミングとデバイス・ステータスの読出しを可能にするI2Cインターフェースを介して設定できます。このEVキットのGUIアプリケーションからMAXPICO2PMB#アダプタ・ボードにコマンドを送信し、本デバイスを設定します。

MAX20366EVKIT#にはハーベスタ機能がありません。MAX20366HEVKIT#ではハーベスタ機能が有効になっており、MAX20361EVKIT#に接続して2つのデバイス間の相互作用を評価できます。

MAX20366EVKIT
MAX20366の評価用キット
MAX20366EVKIT Board Photo Angle View MAX20366EVKIT Board Photo Top View MAX20366EVKIT Board Photo Bottom View

最新のディスカッション

MAX20366に関するディスカッションはまだありません。意見を投稿しますか?

EngineerZone®でディスカッションを始める

最近表示した製品