HMC697
製造中止SMT Direct I/Q Modulator, 450 - 4000 MHz
- 製品モデル
- 4
- 1Ku当たりの価格
- 価格は未定
製品情報
- Very Low Noise Floor, -165 dBm/Hz
- Excellent Carrier & Sideband Suppression
- Very High Linearity, +22 dBm OIP3
- High Output Power, +9 dBm Output P1dB
- High Modulation Accuracy
- 24 Lead 4x4 mm QFN Package: 16 mm²
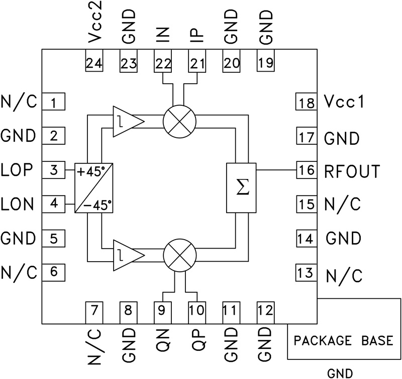
The HMC697LP4(E) is a low noise, high linearity Direct Quadrature Modulator RFIC which is ideal for digital modulation applications from 0.2 to 4.0 GHz including; Cellular/3G, WiMAX/4G, Broadband Wireless Access & ISM circuits. Housed in a compact 4x4 mm (LP4) SMT QFN package, the RFIC requires minimal external components & provides a low cost alternative to more complicated double upconversion architectures.
The RF output port is single-ended and matched to 50 Ohms with no external components. The LO requires -6 to +6 dBm and can be driven in either differential or single-ended mode. This device is optimized for a +5V supply, and offers improved carrier feedthrough and sideband suppression characteristics.
Applications
- UMTS, GSM or CDMA Basestations
- Fixed Wireless or WLL
- ISM Transceivers, 900 & 2400 MHz
- GMSK, QPSK, QAM, SSB Modulators
- Cellular/3G and WiMAX/4G
ドキュメント
製造中止品のデータシート 1
品質関連資料 2
テープ&リール仕様 1
| 製品モデル | ピン/パッケージ図 | 資料 | CADシンボル、フットプリント、および3Dモデル |
|---|---|---|---|
| HMC697LP4 | 16-Lead LFCSP (3mm x 3mm w/ EP) | ||
| HMC697LP4E | 24-Lead QFN (4mm x 4mm w/ EP) | ||
| HMC697LP4ETR | 24-Lead QFN (4mm x 4mm w/ EP) | ||
| HMC697LP4TR | 16-Lead LFCSP (3mm x 3mm w/ EP) |
| 製品モデル | 製品ライフサイクル | PCN |
|---|---|---|
|
6 6, 2022 - 22_0048 Addition of ASE Korea as an Alternate Assembly Site for Select LFCSP Products |
||
| HMC697LP4E | 製造中止 | |
| HMC697LP4ETR | 製造中止 | |
|
3 3, 2016 - 16_0010 Discontinuance of Select RF and Microwave Products |
||
| HMC697LP4 | 製造中止 | |
| HMC697LP4E | 製造中止 | |
| HMC697LP4ETR | 製造中止 | |
| HMC697LP4TR | 製造中止 | |
これは最新改訂バージョンのデータシートです。