HMC381

製造中止

High IP3 Dual Channel Downconverter SMT, 1.7 - 2.7 GHz

Viewing:

製品情報

  • Input IP3: +27 dBm
  • Low Single Input LO Drive: 0 dBm
  • Conversion Gain: 9 dB
  • Noise Figure: 12 dB
  • Single Positive Supply: +5V @ 260mA

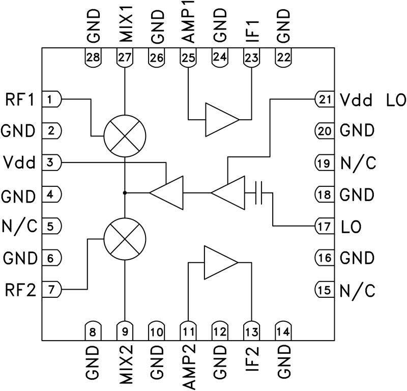
The HMC381LP6(E) is a high linearity Dual Down Converter Receiver IC that operates from 1.7 - 2.7 GHz and delivers a +27dBm input third order intercept point for UMTS & PHS applications. The passive mixer outputs and high dynamic range IF amplifier inputs are positioned so that an external IF filter can be placed in series between them.

The converter provides a gain of 9 dB and 12 dB typical single side band noise figure. The IC operates from a positive +5V rail consuming 260 mA of current while requiring a LO drive level of only -4 to +4 dBm. The design requires no external baluns and supports IF frequencies between 50 and 300 MHz.

Applications

  • GSM, GPRS & EDGE
  • CDMA & W-CDMA
  • PHS & PDC

HMC381
High IP3 Dual Channel Downconverter SMT, 1.7 - 2.7 GHz
hmc381lp6_fbl
myAnalogに追加

myAnalogの製品セクション(通知受け取り)、既存/新規プロジェクトに製品を追加する。

新規プロジェクトを作成
質問する
サポート

アナログ・デバイセズのサポート・ページはアナログ・デバイセズへのあらゆるご質問にお答えするワンストップ・ポータルです。


ドキュメント

データシート

これは最新改訂バージョンのデータシートです。

さらに詳しく
myAnalogに追加

myAnalogのリソース・セクション、既存/新規プロジェクトにメディアを追加する。

新規プロジェクトを作成

ソフトウェア・リソース

必要なソフトウェア/ドライバが見つかりませんか?

ドライバ/ソフトウェアをリクエスト

ツールおよびシミュレーション

Sパラメータ 1


評価用キット

EVAL-HMC381LP6
HMC381LP6 Evaluation Board

最新のディスカッション

最近表示した製品