HMC1095
新規設計に推奨0.5 dB LSB GaAs MMIC 6 ビット 75 Ω デジタル減衰器、DC ~ 3 GHz
- 製品モデル
- 2
- 1Ku当たりの価格
- 価格は未定
製品情報
- 0.5 dB LSB ステップで 31.5 dB まで
- パワーアップ状態の選択
- 高入力 IP3: +57 dBm
- 低挿入損失: 1.0 GHz で 1.5 dB
- TTL/CMOS 互換、シリアル、パラレル、またはラッチ式パラレル制御
- ステップ誤差: ±0.25 dB(代表値)
- +3 V または +5 V の単電源
- 16 mm² リードレス SMT プラスチック・パッケージ
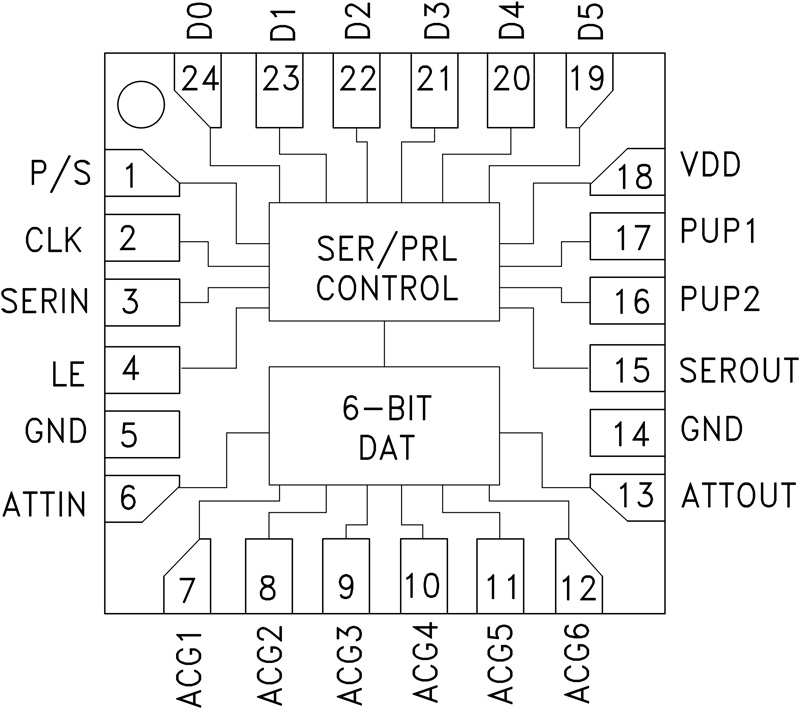
HMC1095LP4E は、GaAs IC の広帯域 6 ビット・デジタル減衰器で、低価格のリードレス SMT パッケージを採用しています。この汎用デジタル減衰器は、DC に近い動作用に 外部の AC 接地コンデンサと一体化するので、様々な RF および IF アプリケーションに適しています。デュアル・モードの制御インターフェースは CMOS/TTL 互換で、3 線シリアル入力または 6 ビット・パラレル・ワードに対応します。HMC1095LP4E は、選択可能なパワーアップ状態や、Hittite の別のシリアル制御部品とカスケード接続するためのシリアル出力ポートも備えています。HMC1095LP4E は、RoHS 準拠 4 mm×4 mm QFN リードレス・パッケージを採用しており、外付けマッチング部品が不要です。
アプリケーション- CATV/衛星通信用セット・トップ・ボックス
- CATV モデム
- CATV インフラストラクチャ
- データ・ネットワーク機器
ドキュメント
データシート 1
テープ&リール仕様 1
製品選択ガイド 1
| 製品モデル | ピン/パッケージ図 | 資料 | CADシンボル、フットプリント、および3Dモデル | 
|---|---|---|---|
| HMC1095LP4E | 24-Lead QFN (4mm x 4mm w/ EP) | ||
| HMC1095LP4ETR | 24-Lead QFN (4mm x 4mm w/ EP) | 
| 製品モデル | 製品ライフサイクル | PCN | 
|---|---|---|
| 3 29, 2023 - 22_0048 Addition of ASE Korea as an Alternate Assembly Site for Select LFCSP Products | ||
| HMC1095LP4E | 製造中 | |
| HMC1095LP4ETR | 製造中 | |
これは最新改訂バージョンのデータシートです。
ソフトウェア・リソース
必要なソフトウェア/ドライバが見つかりませんか?
ドライバ/ソフトウェアをリクエストツールおよびシミュレーション
ADIsimRF
ADIsimRFは使いやすいRFシグナル・チェーン計算ツールです。最大50段までのシグナル・チェーンについて、カスケード・ゲイン、ノイズ、歪み、消費電力を計算し、プロット、エクスポートが可能です。ADIsimRFには、アナログ・デバイセズのRFおよびミックスド・シグナル部品のデバイス・モデルの広範なデータ・ベースも含まれています。
ツールを開く