HMC-C055

製造中止

22.5 度 4 ビット・デジタル位相シフタ・モジュール、8 GHz ~ 12 GHz

利用上の注意

本データシートの英語以外の言語への翻訳はユーザの便宜のために提供されるものであり、リビジョンが古い場合があります。最新の内容については、必ず最新の英語版をご参照ください。

なお、日本語版のデータシートは基本的に「Rev.0」(リビジョン0)で作成されています。そのため、英語版が後に改訂され、複数製品のデータシートがひとつに統一された場合、同じ「Rev.0」の日本語版のデータシートが異なる製品のデータシートとして表示されることがあります。たとえば、「ADM3307E」の場合、日本語データシートをクリックすると「ADM3311E」が表示されます。これは、英語版のデータシートが複数の製品で共有できるように1本化され、「ADM3307E/ADM3310E/ADM3311E/ADM3312E/ADM3315E」(Rev.J)と改訂されたからで、決して誤ってリンクが張られているわけではありません。和文化されたデータシートを少しでも有効に活用していただくためにこのような方法をとっておりますので、ご了解ください。

アナログ・デバイセズ社は、提供する情報が正確で信頼できるものであることを期していますが、その情報の利用に関して、あるいはその利用によって生じる第三者の特許やその他の権利の侵害に関して一切の責任を負いません。また、アナログ・デバイセズ社の特許または特許の権利の使用を明示的または暗示的に許諾するものでもありません。仕様は予告なしに変更する場合があります。本紙記載の商標および登録商標は、各社の所有に属します。

Viewing:

製品情報

  • 低 RMS 位相誤差: 6 度
  • 低挿入損失: 7 dB
  • 優れた平坦性
  • 360 度の範囲、LSB = 22.5 度
  • ハーメチック・シール・モジュール
  • フィールド交換可能 SMA(メス)コネクタ

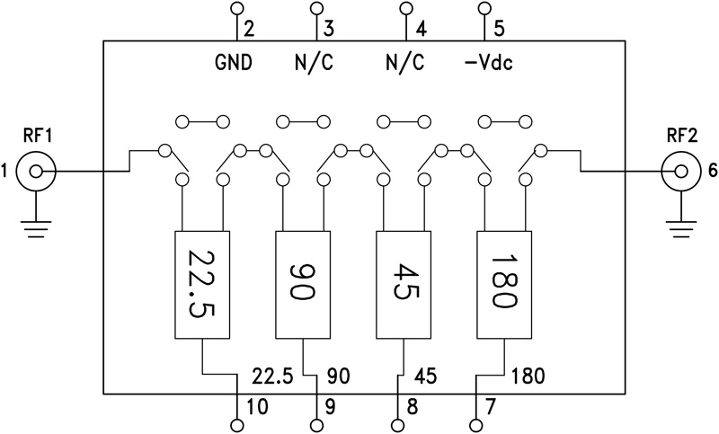
HMC-C055 は 8 GHz ~ 12 GHz の範囲で定格が定められている 4 ビット・デジタル位相シフタで、22.5 度の LSB で単調増加する 0 度~ 360 度の位相範囲を提供します。HMC-C055 は、6 度という非常に小さい RMS 位相誤差と、全ての位相状態で 1 dB という小さい挿入損失変動を特長とします。この高精度位相シフタは、 -5 V の単一 DC 電圧を必要とし、50 Ω に内部整合されています。パッケージはハーメチック・シールド・モジュールで、フィールド交換可能な SMA コネクタを使用するか、またはドロップイン・モジュールとして使用することができます。 

アプリケーション
  • EW レシーバ
  • 気象観測および防衛用レーダー
  • 衛星通信
  • ビーム形成モジュール

HMC-C055
22.5 度 4 ビット・デジタル位相シフタ・モジュール、8 GHz ~ 12 GHz
HMC-C055 Functional Block Diagram
myAnalogに追加

myAnalogの製品セクション(通知受け取り)、既存/新規プロジェクトに製品を追加する。

新規プロジェクトを作成
質問する
サポート

アナログ・デバイセズのサポート・ページはアナログ・デバイセズへのあらゆるご質問にお答えするワンストップ・ポータルです。


ドキュメント

データシート 1

データシート

これは最新改訂バージョンのデータシートです。

さらに詳しく
myAnalogに追加

myAnalogのリソース・セクション、既存/新規プロジェクトにメディアを追加する。

新規プロジェクトを作成

ソフトウェア・リソース

必要なソフトウェア/ドライバが見つかりませんか?

ドライバ/ソフトウェアをリクエスト

最新のディスカッション

HMC-C055に関するディスカッションはまだありません。意見を投稿しますか?

EngineerZone®でディスカッションを始める

最近表示した製品