アナログ・ダイアログの2017年12月号から、アクティブ・ラーニング・モジュール「ADALM1000」について紹介しています。今回も、引き続きこのSMU(ソース・メジャー・ユニット)モジュールを使用し、小規模かつ基本的な測定を行う方法を説明します。ADALM1000に関する以前の記事は、こちらからご覧になれます。

目的
この実験では、RC( 抵抗、コンデンサ) で構成されるローパス・フィルタ( パッシブ・フィルタ) を最多で3つカスケード接続した回路を取り上げます。2つ目と3つ目のフィルタが負荷として存在する場合、シンプルなRCフィルタ回路の周波数応答に変化が生じます。この実験では、具体的にどのような変化が生じるのか検証します。
背景
2つのRCローパス・フィルタ(1次のフィルタ)がカスケード接続されている回路を考えます。その場合、回路全体の周波数応答は、単純に各ローパス・フィルタの伝達関数の積をとれば求められるというわけではありません。理想的な単極応答では、インピーダンスがゼロの信号源によって、出力側に負荷が存在しないフィルタを駆動するケースを考えます。つまり、フィルタは無限大のインピーダンスを駆動すると仮定しているということです。しかし、実際には、2つ目のフィルタは1つ目のフィルタにとっての負荷となります。つまり、2つのフィルタを直接接続することで、事実上、1つ目のフィルタのRC時定数が変化してしまうということです。カスケード接続した回路について、フェーザを加えるだけで解析を行おうとすると、すぐにその方法には欠点があることに気づきます。このような場合には、回路シミュレーション・ソフトを利用すると非常に便利です。
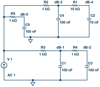
実験を行う前の演習として、回路シミュレーション・ソフト「ADIsimPE™」または「LTspice®」を使用し、図2に示した回路図を入力してみてください。この回路には、3つの異なるRCローパス・フィルタが含まれています。いずれのフィルタも、同じAC電源V1によって駆動されます。抵抗R5とコンデンサC5は、dB-0を出力とするシンプルな単極(1次)フィルタを構成しています。一方、抵抗R3とR4、コンデンサC1とC3は、2次のフィルタを構成しています。ここでは、各値の関係をR4 = R3、C3= C1としています。この2次のフィルタについては、1つ目のフィルタの出力であるdB-1と、2つ目のフィルタの出力であるdB-2の2つをプロットすることにします。更に、抵抗R2とR1、コンデンサC4とC2によって、もう1つの2次のフィルタを構成しています。それぞれの値は、R1= 10×R2、C2 = C4/10という関係になるように設定しています。このフィルタについても、1つ目の出力であるdB-3と、2つ目の出力であるdB-4をプロットすることにします。2つの2次のフィルタを比較すると、RCの時定数については同じ値になります。但し、後者のフィルタでは抵抗の値を10倍にし、コンデンサの値を1/10にすることで負荷の影響を削減しています。カスケード接続したRCフィルタを設計する際には、このように10の倍数を利用する調整方法がよく使用されます。
ここで、入力周波数を100Hzから20kHzまで掃引してシミュレーションを実行します。すると、図3のような周波数応答のプロットが得られるはずです。

図3を見ればわかるように、完全に無負荷の1次フィルタの出力dB-0(緑色の線)と比較的負荷の軽いフィルタの出力dB-3(橙色の線)は、ほぼ同じです。一方、比較的負荷の重い出力dB-1(青色の線)は、RCの時定数で決まる周波数において、dB-0、dB-3よりも振幅がかなり小さくなっています。ただ、3つとも周波数が上昇して20kHzに達すると、振幅は等しくなっています。また、2つの2次フィルタの出力dB-2(赤色の線、負荷あり)とdB-4(紫の線、軽い負荷)を比較すると、RCの時定数で決まる周波数では、振幅に大きな違いがあります。ただ、こちらも周波数が20kHzに達すると、振幅は等しくなっています。2次のフィルタ全体としての応答は、想定どおり1次のフィルタと比較して20dB減衰しています。

準備するもの
- ADALM1000
- 抵抗(1kΩ):3個
- 抵抗(10kΩ):1個
- 抵抗(100kΩ):1個
- コンデンサ(0.1μF):3個(表示は104)
- コンデンサ(0.01μF):1個(表示は103)
- コンデンサ(0.001μF):1個(表示は102)
手順
ソルダーレス・ブレッドボード上に、図4に示した1次のRCローパス・フィルタ( パッシブ・フィルタ) を構成します。

デスクトップ・ソフトウェア「ALICE」のボーデ・プロッタの画面を、以下に説明するように設定します。まず同ツールの画面が開いている状態で「Enab Time Plot」セレクタの選択を解除し、メインの「Scope」ウィンドウを最小化します。
次に「Frequency Scale」を対数に設定します。
続いて「Curves」ドロップダウン・メニューで「CAdBV」、「CB-dB - CA-dB」を選択します。前者は入力レベルを確認するための設定であり、後者は入力に対する出力応答をプロットするための設定です。
更に「Start Frequency」を100Hzに設定し、「Stop Frequency」を20000Hzに設定します。
掃引ソースとして「CHA」を選択し、掃引ポイントの数を300に設定します。FFTウィンドウの形状は「Flat -Top」とします。「Options」ドロップダウン・メニューで、「Cut-DC」オプションが選択されていることを確認します。
「+dB/div」ボタンと「-dB/div」ボタンを使い、縦軸に対して5dB/divを設定します。また「LVL+1」ボタンと「LVL-1」ボタンを使って、グリッドの最上線のレベルを5dBに設定します。
「AWG」コントロール・ウィンドウにおいて、チャンネルAが「SVMI」モード、「Shape」が「Sin」、チャンネルBが「Hi-Z」モードに設定されていることを確認します。加えて、チャンネルAの「Min」を1.0に設定し、「Max」を4.0に設定します。
「Single Sweep」モードが選択されている状態で、緑色の「Run」ボタンをクリックします。すると、数秒後に、ローパス・フィルタの周波数応答を示すプロットが表示されるはずです。「Options」ドロップダウン・メニューで「Store Trace」ボタンをクリックし、プロットのコピーを保存します。また「Curves」ドロップダウン・メニューで、保存した「Math」プロットを選択して表示できるようにします。
2次のフィルタ
続いて、図5に示すように、図4のフィルタに対してRCローパス・フィルタをもう1 つ追加します。チャンネルBの入力は、1つ目のフィルタの出力であるC1の上端と、2つ目のフィルタの出力であるC2の上端に交互に接続します。

チャンネルBをC1の上端に接続した状態で、再び緑色の「Start」ボタンをクリックします。再び掃引が行われ、それが完了すると、図4のフィルタに対して掃引を行い保存したプロットと、図5の回路( 負荷が存在する) に対して掃引を行った結果であるライブのプロットが確認できるはずです。
2つのプロットは同様の結果になっているでしょうか。そうでない場合には、どのような違いがあるのか、またなぜそのようになるのか考察してください。普段から使用しているスクリーン・キャプチャ・ツールを使って、プロットを保存してください。または、「File」ドロップダウン・メニューで「Save Screen」か「Save Data」のどちらかのボタンをクリックして、プロット/データを保存してください。
「Options」ドロップダウン・メニューで「Store Trace」ボタンをクリックし、2回目の掃引結果であるプロットのコピーを保存します。このとき、保存したプロットとライブのプロットは互いに重なり合っています。
チャンネルBをC2の上端に移して、再び緑色の「Start」ボタンをクリックします。再び掃引を行うと、C1の上端における1次応答の保存済みプロットと、C2の上端で観測された2次応答のライブのプロットが確認できるはずです。実験レポートにまとめるために、このプロットのスクリーン・ショットも取得しておくとよいでしょう。
「Options」ドロップダウン・メニューで「Store Trace」をクリックし、新たな掃引結果であるプロットのコピーを保存します。
R2の値を10kΩ、C2の値を0.01μFに変更し、再び緑色の「Start」ボタンをクリックします。再び掃引が行われたら、C2が0.1μFの場合の2次応答の保存済みプロットと、C2が0.01μFである場合の2次応答のライブ・プロットを確認できるはずです。
2つのプロットは同等の結果になっているでしょうか。そうでない場合には、どのような違いがあるのか、なぜそうなるのか考察してください。実験レポートにまとめるために、新しいプロットのスクリーン・ショットも取得しておくとよいでしょう。
R2とC2の値を変えると何が起きるのか、より深く理解するための方法があります。それには、チャンネルBをC1の上端に戻して、再び緑色の「Start」ボタンをクリックします。得られた応答曲線を、R2が1kΩ、C2が0.1μFの場合にC1の上端で観測した結果と比較します。両者の差とそのような差が生じる理由について考察してください。また実験レポートにまとめるために、得られたプロットのスクリーン・ショットも取得しておいてください。
3次のフィルタ
続いて、RCローパス・フィルタを更に拡張します。図6に示すようにR3とC3を追加することにより、3つ目のフィルタをカスケード接続します。これにより、3次のフィルタが構成されることになります。R1、R2、R3をすべて1kΩ、C1、C2、C3をすべて0.1μFとし、2次のフィルタの場合と同じステップで再び掃引を実行します。その結果得られた周波数応答の違いについて考察してください。
また、実験レポートにまとめるためにスクリーン・ショットも保存してください。

次に、R1 = 1kΩ 、R2 = 10kΩ 、R3 = 100kΩ 、C1 =0.1μF、C2 = 0.01μF、C3 = 0.001μFに変更します。その上で再び掃引を実行してください。
問題
図6に示した3次のRCローパス・フィルタのカットオフ周波数を求め、測定およびシミュレーションで得た値と比較してください。もし結果に違いがあれば、その理由を説明してください。
答えはStudentZoneで確認できます。
注記
アクティブ・ラーニング・モジュールを使用する記事では、本稿と同様に、ADALM1000に対するコネクタの接続やハードウェアの設定を行う際、以下のような用語を使用することにします。まず、緑色の影が付いた長方形は、ADALM1000が備えるアナログI/Oのコネクタに対する接続を表します。アナログI /Oチャンネルのピンは「CA」または「CB」と呼びます。電圧を印加して電流を測定するための設定を行う場合、「CA-V」のように「-V」を付加します。また、電流を印加して電圧を測定するための設定を行う場合には、「CA-I」のように「-I」を付加します。1つのチャンネルをハイ・インピーダンス・モードに設定して電圧の測定のみを行う場合、「CA-H」のように「-H」を付加して表します。
同様に、表示する波形についても、電圧の波形は「CA-V」と「CB-V」、電流の波形は「C A - I 」と「CB- I」のように、チャンネル名とV( 電圧) 、I( 電流)を組み合わせて表します。
本稿の例では、ALICE(Active Learning Interface forCircuits and Electronics)のRev 1.1を使用しています。
同ツールのファイル(alice-desktop-1.1-setup.zip)は、こちらからダウンロードすることができます。
ALICEは、次のような機能を提供します。
- 電圧/電流波形の時間領域での表示、解析を行うための2チャンネルのオシロスコープ
- 2チャンネルのAWG(任意波形発生器)の制御
- 電圧と電流のデータのX/Y軸プロットや電圧波形のヒストグラムの表示
- 2チャンネルのスペクトル・アナライザによる電圧信号の周波数領域での表示、解析
- スイープ・ジェネレータを内蔵したボーデ・プロッタとネットワーク・アナライザ
- インピーダンス・アナライザによる複雑なRLC回路網の解析、RLCメータ機能、ベクトル電圧計機能
- 既知の外付け抵抗または50Ωの内部抵抗に関連する未知の抵抗の値を測定するためのDC抵抗計
- 2.5Vの高精度リファレンス「AD584」を利用して行うボードの自己キャリブレーション。同リファレンスはアナログ・パーツ・キット「ADALP2000」に含まれています
- ALICE M1Kの電圧計
- ALICE M1Kのメータ・ソース
- ALICE M1Kのデスクトップ・ツール
詳細についてはこちらをご覧ください。
注) このソフトウェアを使用するには、PC にADALM1000を接続する必要があります。

