Net1 and Net2 Serial Interface Chip Set Supports Test Mode
Some serial networks use a test mode to exercise all of the circuits in the interface. The network is divided into local and remote data terminal equipment (DTE) and data-circuit-terminating equipment (DCE), as shown in Figure 1. Once the network is placed in a test mode, the local DTE will transmit on the driver circuits and expect to receive the same signals back from either a local or remote DCE. These tests are called local or remote loopback.

Figure 1. Serial network.
As introduced in the February 1998 issue of Linear Technology, the LTC1543/LTC1544/LTC1344A chip set has taken the integrated approach to multiple protocol. By using this chip set, the Net1 and Net2 design work is done. The LTC1545 extends the family by offering test mode capability. By replacing the 6-circuit LTC1544 with the 9-circuit LTC1545, the optional circuits TM (Test Mode), RL (Remote Loopback) and LL (Local Loopback) can now be implemented.
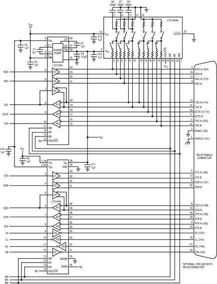
Figure 2 shows a typical application using the LTC1543, LTC1545 and LTC1344A. By just mapping the chip pins to the connector, the design of the interface port is complete. The chip set supports the V.28, V.35, V.36, RS449, EIA-530, EIA-530A or X.21 protocols in either DTE or DCE mode. Shown here is a DCE mode connection to a DB-25 connector. The mode-select pins, M0, M1 and M2, are used to select the interface protocol, as summarized in Table 1.

Figure 2. Typical application: Controller-selectable DCE port with DB-25 connector.
| LTC1543/LTC1545 Mode Name | M2 | M1 | M0 |
| Not Used | 0 | 0 | 0 |
| EIA-530A | 0 | 0 | 1 |
| EIA-530 | 0 | 1 | 0 |
| X.21 | 0 | 1 | 1 |
| V.35 | 1 | 0 | 0 |
| RS449/V.36 | 1 | 0 | 1 |
| RS232/V.28 | 1 | 1 | 0 |
| No Cable | 1 | 1 | 1 |