Altera Cyclone V GX Development Kit (Discontinued)
                            
            Overview
Features & Benefits
- Analog Devices has worked closely with FPGA and processor manufacturers to develop verified power solutions that optimize cost, size and efficiency in high performance applications
 - Our reference designs are supported by an intuitive design tool set and IP
 - Our team can provide designs for quick prototypes that can speed time to market in the most complex applications
 
Product Categories
Parts Used
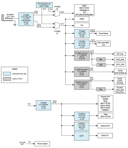
Circuit Description
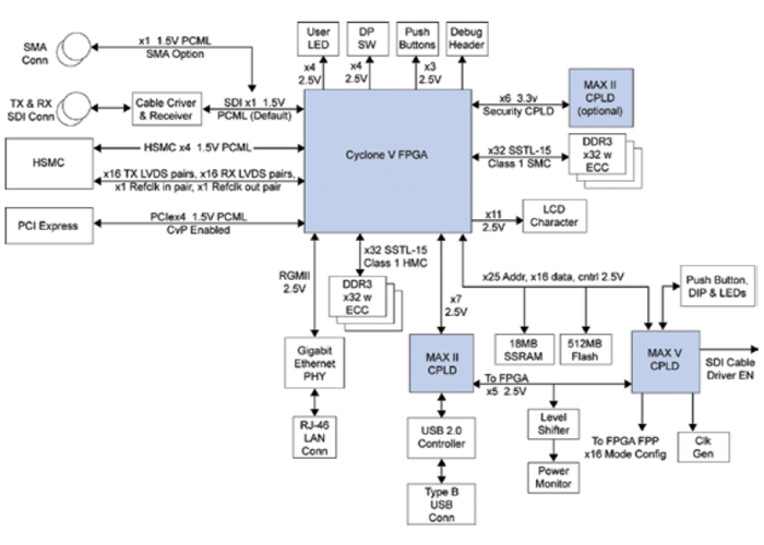
                        The Altera Cyclone V GX FPGA Development Kit provides a comprehensive, best in-class design environment to quickly begin developing low-cost and low-power FPGA system level designs. This kit helps to shorten your product’s development cycle so that you can meet your product’s time to market and production milestones.
                    
                
                                                
                                                
                                                
                                                
                                                



