Overview
Product Details
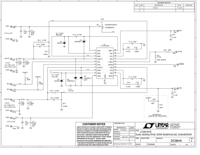
Demo circuit 964A is a dual monolithic step-down DC/DC converter featuring the LT3501. The demo circuit is designed for 3.3V/3A and 1.8V/3A outputs from a 4.5V to 24V input. Independent input voltage, feedback, soft-start and power good pins for each channel simplify complex power supply tracking/sequencing requirements.
Applicable Parts
Documentation & Resources
-
DC964A - Schematic9/24/2009PDF37K
-
DC964A - Demo Manual9/24/2009PDF456K
-
DC964A - Design File9/24/2009ZIP773K
