Overview
Product Details
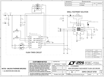
Demonstration circuit 875 is a high efficiency buck-boost flash LED driver featuring the LTC3454EDD. The board has two circuits optimized for different applications: a small footprint solution featuring 350mA, 300ms LED flash current or 150mA constant LED torch current, and a high current solution featuring 400/600/1000mA constant-current operation. The input voltage range of 2.7V to 5.5V is suitable for a single Lithium-Ion battery or three AAA batteries in series. The Li-Ion input range, high LED flash current with separate torch mode current setting, internal synchronous power switches, minimal and low-profile external components, and simple design makes the LTC3454 the top solution for highly efficient, space-constrained cellular telephone camera flash solutions.
Applicable Parts
Documentation & Resources
-
DC875B - Schematic11/22/2016PDF92K
-
DC875B - Demo Manual11/22/2016PDF765K
-
DC875B - Design Files11/22/2016ZIP2M
