Overview
Product Details
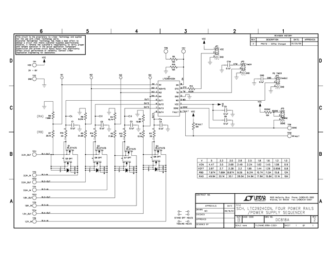
DC818A: Demo Board for the LTC2924 Quad Power Supply Sequencer.
Applicable Parts
Documentation & Resources
-
DC818A - Schematic9/24/2009PDF108K
-
DC818A - Demo Manual9/24/2009PDF181K
-
DC818A - Design File9/24/2009ZIP743K
