Overview
Product Details
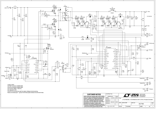
Demonstration circuit 776 is a 36V-72VIN, 2-switch forward converter with synchronous secondary-side control featuring the LTC3705 and LTC3706. This circuit was designed specifically to attain a high stepdown ratio power supply in one stage in order to efficiently power 1.5V loads from a typical telecom input voltage range. Isolation voltage is 1500VDC. This circuit features secondary-side control of the supply without the need of an optocoupler.
Documentation & Resources
-
DC776A - Schematic9/24/2009PDF47K
-
DC776A - Demo Manual9/24/2009PDF716K
-
DC776A - Design File9/24/2009ZIP1M
