Overview
Product Details
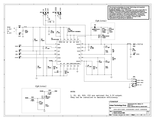
Demonstration Circuit 565 is a constant-frequency synchronous boost converter using the LTC3421. Guaranteed to start-up at 1V input voltage, this converter provides up to 95% efficiency. For 1.8V minimum input voltage, this converter can provide up to 1A load current. This converter has true output disconnect by eliminating body diode conduction of the internal PMOS rectifier. The output voltage is set at 3.3V. A different output voltage in the range of 2.4V to 5.25V can be obtained by changing one of the feedback resistors.
Applicable Parts
Documentation & Resources
-
DC565A - Schematic9/24/2009PDF155K
-
DC565A - Demo Manual9/24/2009PDF191K
-
DC565A - Design File9/24/2009ZIP1M
