Overview
Product Details
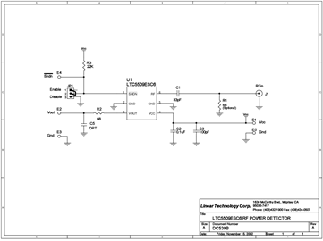
The DC539B demo board is used to evaluate the LTC5509, RF power detector with integrated output buffer and voltage reference. The LTC5509 converts an RF input signal at pin 6 (RF) to a DC voltage at pin 3 (VOUT). The RF input frequency range is 300 MHz to 3000 MHz. Maximum input power is 8 dBm. The output voltage at VOUT will start at an initial DC value of typically 250mV. When the RF signal is applied the output voltage will increase.
Applicable Parts
Documentation & Resources
-
DC539B - Schematic10/10/2014PDF40K
-
DC539B - Design Files10/10/2014ZIP599K
-
DC539B - Demo Manual10/10/2014PDF103K




