Overview
Product Details
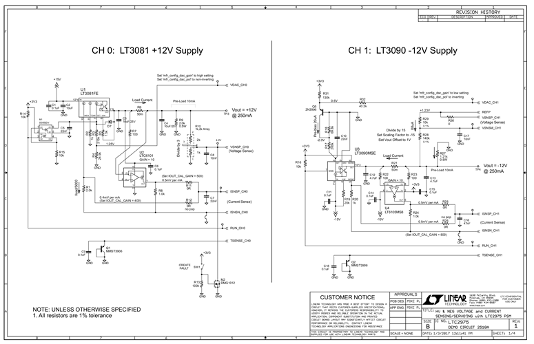
The DC2518A is a demonstration system for the LTC2975 Power System Manager that interfaces to various regulators. The board contains all the circuitry needed to use the LTC2975 in a power system and control four power supplies. The four power supplies include linear and switching regulators for the purpose of demonstrating a variety of methods to sense voltage and current. The demo board provides a sophisticated, digitally programmable 4-channel power supply system.
Applicable Parts
Documentation & Resources
-
DC2518A - Schematic2/21/2017PDF198K
-
DC2518A - Demo Manual5/3/2017PDF4M
-
DC2518A - Design Files2/21/2017ZIP3M

