Overview
Product Details
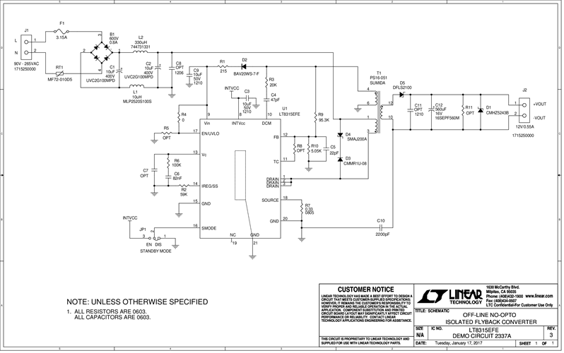
Demonstration circuit 2337A is an offline isolated flyback converter featuring LT8315. The demo board outputs 12V, and maintains tight regulation with a load current from 4mA to 0.55A. It is optimized to operate over a wide AC input voltage range (90VAC to 265VAC, 47Hz to 63Hz). Output voltage accuracy stays within ±5% over the whole input voltage and load range.
Markets and Technologies
Applicable Parts
Documentation & Resources
-
DC2337A - Schematic1/11/2024PDF278 K
-
DC2337A - Demo Manual1/27/2017PDF500K
-
DC2337A - Design File11/24/2020ZIP448 K
