Overview
Product Details
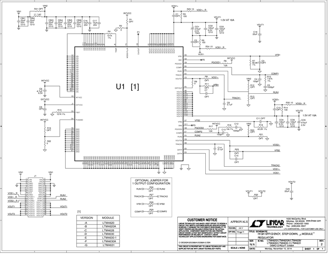
Demonstration circuit 2268A-E is a high efficiency, high density, dual 18A, switch mode step-down power supply on a compact 1.5' × 1.2' PCB. It features the LTM4630-1 μModule regulator. The input voltage is from 4.5V to 15V. The output voltage is programmable from 0.6V to 1.8V. DC2268A-E can deliver up to 18A maximum in each channel. With the help of external compensation, ±3% transient accuracy can be achieved with 25% load step. As explained in the data sheet, output current derating is necessary for certain VIN, VOUT, and thermal conditions. The board operates in continuous conduction mode in heavy load conditions. For high efficiency at low load currents, the resistor jumper (R1/R2) selects pulse-skipping mode for noise sensitive applications or Burst Mode® in less noise sensitive applications. Two outputs can be connected in parallel for a single 36A output solution with optional jumper resistors.
Applicable Parts
Documentation & Resources
-
DC2268A - Schematic3/31/2016PDF65K
-
DC2268A-E - Demo Manual3/31/2016PDF804K
-
DC2268A - Design Files3/31/2016ZIP4M




