Overview
Product Details
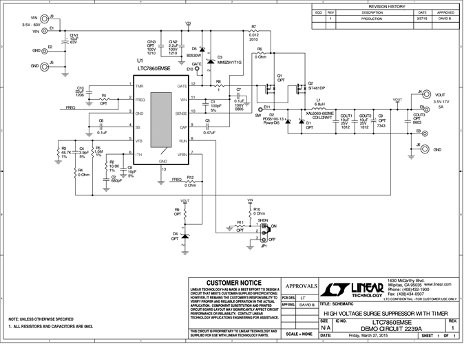
Demonstration circuit 2239A is a High Efficiency Switching Surge Stopper and EMI Filter featuring the LTC7860. The board operates from an input range of 3.5V to 60V, provides a 3.5V to 17.2V output at 0A to 5A and is output current limited. A soft-start feature controls output voltage slew rate at start-up, reducing current surge and voltage overshoot. The demonstration board has options for smaller MOSFET and diode packages on the back of the board for lower output current requirements.
Markets and Technologies
Applicable Parts
Documentation & Resources
- 
                                                                
                                                                    
                                                                                                                                            DC2239A - Schematic4/27/2015PDF65K
 
- 
                                                                
                                                                    
                                                                                                                                            DC2239A - Demo Manual4/27/2015PDF315K
 
- 
                                                                
                                                                    
                                                                                                                                            DC2239A - Design Files4/27/2015ZIP1M
 
                                                