Overview
Product Details
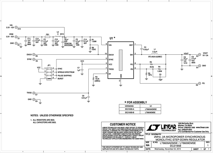
Demonstration circuit 2195B is a 42V, 2A micropower synchronous step-down regulator featuring the LT8609 or LT8609A. There are two assembly versions. DC2195B-A is for the LT8609A and DC2195B-B (and DC2195A) is for the LT8609. The difference is the LT8609A has slower edge speeds for improved EMI at the expense of a small efficiency loss.
Markets and Technologies
Applicable Parts
Documentation & Resources
-
DC2195B - Schematic2/24/2016PDF30K
-
DC2195B - Demo Board Manual2/24/2016PDF615K
-
DC2195B - Design Files4/21/2016ZIP869K




