Overview
Product Details
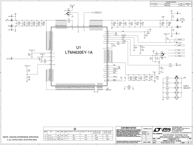
Demonstration Circuit 2164A-B features a PolyPhase design using three LTM4630EY-1's (A-grade), the high efficiency, high density, dual 18A, switch mode step-down power module regulator. The input voltage is from 4.5V to 15V. The output voltage is jumper selectable and can be set to 0.9V, 1.0V, 1.2V, 1.5V or 1.8V. DC2164A-B can deliver nominal 105A output current. As explained in the data sheet, output current derating is necessary for certain VIN, VOUT, and thermal conditions. The LTM4630-1A on DC2164A-B always operate in continuous conduction mode. The switching frequency can be programmed through a resistor or can be synchronized to an external clock signal. The board allows the user to program how its output voltage ramps up and down through the TRACK pin.
Applicable Parts
Documentation & Resources
-
DC2164A - Schematic10/1/2015PDF171K
-
DC2164A-B - Demo Manual10/1/2015PDF1M
-
DC2164A - Design Files9/10/2015ZIP3M
