Overview
Product Details
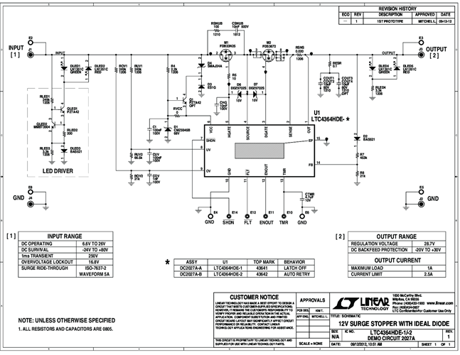
DC2027A-A: Demo Board for the LTC4364 Surge Stopper with Ideal Diode.
Markets and Technologies
Applicable Parts
Documentation & Resources
-
DC2027A - Schematic3/15/2013PDF40K
-
DC2027A - Demo Manual3/14/2013PDF633K
-
DC2027A - Design Files3/15/2013ZIP756K





